M-A QD Weld-On Hubs
M-A QD weld-on hubs are a type of mechanical component used to connect M QD bushings to a shaft or other component. These hubs are designed to be welded directly onto a shaft or other component, providing a secure and reliable connection.M QD bushings are a type of bushing that use a tapered bore and a locking mechanism to securely attach to a shaft. They are commonly used in power transmission applications to provide a secure connection between a shaft and a pulley, sprocket, or other component.M-A QD weld-on hubs are designed to be used with M QD bushings, providing a welded connection that is stronger and more reliable than traditional bolt-on connections. This type of connection is particularly useful in heavy-duty applications where the shaft is subjected to high loads or vibrations.M-A QD weld-on hubs are typically made from high-strength steel and are available in a range of sizes to accommodate different shaft diameters and bushing sizes. They are easy to install and require minimal maintenance, making them an ideal choice for a wide range of industrial applications.
![]() | ![]() |
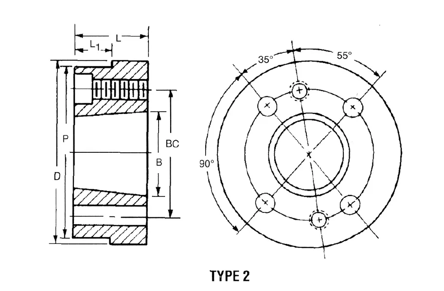
| QD Hub Types | M-A Weld-On Hubs | |
| For Bushing | M QD Bushings | |
| Dimensions (Inches) | D | 9.500" |
| L | 5 5/16" | |
| B | 6.494" | |
| P | 9.250" | |
| L1 | 3 9/16" | |
| BC | 7 7/8" | |
| Type Drilling | 2" | |
| Weight (lbs) | 50 lbs | |

![]() | ![]() |
Address
Luotuo Industrial Area, Zhenhai District, Ningbo City, China
Tel
