
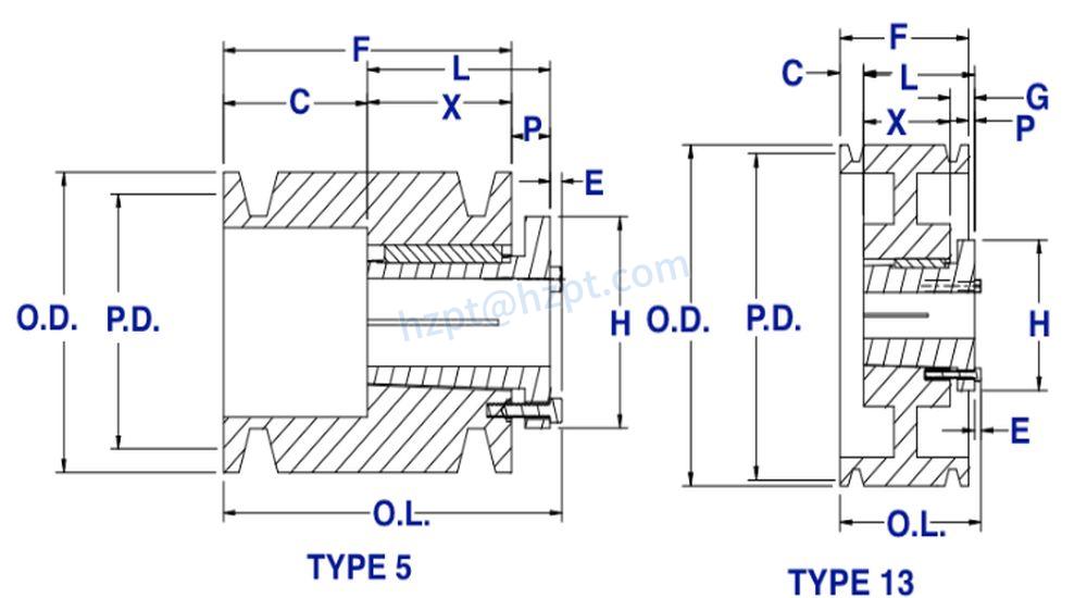
Size | Bushing Type | Pitch Diameter (A/ 4L) | Pitch Diameter (B/ 5L) | Outside Diameter | Type | (O.L.) | (L) | (P) | (C) | (H) | (F) | (G) | (X) | (E) | Weight (LBS) |
|---|---|---|---|---|---|---|---|---|---|---|---|---|---|---|---|
| 3B54Q | Q1 | 5.0" | 5.4" | 5.75" | 5 | 3-17/32" | 2-1/2" | 3/4" | 3/4" | 4-1/8" | 2-1/2" | -- | 1-3/4" | 9/32" | 7.9 |
| 3B56Q | Q1 | 5.2" | 5.6" | 5.95" | 5 | 3-17/32" | 2-1/2" | 3/4" | 3/4" | 4-1/8" | 2-1/2" | -- | 1-3/4" | 9/32" | 9.0 |
| 3B58Q | Q1 | 5.4" | 5.8" | 6.15" | 13 | 3-5/32" | 2-1/2" | 3/8" | 3/8" | 4-1/8" | 2-1/2" | 3/4" | 1-3/4" | 9/32" | 9.4 |
| 3B60Q | Q1 | 5.6" | 6.0" | 6.35" | 13 | 3-5/32" | 2-1/2" | 3/8" | 3/8" | 4-1/8" | 2-1/2" | 3/4" | 1-3/4" | 9/32" | 10.4 |
| 3B62Q | Q1 | 5.8" | 6.2" | 6.55" | 13 | 3-5/32" | 2-1/2" | 3/8" | 3/8" | 4-1/8" | 2-1/2" | 3/4" | 1-3/4" | 9/32" | 11.3 |
| 3B64Q | Q1 | 6.0" | 6.4" | 6.75" | 13 | 3-5/32" | 2-1/2" | 3/8" | 3/8" | 4-1/8" | 2-1/2" | 3/4" | 1-3/4" | 9/32" | 12.1 |
| 3B66Q | Q1 | 6.2" | 6.6" | 6.95" | 13 | 3-5/32" | 2-1/2" | 3/8" | 3/8" | 4-1/8" | 2-1/2" | 3/4" | 1-3/4" | 9/32" | 13.0 |
| 3B68Q | Q1 | 6.4" | 6.8" | 7.15" | 13 | 3-5/32" | 2-1/2" | 3/8" | 3/8" | 4-1/8" | 2-1/2" | 3/4" | 1-3/4" | 9/32" | 14.3 |
| 3B154R | R1 | 15.0" | 15.4" | 15.75" | 13 | 3-13/32" | 2-7/8" | 5/8" | 1/4" | 5-3/8" | 2-1/2" | 7/8" | 2" | 9/32" | 35.5 |
| 3B160R | R1 | 15.6" | 16.0" | 16.35" | 13 | 3-13/32" | 2-7/8" | 5/8" | 1/4" | 5-3/8" | 2-1/2" | 7/8" | 2" | 9/32" | 38.0 |
| 3B184R | R1 | 18.0" | 18.4" | 18.75" | 13 | 3-13/32" | 2-7/8" | 5/8" | 1/4" | 5-3/8" | 2-1/2" | 7/8" | 2" | 9/32" | 44.8 |
| 3B200R | R1 | 19.5" | 20.0" | 20.35" | 13 | 3-13/32" | 2-7/8" | 5/8" | 1/4" | 5-3/8" | 2-1/2" | 7/8" | 2" | 9/32" | 50.3 |
| 3B250R | R1 | 24.5" | 25.0" | 25.35" | 13 | 3-13/32" | 2-7/8" | 5/8" | 1/4" | 5-3/8" | 2-1/2" | 7/8" | 2" | 9/32" | 65.0 |
| 3B300R | R1 | 29.5" | 30.0" | 30.35" | 13 | 3-13/32" | 2-7/8" | 5/8" | 1/4" | 5-3/8" | 2-1/2" | 7/8" | 2" | 9/32" | 89.0 |
| 3B380R | R1 | 37.5" | 38.0" | 38.35" | 13 | 3-13/32" | 2-7/8" | 5/8" | 1/4" | 5-3/8" | 2-1/2" | 7/8" | 2" | 9/32" | 106.0 |

| V-belt drive advantages | V-belt drive disadvantages |
| Minimal maintenance w/ no lubrication | Approx. temperature limit of 140° F |
| Extremely reliable | Pulleys must be somewhat larger than in other belt drives |
| Gradual wear, which is easily identified | Center distance between pulleys is limited (no more than 3x the diameter of the largest pulley |
| Wide horsepower and speed range | Usually more expensive than other drives |
| Quiet operation | Only acceptable for parallel shafts |
| Vibration dampening | |
| Prevents overload |




Address
Luotuo Industrial Area, Zhenhai District, Ningbo City, China
Tel
