
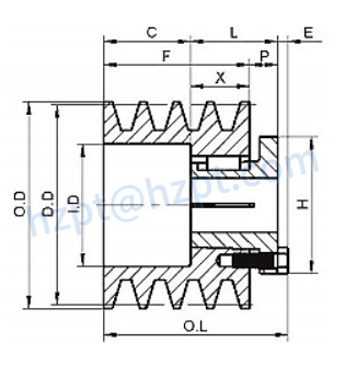
| Size | Bushing Type | Pitch Diameter | Outside Diameter | Type | (O.L.) | (L) | (P) | (C) | (H) | (F) | (G) | (X) | (E) | Sheave Weight (LBS) |
|---|---|---|---|---|---|---|---|---|---|---|---|---|---|---|
| 4TC70 | Q2 | 7.0 | 7.40 | 13 | 4-17/32" | 3-1/2" | 0 | 3/4" | 4-1/8" | 4-1/4" | 3/4" | 2-3/4" | 9/32" | 23.8 |
| 4TC72 | Q2 | 7.2 | 7.60 | 13 | 4-17/32" | 3-1/2" | 0 | 3/4" | 4-1/8" | 4-1/4" | 3/4" | 2-3/4" | 9/32" | 26.8 |
| 4TC74 | Q2 | 7.4 | 7.80 | 13 | 4-17/32" | 3-1/2" | 0 | 3/4" | 4-1/8" | 4-1/4" | 3/4" | 2-3/4" | 9/32" | 27.5 |
| 4TC76 | Q2 | 7.6 | 8.00 | 13 | 4-17/32" | 3-1/2" | 0 | 3/4" | 4-1/8" | 4-1/4" | 3/4" | 2-3/4" | 9/32" | 30.3 |
| 4TC78 | Q2 | 7.8 | 8.20 | 13 | 4-17/32" | 3-1/2" | 0 | 3/4" | 4-1/8" | 4-1/4" | 3/4" | 2-3/4" | 9/32" | 26.4 |
| 4TC80 | Q2 | 8.0 | 8.40 | 13 | 4-17/32" | 3-1/2" | 0 | 3/4" | 4-1/8" | 4-1/4" | 3/4" | 2-3/4" | 9/32" | 29.0 |
| 4TC82 | Q2 | 8.2 | 8.60 | 13 | 4-17/32" | 3-1/2" | 0 | 3/4" | 4-1/8" | 4-1/4" | 3/4" | 2-3/4" | 9/32" | 26.8 |
| 4TC84 | Q2 | 8.4 | 8.80 | 13 | 4-17/32" | 3-1/2" | 0 | 3/4" | 4-1/8" | 4-1/4" | 3/4" | 2-3/4" | 9/32" | 28.8 |
| 4TC86 | Q2 | 8.6 | 9.00 | 13 | 4-17/32" | 3-1/2" | 0 | 3/4" | 4-1/8" | 4-1/4" | 3/4" | 2-3/4" | 9/32" | 27.9 |
| 4TC88 | Q2 | 8.8 | 9.20 | 13 | 4-17/32" | 3-1/2" | 0 | 3/4" | 4-1/8" | 4-1/4" | 3/4" | 2-3/4" | 9/32" | 31.6 |
| 4TC90 | Q2 | 9.0 | 9.40 | 13 | 4-17/32" | 3-1/2" | 0 | 3/4" | 4-1/8" | 4-1/4" | 3/4" | 2-3/4" | 9/32" | 28.4 |
| 4TC92 | Q2 | 9.2 | 9.60 | 13 | 4-17/32" | 3-1/2" | 0 | 3/4" | 4-1/8" | 4-1/4" | 3/4" | 2-3/4" | 9/32" | 32.3 |
| 4TC94 | Q2 | 9.4 | 9.80 | 13 | 4-17/32" | 3-1/2" | 0 | 3/4" | 4-1/8" | 4-1/4" | 3/4" | 2-3/4" | 9/32" | 31.8 |
| 4TC96 | Q2 | 9.6 | 10.00 | 13 | 4-17/32" | 3-1/2" | 0 | 3/4" | 4-1/8" | 4-1/4" | 3/4" | 2-3/4" | 9/32" | 35.2 |
| 4TC98 | Q2 | 9.8 | 10.20 | 13 | 4-17/32" | 3-1/2" | 0 | 3/4" | 4-1/8" | 4-1/4" | 3/4" | 2-3/4" | 9/32" | 33.0 |
| 4TC100 | Q2 | 10.0 | 10.40 | 13 | 4-17/32" | 3-1/2" | 0 | 3/4" | 4-1/8" | 4-1/4" | 3/4" | 2-3/4" | 9/32" | 37.0 |
| 4TC102 | Q2 | 10.2 | 10.60 | 13 | 4-17/32" | 3-1/2" | 0 | 3/4" | 4-1/8" | 4-1/4" | 3/4" | 2-3/4" | 9/32" | 33.5 |
| 4TC106 | Q2 | 10.6 | 11.00 | 13 | 4-17/32" | 3-1/2" | 0 | 3/4" | 4-1/8" | 4-1/4" | 3/4" | 2-3/4" | 9/32" | 36.3 |
| 4TC110 | Q2 | 11.0 | 11.40 | 13 | 4-17/32" | 3-1/2" | 0 | 3/4" | 4-1/8" | 4-1/4" | 3/4" | 2-3/4" | 9/32" | 36.3 |
| 4TC114 | Q2 | 11.4 | 11.80 | 13 | 4-17/32" | 3-1/2" | 0 | 3/4" | 4-1/8" | 4-1/4" | 3/4" | 2-3/4" | 9/32" | 38.4 |
| 4TC120 | Q2 | 12.0 | 12.40 | 13 | 4-17/32" | 3-1/2" | 0 | 3/4" | 4-1/8" | 4-1/4" | 3/4" | 2-3/4" | 9/32" | 40.5 |
| 4TC130 | Q2 | 13.0 | 13.40 | 13 | 4-17/32" | 3-1/2" | 0 | 3/4" | 4-1/8" | 4-1/4" | 3/4" | 2-3/4" | 9/32" | 43.6 |
| 4TC160 | Q2 | 16.0 | 16.40 | 13 | 4-17/32" | 3-1/2" | 0 | 3/4" | 4-1/8" | 4-1/4" | 3/4" | 2-3/4" | 9/32" | 56.0 |
| 4TC200 | Q2 | 20.0 | 20.40 | 13 | 4-17/32" | 3-1/2" | 0 | 3/4" | 4-1/8" | 4-1/4" | 3/4" | 2-3/4" | 9/32" | 72.0 |
| 4TC240 | Q2 | 24.0 | 24.40 | 13 | 4-17/32" | 3-1/2" | 0 | 3/4" | 4-1/8" | 4-1/4" | 3/4" | 2-3/4" | 9/32" | 85.3 |
![]() | ![]() |




Address
Luotuo Industrial Area, Zhenhai District, Ningbo City, China
Tel
