5V Series Cast Iron Four-Groove Sheaves with Split Taper Bushings for "5V" Belts
5V series four-groove taper bushed sheaves are manufactured for 5V, 5VX, banded 5V, and banded 5VX belts. They range from 4.40" to 50.0" in diameter. Depending on the sheave size, they are made to use P1, Q1, Q2, R1, S1, or U0 split-taper bushings, which we also stock. Most of our four-groove 5V split taper sheaves are manufactured from a high-strength grade 35 cast iron, are phosphate-coated, and are painted for anti-corrosion. All of them are balanced at the factory for smooth machinery operation.

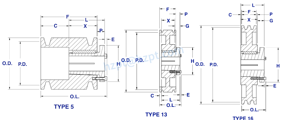
Size | Bushing Type | Pitch Diameter | Outside Diameter | Type | (O.L.) | (L) | (P) | (C) | (H) | (F) | (G) | (X) | (E) | Sheave Weight (LBS) |
|---|---|---|---|---|---|---|---|---|---|---|---|---|---|---|
| 4P5V44 | P1 | 4.30" | 4.40" | 13 | 3 3/16" | 1 15/16 | 1/8" | 7/8" | 3" | 3 1/16" | 5/8" | 1 5/16" | 1/4" | 3.2 |
| 4Q5V46 | Q2 | 4.50" | 4.60" | 5 | 5 1/4" | 3 1/2" | 3/4" | 1 5/16" | 4 1/8" | 3 1/16" | - | 2 3/4" | 9/32" | 8.6 |
| 4Q5V49 | Q1 | 4.80" | 4.90" | 5 | 4 3/32" | 3 1/2" | 3/4" | 1 5/16" | 4 1/8" | 3 1/16" | - | 1 3/4" | 9/32" | 8.5 |
| 4Q5V52 | Q1 | 5.10" | 5.20" | 5 | 4 3/32" | 3 1/2" | 3/4" | 1 5/16" | 4 1/8" | 3 1/16" | - | 1 3/4" | 9/32" | 7.8 |
| 4Q5V55 | Q1 | 5.40" | 5.50" | 5 | 4 3/32" | 3 1/2" | 3/4" | 1 5/16" | 4 1/8" | 3 1/16" | 3/4" | 1 3/4" | 9/32" | 8.3 |
| 4Q5V59 | Q1 | 5.80" | 5.90" | 13 | 4 3/32" | 3 1/2" | 0 | 9/16" | 4 1/8" | 3 1/16" | 3/4" | 1 3/4" | 9/32" | 10.1 |
| 4Q5V63 | Q1 | 6.20" | 6.30" | 13 | 4 3/32" | 3 1/2" | 0 | 9/16" | 4 1/8" | 3 1/16" | 3/4" | 1 3/4" | 9/32" | 11.8 |
| 4Q5V67 | Q1 | 6.60" | 6.70" | 13 | 4 3/32" | 3 1/2" | 0 | 9/16" | 4 1/8" | 3 1/16" | 3/4" | 1 3/4" | 9/32" | 13.6 |
| 4Q5V71 | Q1 | 7.00" | 7.10" | 13 | 3 11/32" | 2 7/8" | 0 | 9/16" | 4 1/8" | 3 1/16" | 3/4" | 1 3/4" | 9/32" | 15.9 |
| 4Q5V75 | Q1 | 7.40" | 7.50" | 13 | 3 11/32" | 2 7/8" | 0 | 9/16" | 4 1/8" | 3 1/16" | 3/4" | 1 3/4" | 9/32" | 18.4 |
| 4R5V80 | R1 | 7.90" | 8.00" | 13 | 3 11/16" | 2 7/8" | 11/32" | 17/32" | 5 3/8" | 3 1/16" | 7/8" | 2" | 9/32" | 19.4 |
| 4R5V85 | R1 | 8.40" | 8.50" | 13 | 3 11/32" | 2 7/8" | 11/32" | 17/32" | 5 3/8" | 3 1/16" | 7/8" | 2" | 9/32" | 22.8 |
| 4R5V90 | R1 | 8.90" | 9.00" | 13 | 3 11/16" | 2 7/8" | 11/32" | 17/32" | 5 3/8" | 3 1/16" | 7/8" | 2" | 9/32" | 24.5 |
| 4R5V92 | R1 | 9.15" | 9.25" | 13 | 3 11/16" | 2 7/8" | 11/32" | 17/32" | 5 3/8" | 3 1/16" | 7/8" | 2" | 9/32" | 26.6 |
| 4R5V97 | R1 | 9.65" | 9.75" | 13 | 3 11/16" | 2 7/8" | 11/32" | 17/32" | 5 3/8" | 3 1/16" | 7/8" | 2" | 9/32" | 28.0 |
| 4R5V103 | R1 | 10.20" | 10.30" | 13 | 3 11/16" | 2 7/8" | 11/32" | 17/32" | 5 3/8" | 3 1/16" | 7/8" | 2" | 9/32" | 30.8 |
| 4R5V109 | R1 | 10.80" | 10.90" | 13 | 3 11/16" | 2 7/8" | 11/32" | 17/32" | 5 3/8" | 3 1/16" | 7/8" | 2" | 9/32" | 31.7 |
| 4R5V118 | R1 | 11.70" | 11.80" | 13 | 3 11/32" | 2 7/8" | 11/32" | 17/32" | 5 3/8" | 3 1/16" | 7/8" | 2" | 9/32" | 35.3 |
| 4R5V125 | R1 | 12.40" | 12.50" | 13 | 3 11/16" | 2 7/8" | 11/32" | 17/32" | 5 3/8" | 3 1/16" | 7/8" | 2" | 9/32" | 37.9 |
| 4R5V132 | R1 | 13.10" | 13.20" | 13 | 3 11/16" | 2 7/8" | 11/32" | 17/32" | 5 3/8" | 3 1/16" | 7/8" | 2" | 9/32" | 33.3 |
| 4R5V140 | R1 | 13.90" | 14.00" | 13 | 3 11/16" | 2 7/8" | 11/32" | 17/32" | 5 3/8" | 3 1/16" | 7/8" | 2" | 9/32" | 36.5 |
| 4R5V150 | R1 | 14.90" | 15.00" | 13 | 3 11/16" | 2 7/8" | 11/32" | 17/32" | 5 3/8" | 3 1/16" | 7/8" | 2" | 9/32" | 40.9 |
| 4R5V160 | R1 | 15.90" | 16.00" | 13 | 3 11/16" | 2 7/8" | 11/32" | 17/32" | 5 3/8" | 3 1/16" | 7/8" | 2" | 9/32" | 43.3 |
| 4R5V212 | R1 | 21.10" | 21.20" | 13 | 3 11/16" | 2 7/8" | 11/32" | 17/32" | 5 3/8" | 3 1/16" | 7/8" | 2" | 9/32" | 59.0 |
| 4S5V280 | S1 | 27.90" | 28.00" | 16 | 4 3/4" | 4 3/8" | 1 3/16" | 1/8" | 6 3/8" | 3 1/16" | 1 1/16" | 3 5/16" | 3/8" | 135.0 |
| 4S5V375 | S1 | 37.40" | 37.50" | 16 | 4 3/4" | 4 3/8" | 1 3/16" | 1/8" | 6 3/8" | 3 1/16" | 1 1/16" | 3 5/16" | 3/8" | 157.0 |
| 4U5V500 | U0 | 49.90" | 50.00" | 16 | 5 13/32" | 4 15/16" | 1 17/32" | 11/32" | 8 3/8" | 3 1/16" | 1 3/16" | 3 3/4" | 15/32" | 239.0 |
![]() |
(4) 5VX Banded Cogged V-BeltsAll our v-belts are manufactured by ARPM specifications and offer superior performance and durability. Due to their design, banded 5VX cogged v-belts run smoother, more relaxed, and typically outlast a standard banded C v-belt. They also offer a higher efficiency than ordinary banded v-belts, which means fewer energy costs. We can also stock sheaves/ pulleys for 5VX banded belts. For more information or to get a quote, please get in touch with us, and we will be happy to assist you.![]() | ![]() |





Address
Luotuo Industrial Area, Zhenhai District, Ningbo City, China
Tel
