
Center Pivot Irrigation Sprinkler Gearbox - Replacement of Valley, UMC, Zimmatic Gearbox
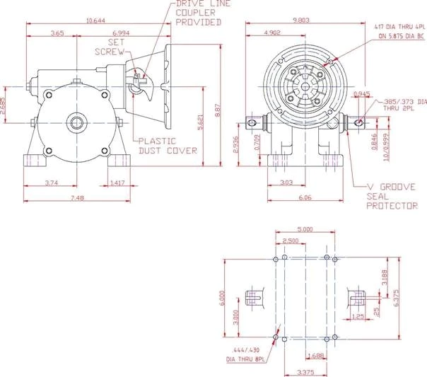
A center pivot irrigation gearbox is a key component in the operation of pivot irrigation systems, which are commonly used in agriculture to efficiently water crops. Designed for longer spans, larger wheels, and heavier towers. This irrigation pivot gearbox is a standard ultimate-duty gearbox that is capable of handling nearly any field condition. This irrigation gearbox allows for operating in conditions where wheel ruts may exist, soil can be heavy, and terrain is uneven. The gearbox features a 2.25-inch output shaft with larger input bearings capable of handling more input load. The center pivot gearbox also features cartridge input and output seals. It is designed to support longer spans, larger wheels, and heavier towers for use on center pivots and lateral move/ linear irrigation systems.We are an industry leader in replacement parts for Center Pivot Irrigation Systems and have the expertise to help you find exactly the center pivot irrigation gearboxes you are looking for. Our gearboxes can be the replacement of Valley, UMC, Zimmatic Pivot Gearbox.
| ![]() |
![]() |


Input speed | <1500r/min |
Body material | Cast iron |
Input style | solid shaft |
Output style | Hub connecting flange |
Othercharacteristics | irrigate machine gearbox |
Shaft orientation | 90 degrees vertically |
Gear type | Worm gearbox |
Fixed way | flange |
Ratio | 50:1 |
Out Torque | Standard |
Other parameters | Can replace UMC, DURST, ZIMMATIC, and Valley gearbox |



Address
Luotuo Industrial Area, Zhenhai District, Ningbo City, China
Tel
