


O(WPO) | X(WPX) |
FCO Shaft Direction![]() | FCX Shaft Direction![]() |
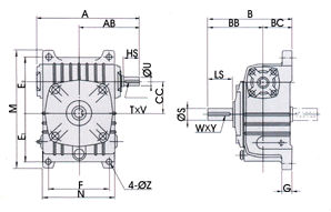
| SIZE | RATIO | A | AB | B | BB | BC | CC | E1 | E2 | F | M | N | G | Z | Input shaft | Output Shaft | Kg | L | ||||
| HS | U | T×V | LS | S | W×Y | |||||||||||||||||
| 50 | 1/101/201/301/401/501/60 | 175 | 105 | 145 | 95 | 50 | 50 | 93 | 102 | 90 | 220 | 116 | 14 | 11 | 30 | 12 | 4×2.5 | 40 | 17 | 5×3 | 6.5 | 0.5 |
| 60 | 195 | 120 | 165 | 110 | 55 | 60 | 105 | 120 | 100 | 260 | 126 | 15 | 11 | 40 | 15 | 5×3 | 50 | 22 | 7×4 | 9 | 0.6 | |
| 70 | 234 | 140 | 195 | 130 | 65 | 70 | 120 | 135 | 120 | 295 | 156 | 20 | 15 | 40 | 18 | 5×3 | 60 | 28 | 7×4 | 14 | 1.1 | |
| 80 | 264 | 160 | 210 | 140 | 70 | 80 | 130 | 150 | 140 | 320 | 176 | 20 | 15 | 50 | 22 | 7×4 | 65 | 32 | 10×4.5 | 21 | 1.44 | |
| 100 | 322 | 190 | 245 | 155 | 90 | 100 | 155 | 180 | 190 | 375 | 226 | 30 | 15 | 50 | 25 | 7×4 | 75 | 38 | 10×4.5 | 33 | 3.0 | |
| 120 | 385 | 230 | 285 | 185 | 100 | 120 | 185 | 215 | 220 | 450 | 266 | 30 | 18 | 65 | 30 | 7×4 | 85 | 45 | 12×4.5 | 51 | 5.1 | |
| 135 | 435 | 260 | 320 | 210 | 110 | 135 | 210 | 235 | 260 | 495 | 306 | 35 | 18 | 75 | 35 | 10×4.5 | 95 | 55 | 15×5 | 75 | 7.2 | |
| 155 | 507 | 302 | 392 | 252 | 140 | 155 | 245 | 295 | 290 | 590 | 350 | 45 | 20 | 85 | 40 | 10×4.5 | 110 | 60 | 15×5 | 115 | 9.0 | |
| 175 | 550 | 325 | 412 | 262 | 150 | 175 | 267 | 323 | 320 | 640 | 394 | 45 | 20 | 85 | 45 | 12×4.5 | 110 | 65 | 18×6 | 143 | 10 | |
| 200 | 590 | 350 | 480 | 305 | 175 | 200 | 290 | 360 | 370 | 710 | 440 | 42 | 22 | 95 | 50 | 12×4.5 | 125 | 70 | 20×7 | 200 | 12 | |
| 250 | 710 | 420 | 560 | 360 | 200 | 250 | 350 | 440 | 440 | 860 | 510 | 46 | 27 | 110 | 60 | 15×5 | 155 | 90 | 24×8 | 345 | 22 | |
Address
Luotuo Industrial Area, Zhenhai District, Ningbo City, China
Tel
