
The DTII Belt Conveyor Comb Roller is a specialized component of the DTII conveyor system, an advanced version of the TD75 standard, widely used in mining, coal, cement, and other heavy industries. Positioned on the return side or at specific points along the conveyor, comb rollers feature a unique comb-shaped design with spaced teeth or bars, typically made of steel or rubber, to prevent material buildup on the belt. This self-cleaning mechanism dislodges sticky materials like coal dust, mud, or aggregates, ensuring the belt remains clean and reducing the risk of misalignment or damage.
Built for durability in harsh mining environments, DTII comb rollers enhance conveyor efficiency, reduce maintenance costs, and extend belt life. This page explains what comb rollers do, where they’re used, how to install them, what users say, and answers common questions, all in plain language to help you decide if they’re right for your conveyor system.
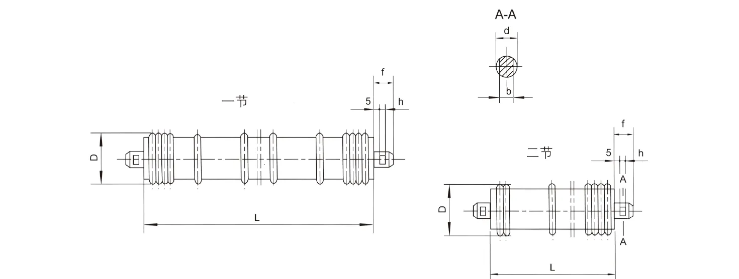
Unit: mm| h | d | Bearing model | L | b | h | f | Weight of rotating parts (kg) | Drawing No | Number of sections |
| 108 | 20 | 4G204 | 465 | 14 | 6 | 14 | 4.23 | DTⅡGS2105 | 2 |
| 950 | 7.7 | DTⅡGS2111 | 1 | ||||||
| 133 | 25 | 4G205 | 600 | 18 | 8 | 17 | 6.76 | DTⅡGS3207 | 2 |
| 700 | 7.68 | DTⅡGS3208 | 2 | ||||||
| 800 | 8.52 | DTⅡGS3210 | 2 | ||||||
| 1150 | 11.73 | DTⅡGS3212 | 1 | ||||||
| 159 | 4G205 | 700 | 9.72 | DTⅡGS4208 | 1 | ||||
| 1400 | 15.30 | DTⅡGS4213 | 2 | ||||||
| 4G305 | 700 | 9.84 | DTⅡGS4308 | 2 | |||||
| 800 | 11.04 | DTⅡGS4310 | 2 | ||||||
| 1400 | 15.3 | DTⅡGS4313 | 1 | ||||||
| 1600 | 20.4 | DTⅡGS4314 | 1 | ||||||
| 30 | 4G306 | 800 | 22 | 11.5 | DTⅡGS4410 | 2 | |||
| 1400 | 18.35 | DTⅡGS4413 | 1 | ||||||
| 1600 | 20.71 | DTⅡGS4414 | 1 |
The DTII Comb Roller is designed to support the conveyor belt while preventing material buildup through its self-cleaning comb-shaped design, ensuring smooth operation and minimal maintenance in rugged mining environments. Here’s what makes it stand out:
Self-Cleaning Comb Design
Features a comb-shaped structure with spaced teeth or bars (steel or rubber) that dislodge sticky materials like coal dust or mud from the belt.
Prevents material buildup, reducing belt misalignment and wear.
Durable Materials
Roller tubes made of Q235 steel (equivalent to SS400/JIS G3101/ASTM A36) for strength in heavy-duty applications.
Shafts crafted from 45# steel (equivalent to DIN C45/JIS S45C/ASTM A1045) for precision and durability.
Optional rubber or polyurethane teeth for enhanced wear resistance and corrosion protection in abrasive environments.
High-Quality Bearings
Equipped with deep groove ball bearings (6204, 6205, 6305, etc., with C3 clearance, 2RZ/2Z seals) for smooth rotation and long lifespan.
Triple labyrinth seals protect against dust, dirt, and moisture, ideal for mining conditions.
Low Noise and Vibration
Precision manufacturing and balance testing minimize noise and vibration during operation.
Reduces wear on the belt and conveyor frame, extending system longevity.
Corrosion Resistance
Options for zinc plating, baking paint, or epoxy coatings to resist rust in environments like coastal ports.
Rubber or polyurethane teeth provide additional durability in corrosive or abrasive conditions.
Customizable Design
Roller diameters from 89mm to 219mm, lengths from 150mm to 2500mm, fitting belts 500mm to 2400mm wide.
Customizable comb spacing, tooth material, and frame designs to match specific conveyor setups and material types.
Standards Compliance
Meets DTII, DTII(A), CEMA (B, C, D, E), JIS, and ISO 9001:2008 standards for quality and safety.
Tested for radial runout (≤0.5mm), axial displacement (≤1.2mm), and rotation resistance (≤3.5N) to ensure reliability.

The DTII Comb Roller is used on the return side or specific sections of conveyors to support the belt and prevent material buildup, making it ideal for handling sticky or wet materials in various industries. It’s perfect for these applications:
Mining
Prevents buildup of sticky coal dust, iron ore, or bauxite on return belts in underground or open-pit mines.
Suits long-distance systems, like a 4 km conveyor in Shanxi, ensuring clean belts and stable operation.
Cement Plants
Removes sticky cement or clinker residues from return belts, reducing maintenance.
Corrosion-resistant coatings withstand abrasive environments.
Ports and Terminals
Cleans sticky materials like coal or grain from return belts during loading/unloading.
Rust-resistant options are ideal for salty coastal conditions.
Construction
Prevents buildup of sticky aggregates or mud on return belts on job sites.
Works with mobile or fixed conveyors for versatile setups.
Power Plants
Cleans coal dust or ash from return belts in fuel or waste systems.
Designed for dusty, high-tension environments.


| Belt width (mm) | 0.8 | 1.0 | 1.25 | 1.6 | 2.0 | 2.5 | 3.15 | 4 | (4.5) | 5.0 | (5.6) | 6.5 |
| 500 | 69 | 87 | 108 | 139 | 174 | 217 | ||||||
| 650 | 127 | 159 | 198 | 254 | 318 | 397 | ||||||
| 800 | 198 | 248 | 310 | 397 | 496 | 620 | 781 | |||||
| 1000 | 324 | 405 | 507 | 648 | 811 | 1014 | 1278 | 1622 | ||||
| 1200 | 593 | 742 | 951 | 1188 | 1486 | 1872 | 2377 | 2674 | 2971 | |||
| 1400 | 825 | 1032 | 1321 | 1652 | 2065 | 2602 | 3304 | 3718 | 4130 | |||
| 1600 | 2186 | 2733 | 3444 | 4373 | 4920 | 5465 | 6122 | |||||
| 1800 | 2795 | 3494 | 4403 | 5591 | 6291 | 6989 | 7829 | 9083 | ||||
| 2000 | 3470 | 4338 | 5466 | 6941 | 7808 | 8676 | 9717 | 11277 | ||||
| 2200 | 6843 | 8690 | 9776 | 10863 | 12166 | 14120 | ||||||
| 2400 | 8289 | 10526 | 11842 | 13158 | 14737 | 17104 |
Installing DTII Comb Rollers is straightforward with these steps:
Verify Specifications
Ensure the roller’s diameter, length, comb spacing, and frame design match your conveyor’s belt and return side requirements.
Confirm the frame can support the roller’s weight and belt tension.
Position the Rollers
Install comb rollers on the return side, typically spaced 3-4 meters apart based on belt width and material type.
Use sturdy frames to secure the rollers, ensuring alignment with the belt.
Align the Rollers
Set rollers perpendicular to the belt to ensure even support and effective cleaning.
Use a laser level or string line to align rollers with adjacent idlers for consistent tracking.
Inspect Bearings and Seals
Verify bearings are lubricated with lithium soap grease and triple labyrinth seals are intact.
Avoid disturbing seals to maintain dust and water resistance.
Adjust Belt Tension
Set tension to keep the return belt taut without overloading the rollers. Use:[ T = \frac{P_p \cdot 1000}{v} ] where (T) is tension (Newtons), (P_p) is power (kilowatts), and (v) is belt speed (meters/second).
Test the System
Run the conveyor at low speed with no load to check roller performance, cleaning effectiveness, and belt alignment.
Adjust roller positions if material buildup persists or the belt drifts.
Use trained technicians to meet safety and industry standards.
Document installation details for maintenance records.
Contact us for expert setup assistance.
Regular care keeps DTII Comb Rollers performing well:
Inspect Regularly: Check comb teeth, rollers, bearings, and frames every 3-6 months for wear or damage.
Lubricate Bearings: Apply lithium soap grease every 6 months to ensure smooth rotation.
Clean Comb Teeth: Remove material buildup from teeth to maintain cleaning effectiveness.
Check Alignment: Ensure rollers remain perpendicular to prevent belt drift [].
Use OEM Parts: Replace with DTII-compliant parts to maintain performance [].
Avoid Damage: Do not strike rollers or comb teeth with heavy objects to prevent damage to bearings or seals.
Here’s what users of DTII Comb Rollers say:
Australian Iron Ore Mine
“These comb rollers prevent ore buildup on our return belts. They’re tough and have cut our cleaning time significantly.” – James Carter, Site Engineer
South African Port Terminal
“The corrosion-resistant coatings are perfect for our coastal setup. These rollers need minimal upkeep and keep our belts clean.” – Thandiwe Zulu, Logistics Manager
Chilean Copper Mine
“Our conveyor efficiency is up 20% with these comb rollers. They handle sticky ore residue like a charm.” – Sofia Martinez, Maintenance Supervisor
Got questions? Here are clear answers with keywords to help you find us:
1. What’s a DTII Comb Roller?
A return-side roller with a comb-shaped design that prevents material buildup by dislodging sticky materials from the conveyor belt.
2. How does it clean the belt?
The comb-shaped teeth or bars scrape off sticky materials like coal dust or mud, keeping the belt clean and aligned.
3. What’s it made of?
Q235 steel for roller tubes, 45# steel for shafts, with optional rubber or polyurethane teeth for durability.
4. How often should I maintain it?
Inspect every 3-6 months, lubricate bearings, clean comb teeth, and check alignment. Don’t tamper with seals.
5. Where’s it used?
Mining, cement plants, ports, construction, and power plants for handling sticky materials like coal or ore.
Address
Luotuo Industrial Area, Zhenhai District, Ningbo City, China
Tel
