
The DTII Belt Conveyor Taper Roller, also known as a conical or self-aligning roller, is a specialized component of the DTII conveyor system, an advanced evolution of the TD75 standard, widely used in mining, coal, cement, and other heavy industries. Positioned on the carrying or return side of the conveyor, taper rollers feature a conical shape that helps prevent belt deviation by guiding the belt back to its center, ensuring proper alignment.
These rollers are critical for maintaining conveyor stability, especially in high-tension or long-distance systems handling materials like coal, ore, or aggregates. Built to withstand harsh mining environments, DTII taper rollers reduce belt wear, minimize downtime, and enhance operational efficiency. This page explains what taper rollers do, where they’re used, how to install them, what users say, and answers common questions, all in plain language to help you decide if they’re right for your conveyor system.
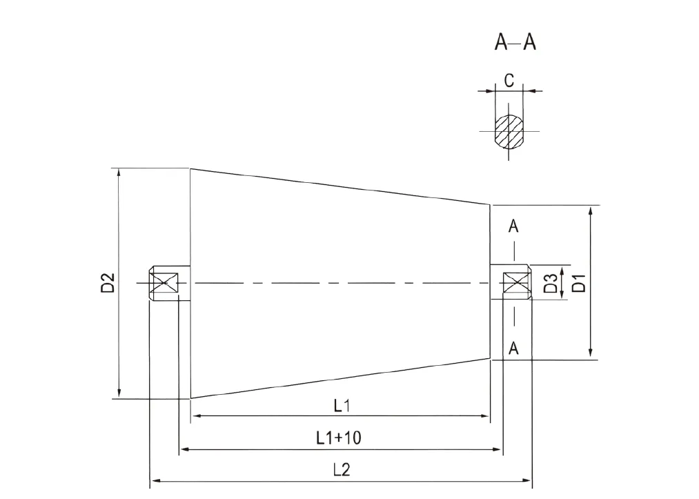
Unit: mm| Belt width B | D1×D2×L1 | D3×L2×C | Bearing model | Applicable models |
| 800 | Ø89ר133×340 | Ø25×374×18 | 4G205 | DTⅡ03C1211 DTⅡ03C1222 |
| 1000 | Ø108ר159×415 | Ø25×449×18 | 4G305 | DTⅡ04C1223 DTⅡ04C1233 |
| 1200 | Ø108ר176×500 | Ø30×534×22 | 4G306 | DTⅡ05C1224 DTⅡ05C1234 |
| Ø133ר194×500 | Ø30×534×22 | 4G306 | DTⅡ05C1244 | |
| 1400 | Ø108ר176×550 | Ø25×584×18 | 4G305 | DTⅡ06C1223 DTⅡ06C1233 |
| Ø108ר176×550 | Ø30×584×22 | 4G306 | DTⅡ06C1224 DTⅡ06C1234 | |
| Ø133ר194×550 | Ø25×584×18 | 4G305 | DTⅡ06C1243 | |
| Ø133ר194×550 | Ø30×584×22 | 4G306 | DTⅡ06C1244 |
The DTII Taper Roller is designed to support and align conveyor belts, preventing deviation and ensuring smooth, efficient operation in rugged mining environments. Here’s what makes it stand out:
Self-Aligning Conical Design
Features a tapered or conical shape that uses friction and the belt’s natural tension to guide it back to the center, preventing misalignment.
Reduces belt edge wear and damage caused by deviation, especially in long or high-speed conveyors.
Durable Materials
Roller tubes made of Q235 steel (equivalent to SS400/JIS G3101/ASTM A36) for strength under heavy loads.
Shafts crafted from 45# steel (equivalent to DIN C45/JIS S45C/ASTM A1045) for precision and durability.
Optional rubber, polyurethane, or HDPE coatings for corrosion and abrasion resistance in harsh environments.
High-Quality Bearings
Equipped with deep groove ball bearings (6204, 6205, 6305, etc., with C3 clearance, 2RZ/2Z seals) for smooth rotation and long lifespan.
Triple labyrinth seals protect against dust, dirt, and moisture, ideal for mining conditions.
Low Noise and Vibration
Precision manufacturing and balance testing minimize noise and vibration during operation.
Reduces wear on the belt and conveyor frame, extending system longevity.
Corrosion Resistance
Options for zinc plating, baking paint, or epoxy coatings to resist rust in environments like coastal ports.
Rubber or HDPE coatings provide additional durability in abrasive or corrosive conditions.
Customizable Design
Roller diameters from 89mm to 219mm, lengths from 150mm to 2500mm, fitting belts 500mm to 2400mm wide.
Customizable taper angles, coating types, and frame designs to suit specific conveyor setups and material loads.
Standards Compliance
Meets DTII, DTII(A), CEMA (B, C, D, E), JIS, and ISO 9001:2008 standards for quality and safety.
Tested for radial runout (≤0.5mm), axial displacement (≤1.2mm), and rotation resistance (≤3.5N) to ensure reliability.

The DTII Taper Roller is used on the carrying or return side of conveyors to support the belt and correct misalignment, making it ideal for handling heavy or sticky materials in various industries. It’s perfect for these applications:
Mining
Prevents belt deviation in systems transporting coal, iron ore, or copper in underground or open-pit mines.
Suits long-distance conveyors, like a 5 km system in Shanxi, ensuring stable belt tracking.
Cement Plants
Maintains belt alignment when handling sticky cement or clinker, reducing maintenance.
Corrosion-resistant coatings withstand abrasive environments.
Ports and Terminals
Ensures belt alignment during loading/unloading of coal, grain, or aggregates.
Rust-resistant coatings are ideal for salty coastal conditions.
Construction
Corrects belt deviation in systems carrying gravel, sand, or aggregates on job sites.
Works with mobile or fixed conveyors for flexible setups.
Power Plants
Maintains alignment in systems handling coal or ash, preventing spillage.
Designed for dusty, high-tension environments.


| Belt width (mm) | 0.8 | 1.0 | 1.25 | 1.6 | 2.0 | 2.5 | 3.15 | 4 | (4.5) | 5.0 | (5.6) | 6.5 |
| 500 | 69 | 87 | 108 | 139 | 174 | 217 | ||||||
| 650 | 127 | 159 | 198 | 254 | 318 | 397 | ||||||
| 800 | 198 | 248 | 310 | 397 | 496 | 620 | 781 | |||||
| 1000 | 324 | 405 | 507 | 648 | 811 | 1014 | 1278 | 1622 | ||||
| 1200 | 593 | 742 | 951 | 1188 | 1486 | 1872 | 2377 | 2674 | 2971 | |||
| 1400 | 825 | 1032 | 1321 | 1652 | 2065 | 2602 | 3304 | 3718 | 4130 | |||
| 1600 | 2186 | 2733 | 3444 | 4373 | 4920 | 5465 | 6122 | |||||
| 1800 | 2795 | 3494 | 4403 | 5591 | 6291 | 6989 | 7829 | 9083 | ||||
| 2000 | 3470 | 4338 | 5466 | 6941 | 7808 | 8676 | 9717 | 11277 | ||||
| 2200 | 6843 | 8690 | 9776 | 10863 | 12166 | 14120 | ||||||
| 2400 | 8289 | 10526 | 11842 | 13158 | 14737 | 17104 |
Installing DTII Taper Rollers is straightforward with these steps:
Verify Specifications
Ensure the roller’s diameter, length, taper angle, and frame design match your conveyor’s belt and alignment requirements.
Confirm the frame can support the roller’s weight and belt tension.
Position the Rollers
Install taper rollers on the carrying or return side, typically in pairs or sets, spaced 1-3 meters apart based on belt width and load.
Use sturdy frames to secure the rollers, ensuring they align with the belt’s trough angle (20°, 35°, or 45°).
Align the Rollers
Set rollers at a slight angle to the belt’s centerline to enable self-aligning action.
Use a laser level or string line to align rollers with adjacent idlers for consistent tracking.
Inspect Bearings and Seals
Verify bearings are lubricated with lithium soap grease and triple labyrinth seals are intact.
Avoid disturbing seals to maintain dust and water resistance.
Adjust Belt Tension
Set tension to keep the belt taut without overloading the rollers. Use:[ T = \frac{P_p \cdot 1000}{v} ] where (T) is tension (Newtons), (P_p) is power (kilowatts), and (v) is belt speed (meters/second) [].
Test the System
Run the conveyor at low speed with no load to check roller performance, alignment correction, and belt tracking.
Adjust roller positions if the belt drifts or shows uneven wear.
Use trained technicians to meet safety and industry standards.
Document installation details for maintenance records.
Contact us for expert installation support.
Regular care keeps DTII Taper Rollers performing well:
Inspect Regularly: Check rollers, bearings, and frames every 3-6 months for wear or damage.
Lubricate Bearings: Apply lithium soap grease every 6 months to ensure smooth rotation.
Clean Rollers: Remove material buildup to maintain alignment effectiveness.
Check Alignment: Ensure rollers remain correctly angled to prevent belt drift.
Use OEM Parts: Replace with DTII-compliant parts to maintain performance.
Avoid Damage: Do not strike rollers or frames with heavy objects to prevent damage to bearings or seals.
Here’s what users of DTII Taper Rollers say:
Australian Iron Ore Mine
“These conical rollers are a game-changer. Our belts stay aligned, and we’ve cut down on maintenance time.” – Liam Brown, Site Engineer
South African Port Terminal
“The corrosion-resistant coatings are perfect for our coastal environment. These rollers are reliable and low-maintenance.” – Mpho Ndlovu, Logistics Manager
Peruvian Copper Mine
“Our conveyor uptime is up 25% with these taper rollers. They handle tough conditions and keep the belt steady.” – Diego Vargas, Maintenance Supervisor
These testimonials show us deliver reliable, high-quality taper rollers.
1. What’s a DTII Taper Roller?
A conical roller used on the carrying or return side of conveyors to prevent belt deviation and ensure alignment.2. How does it prevent belt deviation?
The tapered shape uses friction and belt tension to guide the belt back to the center, reducing misalignment.3. What’s it made of?
Q235 steel for roller tubes, 45# steel for shafts, with optional rubber, polyurethane, or HDPE coatings for durability.4. How often should I maintain it?
Inspect every 3-6 months, lubricate bearings, clean rollers, and check alignment. Don’t tamper with seals.5. Can it be customized?
Yes, we offer various sizes, taper angles, and coatings to fit your conveyor.6. Where’s it used?
Mining, cement plants, ports, construction, and power plants for handling bulk materials like coal or ore.Address
Luotuo Industrial Area, Zhenhai District, Ningbo City, China
Tel
