Raydafon Technology Group Co.,Limited
Raydafon Technology Group Co.,Limited
Products
Products
Front Cover Rectangular Flange Four Rod Hydraulic Cylinder
  • Front Cover Rectangular Flange Four Rod Hydraulic CylinderFront Cover Rectangular Flange Four Rod Hydraulic Cylinder

Front Cover Rectangular Flange Four Rod Hydraulic Cylinder

Raydafon Group's Front Cover Rectangular Flange Four Rod Hydraulic Cylinder delivers robust precision for industrial machinery. Crafted with durable materials and advanced engineering, it ensures reliable performance in heavy-duty applications like construction and manufacturing. This cylinder excels with its unique four-rod design for superior stability, reducing downtime and enhancing operational efficiency. Ideal for engineers and operators seeking dependable solutions, it transforms workflows with smooth, powerful motion. Experience the difference with Raydafon Group—built to last and engineered for excellence.

Front Cover Rectangular Flange Four Rod Hydraulic Cylinder

The front cover rectangular flange four rod hydraulic cylinder is a cutting-edge component that delivers exceptional performance in various industrial applications. With its innovative design, precise engineering, and robust construction, this hydraulic cylinder offers superior functionality and reliability. This article will explore the key characteristics, usage methods, and maintenance guidelines for the front cover rectangular flange four rod hydraulic cylinder.Essential Characteristics Of Four Rod Hydraulic Cylinder:The front cover rectangular flange four rod hydraulic cylinder boasts several remarkable features that make it a standout product in the hydraulic industry:
  1. Enhanced Stability and Load-Bearing Capacity:
  • The unique rectangular flange design provides superior stability by evenly distributing the load across the cylinder. This design minimizes deflection, ensuring consistent performance even under heavy loads and challenging operating conditions.
  • The increased load-bearing capacity enables the cylinder to handle substantial loads and high forces, ideally suited for demanding industrial applications.
  1. Precise Control and Positioning:
  • The four-rod configuration of the cylinder allows for precise control and positioning of the piston rod. This feature ensures accurate movement and alignment of loads, enabling detailed and synchronized operations.
  • The precise control provided by the cylinder makes it ideal for applications that require exact motion control, such as robotics, material handling, and automation systems.
  1. Durability and Longevity:
  • The Front Cover Rectangular Flange Four Rod Hydraulic Cylinder is built to withstand harsh environments and heavy usage. It is constructed using high-quality materials that offer exceptional strength, durability, and resistance to wear and corrosion.
  • The robust construction of the cylinder ensures longevity and reliable performance, reducing downtime and maintenance costs.
Front Cover Rectangular Flange Four Rod Hydraulic Cylinder

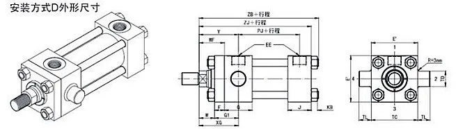
Front Cover Rectangular Flange Four Rod Hydraulic Cylinder Parameter:

Front Cover Rectangular Flange Four Rod Hydraulic CylinderFront Cover Rectangular Flange Four Rod Hydraulic Cylinder

Usage Method Of Front Cover Rectangular Flange Four Rod Hydraulic Cylinder:

The front cover rectangular flange four rod hydraulic cylinder is designed for straightforward integration into various hydraulic systems. Here's a general guide to using the cylinder effectively:
  1. Mounting and Connection:
  • Ensure proper alignment and secure cylinder mounting to the equipment or machinery using suitable bolts or fasteners.
  • Connect the hydraulic lines to the cylinder's inlet and outlet ports, ensuring a secure and leak-free connection. Use appropriate fittings, seals, and thread types as the manufacturer recommends.
  1. Hydraulic Control:
  • Activate the hydraulic system that powers the cylinder by operating the associated hydraulic pump or control valve.
  • Control the cylinder's movement by adjusting the hydraulic flow and pressure using the control valve. This allows for precise positioning and operation of the hydraulic cylinder.

Maintenance Of TD Front Cover Rectangular Flange Four Rod Hydraulic Cylinder:

Proper maintenance of the front cover rectangular flange four rod hydraulic cylinder is vital to ensure optimal performance and extend its lifespan. Consider the following maintenance tips:
  1. Regular Inspection:
  • Periodically inspect the cylinder for any leakage, damage, or excessive wear. Pay attention to seals, rods, and mounting components.
  • Replace any worn or damaged parts promptly to prevent further issues and ensure optimal performance.
  1. Lubrication:
  • Follow the manufacturer's recommendations for lubrication intervals. Apply high-quality hydraulic oil or grease to the rod, seals, and other moving parts.
  • Proper lubrication minimizes friction, reduces wear, and ensures smooth operation of the hydraulic cylinder.
  1. Cleanliness:
  • Keep the cylinder and its surroundings clean and free from dirt, debris, or contaminants affecting performance.
  • Regularly remove accumulated dirt or grime using a mild cleaning agent and a soft cloth.

How To Disassemble A Hydraulic Cylinder?

Disassembling a hydraulic cylinder requires careful attention and adherence to proper procedures to ensure safe and effective disassembly. Here is a step-by-step guide on how to disassemble a hydraulic cylinder:
  1. Preparation and Safety:
  • Ensure you have a clean, organized workspace with ample room to work on the hydraulic cylinder.
  • Wear appropriate personal protective equipment, including safety glasses, gloves, and protective clothing, to protect yourself from hazards.
  1. Release Hydraulic Pressure:
  • Before disassembling the hydraulic cylinder, release the pressure to avoid sudden movements or accidental activation.
  • Open the hydraulic control valve or release the pressure using the appropriate method recommended by the manufacturer.
  1. Remove External Components:
  • Begin by removing external components, such as mounting brackets, clevis pins, or bolts that secure the cylinder to the equipment or machinery.
  • Carefully set aside these components in a safe place for reassembly later.
  1. Remove the Cylinder Cap:
  • Locate the cylinder cap, typically at one end of the cylinder.
  • Use the appropriate tools, such as wrenches or socket sets, to loosen and remove the bolts or fasteners that secure the cylinder cap.
  • Tap the cap to loosen it and carefully remove it from the cylinder.
  1. Extract the Piston Assembly:
  • With the cylinder cap removed, you can access the piston assembly.
  • Carefully slide out the piston assembly from the cylinder barrel. It may be necessary to apply gentle pressure or tap the assembly to loosen it.
  • Do not damage the piston seals or other components as you remove the assembly.
  1. Remove the Piston Rod:
  • After removing the piston assembly, you can now extract the piston rod.
  • Slide the piston rod out of the cylinder barrel, not damaging it or the rod seals.
  • If there are any retaining devices or attachments, such as snap rings or bolts, remove them first before attempting to remove the rod.
  1. Disassemble Additional Components:
  • Depending on the hydraulic cylinder's design, additional components may need to be disassembled.
  • Follow the manufacturer's instructions or guidelines to disassemble any remaining components, such as the gland assembly or rod seals.
  1. Inspection and Cleaning:
  • Inspect all disassembled components for signs of wear, damage, or contamination. Pay special attention to seals, rods, and cylinder walls.
  • Clean the components using an appropriate cleaning solution to remove debris, dirt, or old lubricants. Use lint-free cloths or compressed air to dry the components completely.
  1. Replacement or Repair:
  • If any components show signs of wear or damage, replace them with new ones from a reputable supplier.
  • If necessary, repair or refurbish components as the manufacturer or a qualified professional recommends.
  1. Reassembly:
  • Begin reassembling the hydraulic cylinder by following the reverse order of disassembly.
  • Lubricate the seals and other moving parts with a compatible hydraulic fluid or assembly lubricant to aid reassembly and ensure proper functioning.
  • Ensure all components are properly aligned and fitted together.
  • Tighten all bolts or fasteners to the manufacturer's recommended torque specifications, ensuring a secure assembly.
  1. Testing and Reinstallation:
  • Once the hydraulic cylinder is reassembled, conduct a thorough inspection to ensure all components are properly aligned and fitted together.
  • Reinstall the hydraulic cylinder into the equipment or machinery, following any specific instructions provided by the manufacturer.
  • Reconnect the hydraulic lines, ensuring all connections are secure and leak-free.
  • Test the hydraulic cylinder for proper function and operation, checking for any leaks, abnormal noises, or other issues during operation.

China Hydraulic Cylinder Manufacturers:

Raydafon is a company in the R&D and manufacture of four rod hydraulic cylinders. It maintains a leading position in the market segment of hydraulic cylinders for forklifts in China. In 2020, the domestic market share was around 29%. We produce Industrial vehicle heavy rod hydraulic cylinders, Aerial work vehicle heavy rod hydraulic cylinders, Agricultural Machinery hydraulic cylinders, and Sanitation machinery hydraulic cylinders.We have a first-class independent R&D platform for assembly. The four rod hydraulic cylinder production workshop has four semi-automatic lifting cylinder assembly lines and one fully automatic tilting cylinder assembly line, with a designed annual production capacity of 1 million pieces; the special cylinder workshop is equipped with semi-automatic cleaning and assembly systems of various specifications, with a designed annual production capacity of 200,000 essays. It has famous CNC machining equipment, machining centers, special equipment for high-precision cylinder processing, robot welding machines, automatic cleaning machines, automatic cylinder assembly machines, and automatic paint production lines. We have more than 300 sets of critical equipment running. The optimized allocation and efficient utilization of equipment resources ensure the precision requirements of the products and meet the high standard quality requirements of the products.
Front Cover Rectangular Flange Four Rod Hydraulic CylinderFront Cover Rectangular Flange Four Rod Hydraulic Cylinder
Hot Tags: Rectangular Flange Hydraulic Cylinder, Four Rod Hydraulic Cylinder Supplier, Custom Hydraulic Cylinder Manufacturer
Send Inquiry
Contact Info
Get customized quotes for transmission components, gearboxes, and machinery. Our engineers will respond within 24 hours.
Online
X
We use cookies to offer you a better browsing experience, analyze site traffic and personalize content. By using this site, you agree to our use of cookies. Privacy Policy
Reject Accept