GGB-AA/AAL Four Direction Equal Load Ball LM Guide
The GGB-AA/AAL four friction equal load, ball LM guide is a cutting-edge linear motion system designed to provide exceptional performance in a wide range of industrial applications. This innovative product offers precise and reliable linear motion, making it an ideal choice for industries that require smooth and accurate movement.



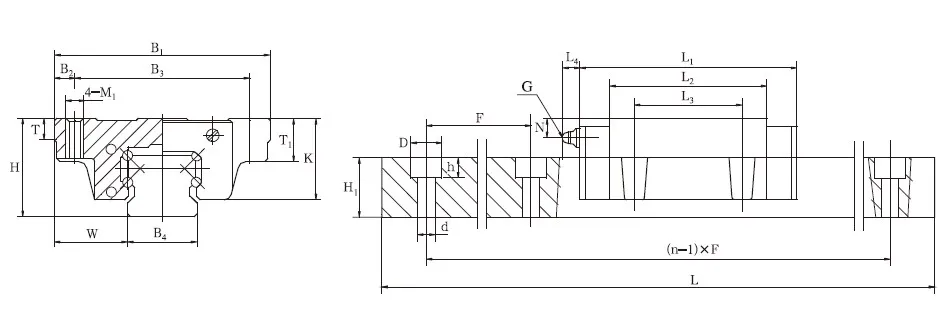
The accuracy and inspection method is according to the machinery industry standard of the People's Republic of China JB/T715.4-2006<Rolling linear guide: Acceptance Specification>, equal to the foreign competitor's standard.Accuracy grade is classified as six grades:i.e.1,2,3,4,5 and 6. Grade 1 is the highest accuracy, and accuracy grades go down step by step. For testing items and permission tolerance, see tab.2(those shown in the table below indicate GGB type; others refer to GGB)
Notes:1. The rail raceway is finished by fixing the rail with bolts on a particular fixture during grinding. The curve will possibly occur in a free state. So, the rail should be set on a unique table to measure and inspect.2. When some blocks exceed two, testing items of both No.4 and No.5 are unnecessary for middle blocks, but the value W1 of medium blocks should be less than that of both ends.




Procedure of rail installation(see Fig-7)
Mounting methods of master guide(two methods shown below):<1>.Use the U-type collet to tighten the side datum plane of the rail and bed, then tighten the mounting bolts(mated screw thread recommended)in sequence with the specified torque. (refer to Fig-8)<2>. When there is no bed, fix one end of the linear guideway and use a dial gauge and a straight edge to confirm the straightness of the side datum plane of the rail from one end to the other. Tighten the mounting bolts in sequence.
Mounting methods of subsidiary LMG:As shown in fig-10, fix the magnet watch based on the block of the master guide, the pointer of dial gauge contacts on the side datum surface of the subsidiary guide, read the parallelism from one end, and tighten the subsidiary guide in sequence. In addition, methods shown in fig.8 and fig-9 could be referred to.
Distinguish of Joint guide:When using the joint guide, we use the same English capital letter to represent the same series guide, and the consecutive Arabic number represents the joint sequence. Two sides (head joint with head)with the same Arabic letter(see fig-11)
When tightening the bolts, suggest using a constant torque wrench.The recommended torque value is shown in Tab-11
If the working condition worsens with enough room beside the seal fail, the dustproof bellows can be added. (see fg-12)


Address
Luotuo Industrial Area, Zhenhai District, Ningbo City, China
Tel
