Grader Driven Rake Gearbox RDF-DX300-1 for Powered Harrow
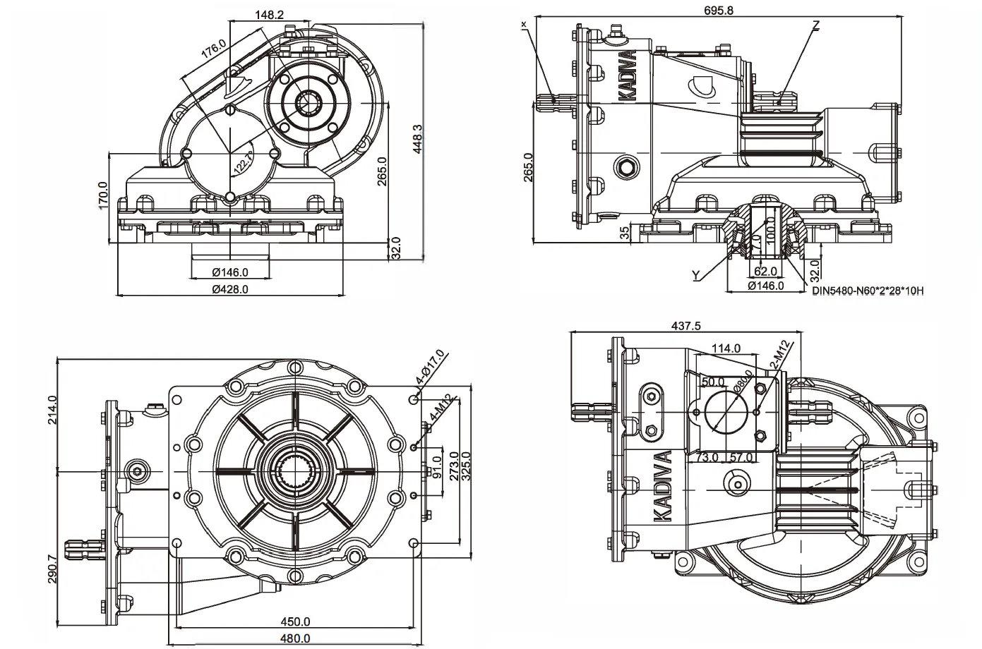
The Grader Driven Rake Gearbox RDF-DX300-1 is a specialized component designed for powered harrows used in agricultural applications. It plays a crucial role in transmitting power from the grader to the rake, enabling efficient soil cultivation and preparation. Powered harrows are implements used for seedbed preparation and weed control in fields. They consist of a series of horizontal rotating tines or blades mounted on a frame. These blades work to break up and level the soil, creating a fine and smooth seedbed for planting.The RDF-DX300-1 Grader Driven Rake Gearbox is specifically designed to connect the grader to the rake of the powered harrow. It serves as the intermediary mechanism between the power source (usually a grader or tractor) and the rotating blades of the harrow. The gearbox is responsible for transmitting power, converting rotational motion, and providing the necessary torque to drive the rake effectively.The RDF-DX300-1 gearbox is designed to withstand the demanding conditions of agricultural operations. It is typically made from high-quality materials and undergoes rigorous testing to ensure reliability and durability. When using a powered harrow with the RDF-DX300-1 gearbox, operators can expect improved efficiency and effectiveness in soil cultivation. The gearbox enables the grader or tractor to provide the necessary power and rotational motion to drive the rake, resulting in a well-prepared seedbed for planting crops.


| i | Suitable | Rpm input | Rpm output | KW(Nom) | KW(Max) | Toothing | |
| r/min | r/min | hp | hp | ||||
| Decelerate | 2.47:1 | Powered Harrow | 1000 | 404 | 200 | 3500 | Gleason HelicalTeeth |
| Decelerate | 2.63:1 | 1000 | 380 | 3700 | |||
| Decelerate | 2.04:1 | 850 | 416 | 3400 | |||
| Remark: If you have any special require feel free let me know, we also accept custom. | |||||||




![]() | ![]() |
![]() | ![]() |
Address
Luotuo Industrial Area, Zhenhai District, Ningbo City, China
Tel
