Hydraulic Cutter Gearbox – Replacement of Comer Code A-640A
The hydraulic cutter gearbox A-640A is a device that is designed to operate the cutting blades of a hydraulic cutter. The gearbox serves as a power transmission system that allows the cutter to convert hydraulic energy into rotational force to drive the blades. The gearbox contains a series of gears and bearings that are designed to handle high levels of torque and provide smooth and reliable power transmission. It is commonly used in industries such as construction, mining, and agriculture, where cutting through tough materials is necessary. The hydraulic cutter gearbox is essential in providing efficient and effective cutting operations in these industries, making it an important component of heavy machinery.

| i | 3.82 |
| N1[rpm] | 540 |
| P1[kW] | 55.9 |
| M2[Nm] | 252 |
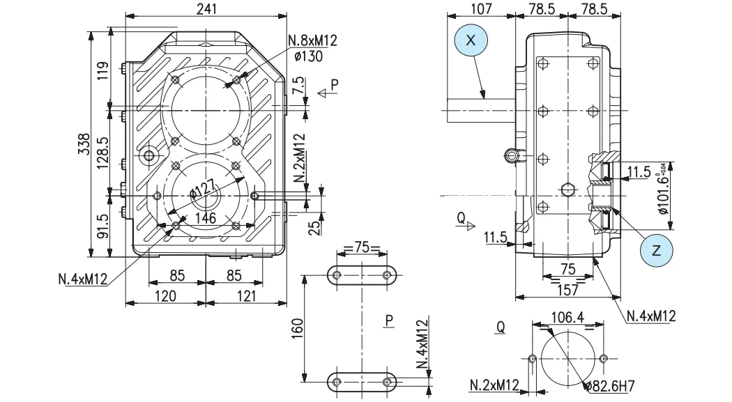
Shaft X![]() | 1'' 3/8 Z6 |
Shaft Z![]() | 16/32'' DP Z13 |
| Input | X |

Address
Luotuo Industrial Area, Zhenhai District, Ningbo City, China
Tel
