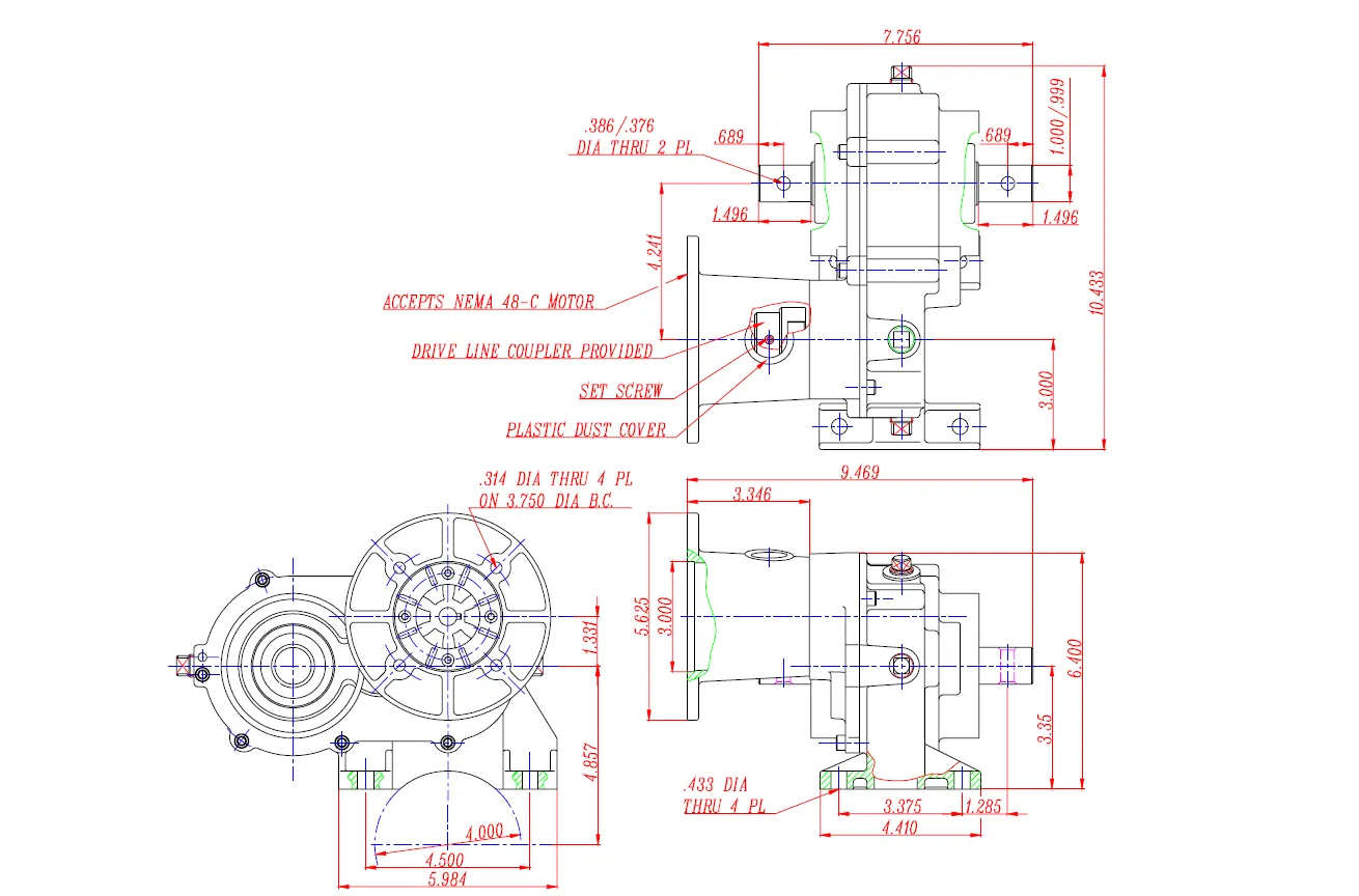
Irrigation Center-Drive Gearbox SYF-4 Series
The SYF-4 Series Irrigation Center-Drive Gearbox is a specialized component used in irrigation systems to drive the center pivot or linear irrigation machines. It is designed to provide reliable and efficient power transmission, ensuring smooth operation and precise control of the irrigation system.The SYF-4 Series gearbox is specifically engineered to meet the demanding requirements of agricultural irrigation applications. It offers high torque capacity and durability to withstand the harsh operating conditions typically encountered in the field. The gearbox is capable of handling heavy loads and is designed to operate efficiently even under continuous use.One of the key features of the SYF-4 Series irrigation center-drive gearbox is its compact and robust design. It is constructed using high-quality materials that provide excellent strength and resistance to wear and tear. The gearbox is also designed to be weatherproof, protecting it from the elements and ensuring reliable performance in various environmental conditions.The irrigation gearbox incorporates precision gears and bearings to ensure smooth and reliable power transmission. It is equipped with a high-performance motor that delivers sufficient torque to drive the irrigation system effectively. The gearbox's design also minimizes energy losses, maximizing the overall efficiency of the irrigation system.


![]() | ![]() |


![]() | ![]() |
![]() | ![]() |
Address
Luotuo Industrial Area, Zhenhai District, Ningbo City, China
Tel
