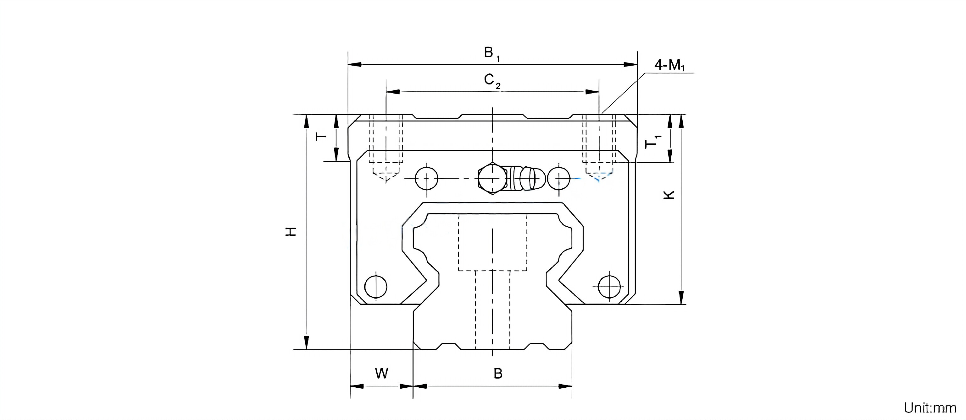
Linear Guideway for LG-ZL(Ball Style)
Linear guideways provide linear motion by circulating rolling elements between the profiled guide and the bearing housing. Compared with conventional slide rails, linear guides have a friction coefficient of only 1/50 and can withstand loads in all directions. These features, linear guideways, can achieve high precision and significantly improve movement accuracy.









Address
Luotuo Industrial Area, Zhenhai District, Ningbo City, China
Tel
