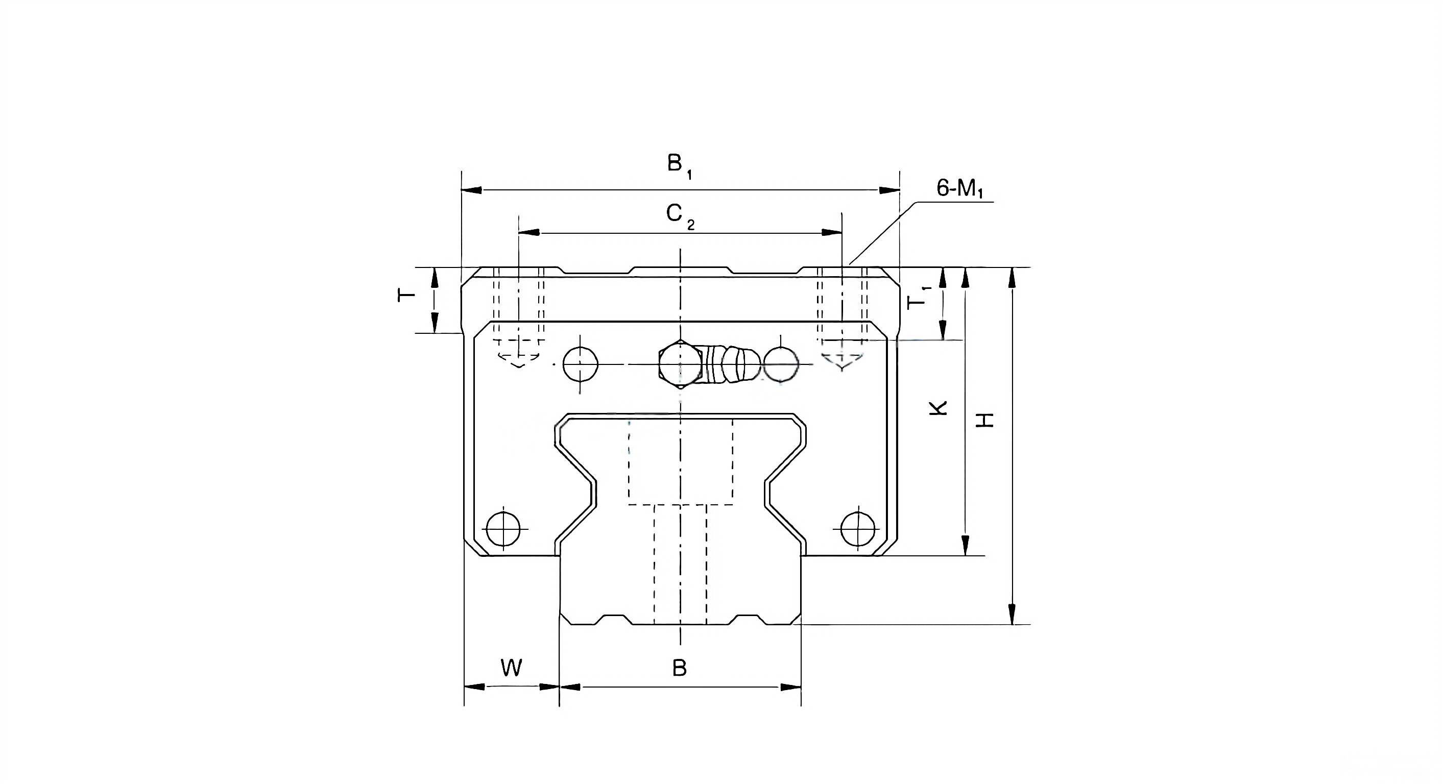
Linear Guideway for LZG-ZL(Roller Style)
We offer a wide range of products for linear guides, each series with different sizes, load capacity, accuracy, and more options. Silver's products range from miniature guides for small applications and low-profile bearings for size constraints to large products for heavy loads requiring high rigidity. Shangyin's guide blocks are available in ball bearing and roller bearing types to meet various industrial needs.









Address
Luotuo Industrial Area, Zhenhai District, Ningbo City, China
Tel
