MH Couplings
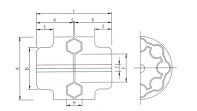
MH series is a flexible coupling built based on synthetic rubber with two similar bodies of cast iron. The high-quality cast iron flange is mainly used for power transmission and for the protection of flexible rubber. Its flexible rubber offers excellent durability and quality coupling performance. MH couplings consist of two flanges and elastic rings, capable of compensating for all types of shaft misalignment. The elastic ring is made of synthetic rubber with a steel core reinforcement to increase the reliability and maximum operating speed of the coupling. The damping properties of the rubber absorb and suppress torsional vibrations and operate effectively in the temperature range of -40 to +100 °C. Rubber is also resistant to oil, dirt, grease, moisture, ozone and many chemical solvents.
In addition, the low-noise system runs smoothly and the MH coupling is easy to install and simple to maintain. It is also suitable for applications such as pumps, fans, compressors, vehicles, transportation equipment, construction workers, cement mixers, tractors, transmission machinery, metalworking machinery, road rollers, etc.
Flange: Material is gray cast iron (FC200).Elastic body: Standard type consisting of synthetic rubber alone and super type (MHP type) consisting of synthetic rubber with an iron core for reinforcement.The China MH Coupling that we produce has great flexibility and excellent shock mitigation performance. They are also easy to install and maintenance-free.![]() | ![]() | |
![]() | ||
| ![]() |
Address
Luotuo Industrial Area, Zhenhai District, Ningbo City, China
Tel
