The RDF-SSRV040 Stainless Steel Worm Gearbox is a series of gearboxes that share the same installation dimensions and selection as the NMRV gearbox. The only difference is that the RDF-SSRV040 gearbox features a 304 precision cast flange housing and a 304 wheel core. The worm material is made of 12-2 tin bronze, and it uses fully synthetic worm gear oil. The surface of the gearbox is electrolytically polished, making it resistant to corrosion and easy to clean. With a wide range of speed ratios and high torque, this gearbox is suitable for multi-directional installation.

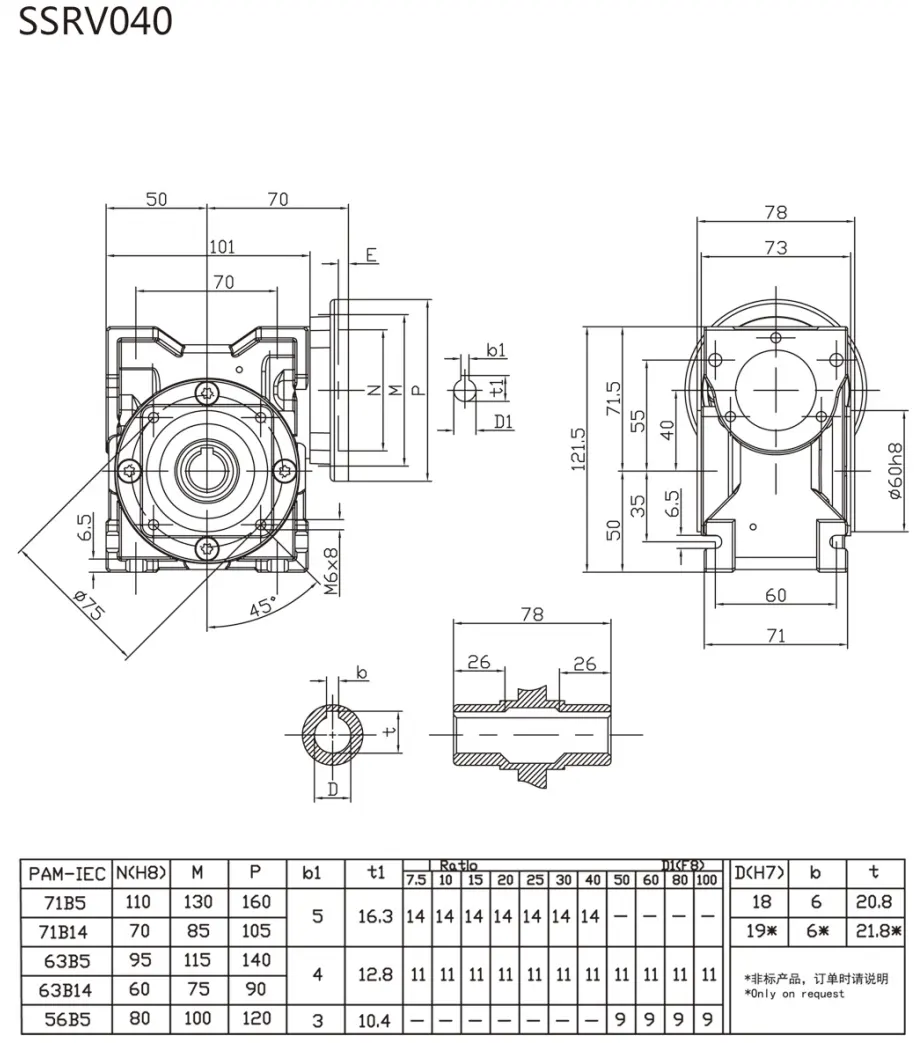
The following image shows the installation dimensions for this product:

The output flange dimension of RDF-SSRV040 Stainless Steel Worm Gearbox is as follows:

The output shaft of the RDF-SSRV040 Stainless Steel Worm Gearbox is made of 304 material. Please refer to the following image for more details:

The RDF-SSRV040 Stainless Steel Worm Gearbox is equipped with a sturdy torque arm to ensure stable and reliable performance. The torque arm is designed to provide additional support and prevent the gearbox from rotating during operation. Made from high-quality stainless steel material, the torque arm is resistant to corrosion and can withstand harsh operating conditions. See the image below for a visual representation of the SSRV series stainless steel worm gearbox torque arm.

The RDF-SSRV040 Stainless Steel Worm Gearbox is widely used in various industries and applications, including:



Our company not only provides stainless steel gearboxes, but also offers a wide range of stainless steel motors that are perfectly compatible with the RDF-SSRV040 Stainless Steel Worm Gearbox. These motors are designed to deliver reliable performance and durability in various applications.

RDF-SSRV040 Stainless Steel Worm Gearbox is a product offered by our company (Raydafon), and we take great pride in its unique selling points. Our company stands out in terms of product quality and service, among other advantages.
Our stainless steel reducers are manufactured using high-quality materials, ensuring durability and reliability. They are resistant to corrosion and can withstand harsh environmental conditions. This makes them a perfect choice for various industries that require strong and long-lasting reducers.
In addition to stainless steel reducers, Raydafon also offers a wide range of other non-standard reducers for sale. These include reducers for fully automatic car wash machines, fountain systems, snow blowers, and more. Our extensive selection caters to the diverse needs of our customers, ensuring that they can find the perfect solution for their specific applications.
At Raydafon, we are committed to providing excellent customer service. Our knowledgeable and experienced team is always ready to assist customers with their inquiries and guide them in choosing the right products. We strive to exceed our customers' expectations and build long-term relationships based on trust and satisfaction.

Address
Luotuo Industrial Area, Zhenhai District, Ningbo City, China
Tel
