Round Baler Gearbox – Replacement of Comer Code T-290HD
The round baler gearbox usually consists of several gears and shafts that work together to transfer the power from the tractor's PTO (power take-off) to the baler's components. The gearbox allows the operator to adjust the speed and torque of the baler's components, which is crucial for producing a properly formed bale.

| i | 1.63/3.0 |
| N1[rpm] | 540/1000 |
| P1[kW] | 78/58 |
| M2[Nm] | 2180/1694 |
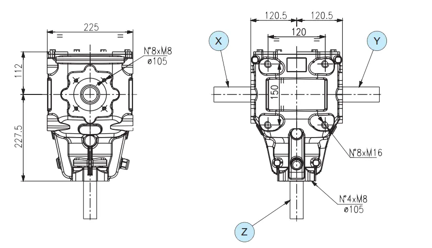
Shaft X![]() | 40*2*18 |
Shaft Y![]() | 40*2*18 |
Shaft Z![]() | 1'' 3/8 Z6 |
| Input | Z |
![]() | ![]() |
Address
Luotuo Industrial Area, Zhenhai District, Ningbo City, China
Tel
