The SNU-U Worm Gear Unit is a high-quality replacement product for the Elecon SNU Modular Universal Mounting series. It is designed with large ribs to increase the heat dissipation area. The streamlined oil sump can hold more oil, while the larger capacity fan improves the thermal rating of the gearbox. These features result in increased continuous load capacity without a significant rise in temperature. The fan and fan cover can be easily replaced from one end of the worm shaft to the other without the need to open the gearbox manually. Our company offers the Elecon brand replacement worm gearbox, which is of superior quality and offered at a competitive price. It is important to note that our products are replacement parts and not original equipment. For the purchase of original equipment, please contact the original supplier.

The gearbox casing is designed with a streamlined structure, providing a sturdy housing made of fine-grain cast iron. It is completely oil and dust-proof, eliminating the need for separate covers when installed outdoors. The surface and bores are precisely drilled and machined using the latest precision machinery to ensure perfect alignment and interchangeability.
The worm is made of carburized alloy steel that goes through grinding and polishing processes and is integrally connected to the shaft. The bearing journal of the shaft undergoes precision grinding. The worm wheel is made of centrifugal cast phosphor bronze and the worm is machined on a dedicated worm milling machine, followed by gas carburizing and grinding on an automatic workpiece grinder. The worm wheel is hobbed using a high-precision gear hobbing machine. Each worm wheel is inspected and matched with the main worm to ensure complete interchangeability.
The worm and worm wheel are supported by ball or roller anti-friction bearings, which provide sufficient safety margins to withstand the required shaft and thrust loads. Cantilever loads generated by chain or small gear drives are generally permissible as the gearbox and bearings are designed for such loads. However, complete detailed information should be provided for confirmation. Additional roller bearings can be provided in cases of heavy cantilever loads.
The shafts are made of high-strength carbon steel. The larger shaft diameter allows it to withstand torsional and bending loads caused by cantilever drives.



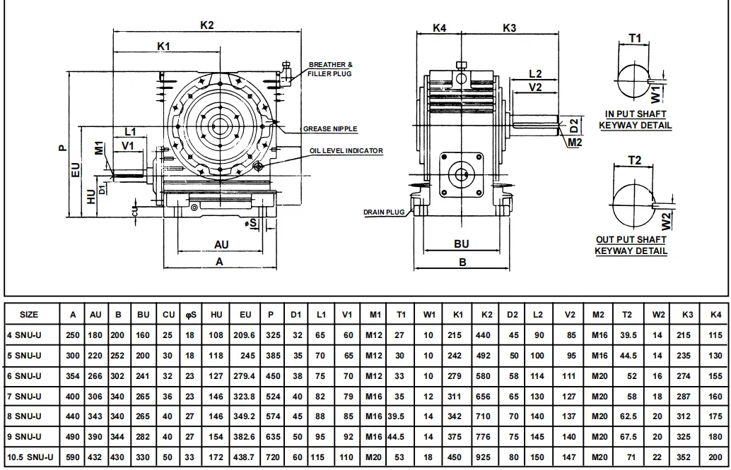
The single-piece universal housing comes with top and bottom flanges and also provides a support flange, allowing the gearbox to be installed in various positions, such as low speed, high speed, and vertical. Therefore, the internal components are interchangeable for all installation positions. Simply invert the device and change the positions of the drain plug, vent plug, and oil level indicator to quickly switch between installation positions. The robust and compact streamlined design ensures sufficient heat capacity.

| Issue | Cause | Solution |
| 1. Overheating | Insufficient lubrication | Check lubrication system and ensure proper lubrication |
| 2. Excessive noise | Worn gears or bearings | Inspect and replace worn components |
| 3. Leakage of oil | Damaged seals or gaskets | Replace damaged seals or gaskets |
| 4. Vibration | Misalignment of components | Align components properly |
| 5. Reduced efficiency | Worn gears or insufficient lubrication | Inspect and replace worn components, ensure proper lubrication |

Our company offers high-quality replacement worm gear units for Elecon brand, ensuring excellent performance and reliability. We take pride in providing superior products at competitive prices. Please note that our products are replacement parts and not original equipment. For original equipment purchases, we recommend contacting the original supplier. We also welcome custom orders based on your specific requirements. Feel free to explore our product range and contact us for further information or to make a purchase.

Electric motors play a crucial role in the operation of worm reducers. They provide the necessary power to drive the worm gearbox and ensure smooth and efficient operation. We offer a wide range of high-quality electric motors that are compatible with our worm reducers. Our motors are designed to work seamlessly with our gear units, providing optimal performance and longevity.

As a comprehensive transmission equipment manufacturer, Raydafon specializes in the research, development, manufacturing, and sales of speed reducers. With over 20 years of experience, we have established ourselves as
Address
Luotuo Industrial Area, Zhenhai District, Ningbo City, China
Tel
