
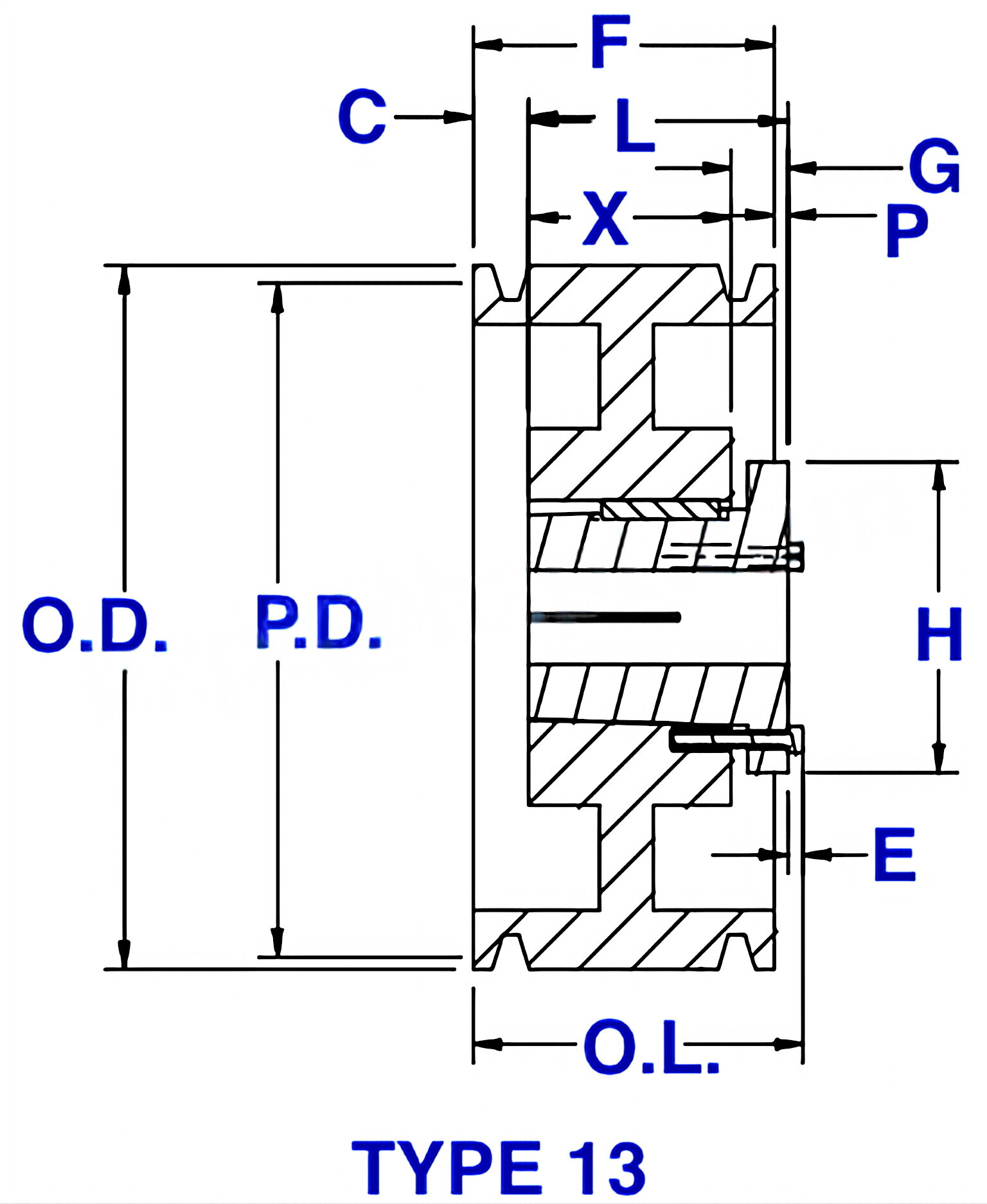
Size | Bushing Type | Pitch Diameter | Outside Diameter | Type | (O.L.) | (L) | (P) | (C) | (H) | (F) | (G) | (X) | (E) | Sheave Weight (LBS) |
|---|---|---|---|---|---|---|---|---|---|---|---|---|---|---|
| 2TC70 | Q1 | 7" | 7.4" | 13 | 3 1/32" | 2 1/2" | 1/2" | 1/4" | 4 1/8" | 2 1/4" | 3/4" | 1 3/4" | 9/32" | 14 |
| 2TC72 | Q1 | 7.2" | 7.6" | 13 | 3 1/32" | 2 1/2" | 1/2" | 1/4" | 4 1/8" | 2 1/4" | 3/4" | 1 3/4" | 9/32" | 15.4 |
| 2TC74 | Q1 | 7.4" | 7.8" | 13 | 3 1/32" | 2 1/2" | 1/2" | 1/4" | 4 1/8" | 2 1/4" | 3/4" | 1 3/4" | 9/32" | 16.6 |
| 2TC76 | Q1 | 7.6" | 8" | 13 | 3 1/32" | 2 1/2" | 1/2" | 1/4" | 4 1/8" | 2 1/4" | 3/4" | 1 3/4" | 9/32" | 17.6 |
| 2TC78 | Q1 | 7.8" | 8.2" | 13 | 3 1/32" | 2 1/2" | 1/2" | 1/4" | 4 1/8" | 2 1/4" | 3/4" | 1 3/4" | 9/32" | 14.1 |
| 2TC80 | Q1 | 8" | 8.4" | 13 | 3 1/32" | 2 1/2" | 1/2" | 1/4" | 4 1/8" | 2 1/4" | 3/4" | 1 3/4" | 9/32" | 14.3 |
| 2TC82 | Q1 | 8.2" | 8.6" | 13 | 3 1/32" | 2 1/2" | 1/2" | 1/4" | 4 1/8" | 2 1/4" | 3/4" | 1 3/4" | 9/32" | 14.8 |
| 2TC84 | Q1 | 8.4" | 8.8" | 13 | 3 1/32" | 2 1/2" | 1/2" | 1/4" | 4 1/8" | 2 1/4" | 3/4" | 1 3/4" | 9/32" | 16.4 |
| 2TC86 | Q1 | 8.6" | 9" | 13 | 3 1/32" | 2 1/2" | 1/2" | 1/4" | 4 1/8" | 2 1/4" | 3/4" | 1 3/4" | 9/32" | 16.1 |
| 2TC88 | Q1 | 8.8" | 9.2" | 13 | 3 1/32" | 2 1/2" | 1/2" | 1/4" | 4 1/8" | 2 1/4" | 3/4" | 1 3/4" | 9/32" | 17.1 |
| 2TC90 | Q1 | 9" | 9.4" | 13 | 3 1/32" | 2 1/2" | 1/2" | 1/4" | 4 1/8" | 2 1/4" | 3/4" | 1 3/4" | 9/32" | 16.8 |
| 2TC92 | Q1 | 9.2" | 9.6" | 13 | 3 1/32" | 2 1/2" | 1/2" | 1/4" | 4 1/8" | 2 1/4" | 3/4" | 1 3/4" | 9/32" | 18.4 |
| 2TC94 | Q1 | 9.4" | 9.8" | 13 | 3 1/32" | 2 1/2" | 1/2" | 1/4" | 4 1/8" | 2 1/4" | 3/4" | 1 3/4" | 9/32" | 19.1 |
| 2TC96 | Q1 | 9.6" | 10" | 13 | 3 1/32" | 2 1/2" | 1/2" | 1/4" | 4 1/8" | 2 1/4" | 3/4" | 1 3/4" | 9/32" | 20.6 |
| 2TC98 | Q1 | 9.8" | 10.2" | 13 | 3 1/32" | 2 1/2" | 1/2" | 1/4" | 4 1/8" | 2 1/4" | 3/4" | 1 3/4" | 9/32" | 19.5 |
| 2TC100 | Q1 | 10" | 10.4" | 13 | 3 1/32" | 2 1/2" | 1/2" | 1/4" | 4 1/8" | 2 1/4" | 3/4" | 1 3/4" | 9/32" | 22 |
| 2TC102 | Q1 | 10.2" | 10.6" | 13 | 3 1/32" | 2 1/2" | 1/2" | 1/4" | 4 1/8" | 2 1/4" | 3/4" | 1 3/4" | 9/32" | 21.3 |
| 2TC106 | Q1 | 10.6" | 11" | 13 | 3 1/32" | 2 1/2" | 1/2" | 1/4" | 4 1/8" | 2 1/4" | 3/4" | 1 3/4" | 9/32" | 22.4 |
| 2TC110 | Q1 | 11" | 11.4" | 13 | 3 1/32" | 2 1/2" | 1/2" | 1/4" | 4 1/8" | 2 1/4" | 3/4" | 1 3/4" | 9/32" | 22.4 |
| 2TC114 | Q1 | 11.4" | 11.8" | 13 | 3 1/32" | 2 1/2" | 1/2" | 1/4" | 4 1/8" | 2 1/4" | 3/4" | 1 3/4" | 9/32" | 23.5 |
| 2TC120 | Q1 | 12" | 12.4" | 13 | 3 1/32" | 2 1/2" | 1/2" | 1/4" | 4 1/8" | 2 1/4" | 3/4" | 1 3/4" | 9/32" | 24.9 |
| 2TC130 | Q1 | 12" | 12.4" | 13 | 3 1/32" | 2 1/2" | 1/2" | 1/4" | 4 1/8" | 2 1/4" | 3/4" | 1 3/4" | 9/32" | 28.6 |
| 2TC160 | Q1 | 16" | 16.4" | 13 | 3 1/32" | 2 1/2" | 1/2" | 1/4" | 4 1/8" | 2 1/4" | 3/4" | 1 3/4" | 9/32" | 36 |
| 2TC200 | Q1 | 20" | 20.4" | 13 | 3 1/32" | 2 1/2" | 1/2" | 1/4" | 4 1/8" | 2 1/4" | 3/4" | 1 3/4" | 9/32" | 46 |
| 2TC240 | Q1 | 24" | 24.4" | 13 | 3 1/32" | 2 1/2" | 1/2" | 1/4" | 4 1/8" | 2 1/4" | 3/4" | 1 3/4" | 9/32" | 59.5 |
| Series | TC-STB Series |
| Material | cast iron G3000 |
| Surface Treatment | Black Oxide, E-coat, phosphating blacking, powder coating, painting, and Other coatings available upon request |
| Machining Process | Forging and Machining, Precision Machining and Large Machining,Investment Casting of Lost Wax, Pressure Die |
| Heat Treatment | Quenching & Tempering, Carburizing & Quenching,High-frequency Hardening, Carbonitriding |
| Inspection | Raw material, bath analysis, blank physical and chemical analysis, First check, metallography hardness permeating layer, semi-finished product inspection, Adhesion test, finished product inspection |
| Standard | European Standard & American Standard |
| Balance | Static & Dynamic Balance |
![]() | ![]() |
Mining machinery | Oil and gas |




Address
Luotuo Industrial Area, Zhenhai District, Ningbo City, China
Tel
