
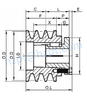
| Size | Bushing Type | Pitch Diameter | Outside Diameter | Type | (O.L.) | (L) | (P) | (C) | (H) | (F) | (G) | (X) | (E) | Sheave Weight (LBS) |
|---|---|---|---|---|---|---|---|---|---|---|---|---|---|---|
| 3TC70 | Q1 | 7" | 7.4" | 13 | 3 17/32" | 2 1/2" | 0" | 3/4" | 4 1/8" | 3 1/4" | 3/4" | 1 3/4" | 9/32" | 16.8 |
| 3TC72 | Q1 | 7.2" | 7.6" | 13 | 3 17/32" | 2 1/2" | 0" | 3/4" | 4 1/8" | 3 1/4" | 3/4" | 1 3/4" | 9/32" | 18 |
| 3TC74 | Q1 | 7.4" | 7.8" | 13 | 3 17/32" | 2 1/2" | 0" | 3/4" | 4 1/8" | 3 1/4" | 3/4" | 1 3/4" | 9/32" | 19.1 |
| 3TC76 | Q1 | 7.6" | 8" | 13 | 3 17/32" | 2 1/2" | 0" | 3/4" | 4 1/8" | 3 1/4" | 3/4" | 1 3/4" | 9/32" | 21.3 |
| 3TC78 | Q1 | 7.8" | 8.2" | 13 | 3 17/32" | 2 1/2" | 0" | 3/4" | 4 1/8" | 3 1/4" | 3/4" | 1 3/4" | 9/32" | 17.4 |
| 3TC80 | Q1 | 8" | 8.4" | 13 | 3 17/32" | 2 1/2" | 0" | 3/4" | 4 1/8" | 3 1/4" | 3/4" | 1 3/4" | 9/32" | 17.8 |
| 3TC82 | Q1 | 8.2" | 8.6" | 13 | 3 17/32" | 2 1/2" | 0" | 3/4" | 4 1/8" | 3 1/4" | 3/4" | 1 3/4" | 9/32" | 17.9 |
| 3TC84 | Q1 | 8.4" | 8.8" | 13 | 3 17/32" | 2 1/2" | 0" | 3/4" | 4 1/8" | 3 1/4" | 3/4" | 1 3/4" | 9/32" | 20.4 |
| 3TC86 | Q1 | 8.6" | 9" | 13 | 3 17/32" | 2 1/2" | 0" | 3/4" | 4 1/8" | 3 1/4" | 3/4" | 1 3/4" | 9/32" | 19.5 |
| 3TC88 | Q1 | 8.8" | 9.2" | 13 | 3 17/32" | 2 1/2" | 0" | 3/4" | 4 1/8" | 3 1/4" | 3/4" | 1 3/4" | 9/32" | 22.5 |
| 3TC90 | Q1 | 9" | 9.4" | 13 | 3 17/32" | 2 1/2" | 0" | 3/4" | 4 1/8" | 3 1/4" | 3/4" | 1 3/4" | 9/32" | 20.4 |
| 3TC92 | Q1 | 9.2" | 9.6" | 13 | 3 17/32" | 2 1/2" | 0" | 3/4" | 4 1/8" | 3 1/4" | 3/4" | 1 3/4" | 9/32" | 22.8 |
| 3TC94 | Q1 | 9.4" | 9.8" | 13 | 3 17/32" | 2 1/2" | 0" | 3/4" | 4 1/8" | 3 1/4" | 3/4" | 1 3/4" | 9/32" | 23 |
| 3TC96 | Q1 | 9.6" | 10" | 13 | 3 17/32" | 2 1/2" | 0" | 3/4" | 4 1/8" | 3 1/4" | 3/4" | 1 3/4" | 9/32" | 25.3 |
| 3TC98 | Q1 | 9.8" | 10.2" | 13 | 3 17/32" | 2 1/2" | 0" | 3/4" | 4 1/8" | 3 1/4" | 3/4" | 1 3/4" | 9/32" | 24.4 |
| 3TC100 | Q1 | 10" | 10.4" | 13 | 3 17/32" | 2 1/2" | 0" | 3/4" | 4 1/8" | 3 1/4" | 3/4" | 1 3/4" | 9/32" | 27.6 |
| 3TC102 | Q1 | 10.2" | 10.6" | 13 | 3 17/32" | 2 1/2" | 0" | 3/4" | 4 1/8" | 3 1/4" | 3/4" | 1 3/4" | 9/32" | 24.9 |
| 3TC106 | Q1 | 10.6" | 11" | 13 | 3 17/32" | 2 1/2" | 0" | 3/4" | 4 1/8" | 3 1/4" | 3/4" | 1 3/4" | 9/32" | 26.9 |
| 3TC110 | Q1 | 11" | 11.4" | 13 | 3 17/32" | 2 1/2" | 0" | 3/4" | 4 1/8" | 3 1/4" | 3/4" | 1 3/4" | 9/32" | 27.4 |
| 3TC114 | Q1 | 11.4" | 11.8" | 13 | 3 17/32" | 2 1/2" | 0" | 3/4" | 4 1/8" | 3 1/4" | 3/4" | 1 3/4" | 9/32" | 28.3 |
| 3TC120 | Q1 | 12" | 12.4" | 13 | 3 17/32" | 2 1/2" | 0" | 3/4" | 4 1/8" | 3 1/4" | 3/4" | 1 3/4" | 9/32" | 30.3 |
| 3TC130 | Q1 | 13" | 13.4" | 13 | 3 17/32" | 2 1/2" | 0" | 3/4" | 4 1/8" | 3 1/4" | 3/4" | 1 3/4" | 9/32" | 34.9 |
| 3TC160 | Q1 | 16" | 16.4" | 13 | 3 17/32" | 2 1/2" | 0" | 3/4" | 4 1/8" | 3 1/4" | 3/4" | 1 3/4" | 9/32" | 46 |
| 3TC200 | Q1 | 20" | 20.4" | 13 | 3 17/32" | 2 1/2" | 0" | 3/4" | 4 1/8" | 3 1/4" | 3/4" | 1 3/4" | 9/32" | 54.5 |
| 3TC240 | Q1 | 24" | 24.4" | 13 | 3 17/32" | 2 1/2" | 0" | 3/4" | 4 1/8" | 3 1/4" | 3/4" | 1 3/4" | 9/32" | 71 |





Address
Luotuo Industrial Area, Zhenhai District, Ningbo City, China
Tel
