3V Series Cast Iron Six-Groove Sheaves with Split Taper Bushings
3V series six-groove taper bushed sheaves are manufactured for 3V, 3VX, banded 3V, and banded 3VX belts. They range from 2.65" to 33.50" in diameter. Depending on the sheave size, they are made to use a Q1, or R1 split-taper bushing, which we also stock. Most of our six-groove 3V split taper sheaves are manufactured from a high-strength grade 35 cast iron, are phosphate-coated, and are painted for anti-corrosion. All of them are balanced at the factory for smooth machinery operation.

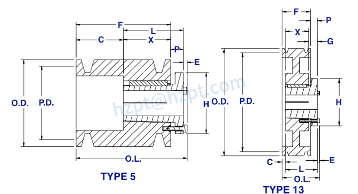
Size | Bushing Type | Pitch Diameter | Outside Diameter | Type | (O.L.) | (L) | (P) | (C) | (H) | (F) | (G) | (X) | (E) | Sheave Weight (LBS) |
|---|---|---|---|---|---|---|---|---|---|---|---|---|---|---|
| 6Q3V47 | Q1 | 4.70" | 4.75" | 5 | 3 3/4 | 2 1/2 | 3/4 | 31/32 | 4 1/8 | 2 23/32 | - | 1 3/4 | 9/32 | 5.6 |
| 6Q3V50 | Q1 | 4.95" | 5.00" | 5 | 3 3/4 | 2 1/2 | 3/4 | 31/32 | 4 1/8 | 2 23/32 | - | 1 3/4 | 9/32 | 6.1 |
| 6Q3V53 | Q1 | 5.25" | 5.30" | 5 | 3 3/4 | 2 1/2 | 3/4 | 31/32 | 4 1/8 | 2 23/32 | - | 1 3/4 | 9/32 | 7.3 |
| 6Q3V56 | Q1 | 5.55" | 5.60" | 13 | 3 | 2 1/2 | 0 | 7/32 | 4 1/8 | 2 23/32 | 3/4 | 1 3/4 | 9/32 | 8.8 |
| 6Q3V60 | Q1 | 5.95" | 6.00" | 13 | 3 | 2 1/2 | 0 | 7/32 | 4 1/8 | 2 23/32 | 3/4 | 1 3/4 | 9/32 | 10.1 |
| 6Q3V65 | Q1 | 6.45" | 6.50" | 13 | 3 17/64 | 2 1/2 | 17/64 | 31/64 | 4 1/8 | 2 23/32 | 3/4 | 1 3/4 | 9/32 | 12.9 |
| 6Q3V69 | Q1 | 6.85" | 6.90" | 13 | 3 17/64 | 2 1/2 | 17/64 | 31/64 | 4 1/8 | 2 23/32 | 3/4 | 1 3/4 | 9/32 | 14.4 |
| 6Q3V80 | Q1 | 7.95" | 8.00" | 13 | 3 17/64 | 2 1/2 | 17/64 | 31/64 | 4 1/8 | 2 23/32 | 3/4 | 1 3/4 | 9/32 | 16.1 |
| 6R3V106 | R1 | 10.55" | 10.60" | 13 | 3 33/64 | 2 7/8 | 33/64 | 23/64 | 5 3/8 | 2 23/32 | 7/8 | 2 | 9/32 | 22.4 |
| 6R3V140 | R1 | 13.95" | 14.00" | 13 | 3 33/64 | 2 7/8 | 33/64 | 23/64 | 5 3/8 | 2 23/32 | 7/8 | 2 | 9/32 | 32.1 |
| 6R3V190 | R1 | 18.95" | 19.00" | 13 | 3 33/64 | 2 7/8 | 33/64 | 23/64 | 5 3/8 | 2 23/32 | 7/8 | 2 | 9/32 | 42.8 |
| 6Q3V250 | R1 | 24.95" | 25.00" | 13 | 3 33/64 | 2 7/8 | 33/64 | 23/64 | 5 3/8 | 2 23/32 | 7/8 | 2 | 9/32 | 64.0 |
| 6Q3V335 | R1 | 33.45" | 33.50" | 13 | 3 33/64 | 2 7/8 | 33/64 | 23/64 | 5 3/8 | 2 23/32 | 7/8 | 2 | 9/32 | 99.0 |
(2) 3VX Cogged V-Belts3VX cogged v-belts are designated by having a 0.38" top-width and 0.31" thickness. Our cogged 3VX v-belts are manufactured with raw-edge sidewalls to eliminate slippage and increase efficacy, saving operation costs. They are also manufactured by ARPM standards and are oil and heat-resistant. 3VX belts are constructed from a high-quality chloroprene compound with high-strength polyester chords and have a top fabric built from a cotton polyester blend. Besides the performance, durability, and energy savings benefits, our cogged v-belts will work with existing stand pulleys/ sheaves. Please contact us to get a quote on 3VX cogged v-belts or pulleys, and we will be happy to assist you.

1. Do not install the key first; use an emery cloth to remove the burrs and rust on the groove surface, use a file to repair the file when the burr is serious, and then install the pulley on the shaft without installing the key. Check the shaft diameter and wheel hole if it is very tight or cannot be installed. If the motor shaft is large, you can turn on the power to make the motor rotate and press it against the rotating shaft with an emery cloth (pay attention to safety), which is easy for repair electricians. Could you do it? In this way, the trimming will not produce an ellipse; it will save effort and then try to install it. Apply lubricating oil on the shaft each time you want to install it. The pulley can be pushed in by hand or lightly driven with a hammer, but it cannot feel loose.2. Measure the depth of the keyway. This dimension should be larger than the thickness of the key. Otherwise, the thickness of the key should be thinned until the gap between the key and the bottom of the wheel hub groove depends on the size of the shaft. Generally, 0.2~0.6mm (check the critical standard), put the key into the wheel hub, and it should be able to slide slightly loosely. If not, repair the burr or find the reason to fix it, then gently drive the key into the shaft groove with a hammer. The key needs to be replaced. And evenly apply lubricating oil on the pulley hole, shaft, and critical during assembly.




Address
Luotuo Industrial Area, Zhenhai District, Ningbo City, China
Tel
