
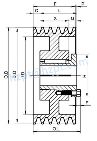
| Size | Bushing Type | Pitch Diameter | Outside Diameter | Type | (O.L.) | (L) | (P) | (C) | (H) | (F) | (G) | (X) | (E) | Sheave Weight (LBS) |
|---|---|---|---|---|---|---|---|---|---|---|---|---|---|---|
| 5TC70 | Q2 | 7" | 7.4" | 15 | 5-1/4" | 3-1/2" | 1/2" | 1-1/4" | 4-1/8" | 5-1/4" | 3/4" | 2-3/4" | 9/32" | 27.5 |
| 5TC72 | Q2 | 7.2" | 7.6" | 15 | 5-1/4" | 3-1/2" | 1/2" | 1-1/4" | 4-1/8" | 5-1/4" | 3/4" | 2-3/4" | 9/32" | 29.8 |
| 5TC74 | Q2 | 7.4" | 7.8" | 15 | 5-1/4" | 3-1/2" | 1/2" | 1-1/4" | 4-1/8" | 5-1/4" | 3/4" | 2-3/4" | 9/32" | 31 |
| 5TC76 | Q2 | 7.6" | 8" | 15 | 5-1/4" | 3-1/2" | 1/2" | 1-1/4" | 4-1/8" | 5-1/4" | 3/4" | 2-3/4" | 9/32" | 34.3 |
| 5TC78 | Q2 | 7.8" | 8.2" | 15 | 5-1/4" | 3-1/2" | 1/2" | 1-1/4" | 4-1/8" | 5-1/4" | 3/4" | 2-3/4" | 9/32" | 30 |
| 5TC80 | Q2 | 8" | 8.4" | 15 | 5-1/4" | 3-1/2" | 1/2" | 1-1/4" | 4-1/8" | 5-1/4" | 3/4" | 2-3/4" | 9/32" | 33.4 |
| 5TC82 | Q2 | 8.2" | 8.6" | 15 | 5-1/4" | 3-1/2" | 1/2" | 1-1/4" | 4-1/8" | 5-1/4" | 3/4" | 2-3/4" | 9/32" | 30.3 |
| 5TC84 | Q2 | 8.4" | 8.8" | 15 | 5-1/4" | 3-1/2" | 1/2" | 1-1/4" | 4-1/8" | 5-1/4" | 3/4" | 2-3/4" | 9/32" | 32.8 |
| 5TC86 | Q2 | 8.6" | 9" | 15 | 5-1/4" | 3-1/2" | 1/2" | 1-1/4" | 4-1/8" | 5-1/4" | 3/4" | 2-3/4" | 9/32" | 31 |
| 5TC88 | Q2 | 8.8" | 9.2" | 15 | 5-1/4" | 3-1/2" | 1/2" | 1-1/4" | 4-1/8" | 5-1/4" | 3/4" | 2-3/4" | 9/32" | 34.9 |
| 5TC90 | Q2 | 9" | 9.4" | 15 | 5-1/4" | 3-1/2" | 1/2" | 1-1/4" | 4-1/8" | 5-1/4" | 3/4" | 2-3/4" | 9/32" | 32.6 |
| 5TC92 | Q2 | 9.2" | 9.6" | 15 | 5-1/4" | 3-1/2" | 1/2" | 1-1/4" | 4-1/8" | 5-1/4" | 3/4" | 2-3/4" | 9/32" | 36.4 |
| 5TC94 | Q2 | 9.4" | 9.8" | 15 | 5-1/4" | 3-1/2" | 1/2" | 1-1/4" | 4-1/8" | 5-1/4" | 3/4" | 2-3/4" | 9/32" | 35.6 |
| 5TC96 | Q2 | 9.6" | 10" | 15 | 5-1/4" | 3-1/2" | 1/2" | 1-1/4" | 4-1/8" | 5-1/4" | 3/4" | 2-3/4" | 9/32" | 39.1 |
| 5TC98 | Q2 | 9.8" | 10.2" | 15 | 5-1/4" | 3-1/2" | 1/2" | 1-1/4" | 4-1/8" | 5-1/4" | 3/4" | 2-3/4" | 9/32" | 37.3 |
| 5TC100 | Q2 | 10" | 10.4" | 15 | 5 1/4" | 3-1/2" | 1/2" | 1-1/4" | 4-1/8" | 5-1/4" | 3/4" | 2-3/4" | 9/32" | 42.3 |
| 5TC102 | Q2 | 10.2" | 10.6" | 15 | 5-1/4" | 3-1/2" | 1/2" | 1-1/4" | 4-1/8" | 5-1/4" | 3/4" | 2-3/4" | 9/32" | 39.4 |
| 5TC106 | Q2 | 10.6" | 11" | 15 | 5-1/4" | 3-1/2" | 1/2" | 1-1/4" | 4-1/8" | 5-1/4" | 3/4" | 2-3/4" | 9/32" | 41 |
| 5TC110 | Q2 | 11" | 11.4" | 15 | 5-1/4" | 3-1/2" | 1/2" | 1-1/4" | 4-1/8" | 5-1/4" | 3/4" | 2-3/4" | 9/32" | 42.4 |
| 5TC114 | Q2 | 11.4" | 11.8" | 15 | 5-1/4" | 3-1/2" | 1/2" | 1-1/4" | 4-1/8" | 5-1/4" | 3/4" | 2-3/4" | 9/32" | 42.8 |
| 5TC120 | Q2 | 12" | 12.4" | 15 | 5-1/4" | 3-1/2" | 1/2" | 1-1/4" | 4-1/8" | 5-1/4" | 3/4" | 2-3/4" | 9/32" | 46.3 |
| 5TC130 | Q2 | 13" | 13.4" | 15 | 5 1/4" | 3-1/2" | 1/2" | 1-1/4" | 4-1/8" | 5-1/4" | 3/4" | 2-3/4" | 9/32" | 49.5 |
| 5TC160 | Q2 | 16" | 16.4" | 15 | 5-1/4" | 3-1/2" | 1/2" | 1-1/4" | 4-1/8" | 5-1/4" | 3/4" | 2-3/4" | 9/32" | 64.5 |
| 5TC200 | Q2 | 20" | 20.4" | 15 | 5-1/4" | 3-1/2" | 1/2" | 1-1/4" | 4-1/8" | 5-1/4" | 3/4" | 2-3/4" | 9/32" | 78 |
| 5TC240 | Q2 | 24" | 24.4" | 15 | 5-1/4" | 3-1/2" | 1/2" | 1-1/4" | 4-1/8" | 5-1/4" | 3/4" | 2-3/4" | 9/32" | 96 |
![]() | ![]() | ![]() |
Marine Machinery | Electric machinery | Agricultural machinery |




Address
Luotuo Industrial Area, Zhenhai District, Ningbo City, China
Tel
