
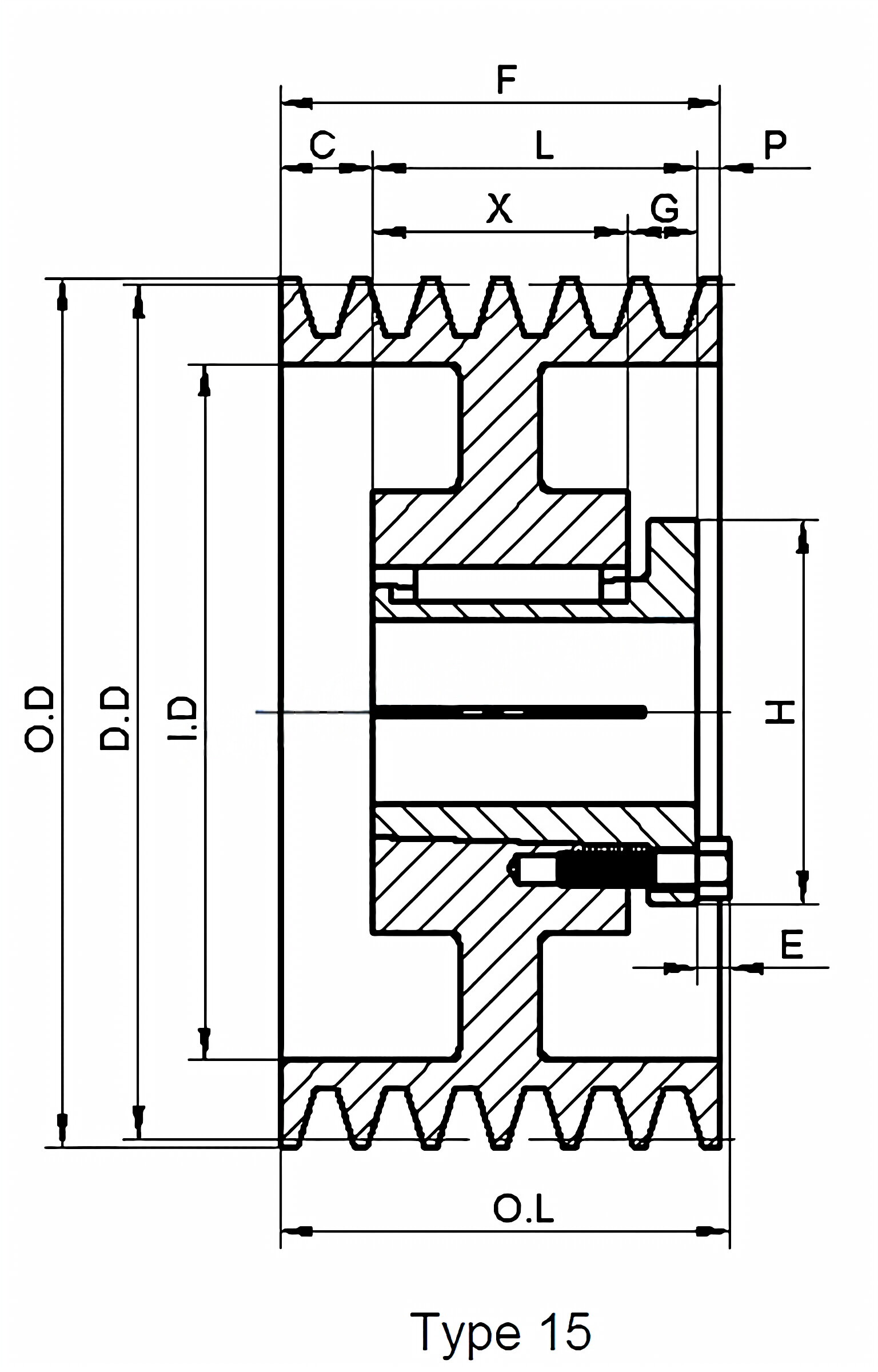
Size | Bushing Type | Pitch Diameter (4L/A) | Pitch Diameter (5L/B) | Outside Diameter | Type | (O.L.) | (L) | (P) | (C) | (H) | (F) | (G) | (X) | (E) | Pulley Weight (LBS) |
|---|---|---|---|---|---|---|---|---|---|---|---|---|---|---|---|
| 6B70R | R1 | 6.6" | 7.0" | 7.35" | 15 | 4-3/4" | 2-7/8" | 1/2" | 1-3/8" | 5-3/8" | 4-3/4" | 7/8" | 2" | 9/32" | 19.0 |
| 6B74R | R1 | 7.0" | 7.4" | 7.75" | 15 | 4-3/4" | 2-7/8" | 1/2" | 1-3/8" | 5-3/8" | 4-3/4" | 7/8" | 2" | 9/32" | 21.8 |
| 6B80R | R1 | 7.6" | 8.0" | 8.35" | 15 | 4-3/4" | 2-7/8" | 1/2" | 1-3/8" | 5-3/8" | 4-3/4" | 7/8" | 2" | 9/32" | 26.8 |
| 6B86R | R1 | 8.2" | 8.6" | 8.95" | 15 | 4-3/4" | 2-7/8" | 1/2" | 1-3/8" | 5-3/8" | 4-3/4" | 7/8" | 2" | 9/32" | 29.4 |
| 6B90R | R1 | 8.6" | 9.0" | 9.35" | 15 | 4-3/4" | 2-7/8" | 1/2" | 1-3/8" | 5-3/8" | 4-3/4" | 7/8" | 2" | 9/32" | 31.4 |
| 6B94R | R1 | 9.0" | 9.4" | 9.75" | 15 | 4-3/4" | 2-7/8" | 1/2" | 1-3/8" | 5-3/8" | 4-3/4" | 7/8" | 2" | 9/32" | 32.8 |
| 6B110R | R1 | 10.6" | 11.0" | 11.35" | 15 | 4-3/4" | 2-7/8" | 1/2" | 1-3/8" | 5-3/8" | 4-3/4" | 7/8" | 2" | 9/32" | 37.0 |
| 6B124R | R1 | 12.0" | 12.4" | 12.75" | 15 | 4-3/4" | 2-7/8" | 1/2" | 1-3/8" | 5-3/8" | 4-3/4" | 7/8" | 2" | 9/32" | 39.4 |
| 6B136R | R1 | 13.2" | 13.6" | 13.95" | 15 | 4-3/4" | 2-7/8" | 1/2" | 1-3/8" | 5-3/8" | 4-3/4" | 7/8" | 2" | 9/32" | 45.3 |
| 6B154R | R1 | 15.0" | 15.4" | 15.75" | 15 | 4-3/4" | 2-7/8" | 1/2" | 1-3/8" | 5-3/8" | 4-3/4" | 7/8" | 2" | 9/32" | 49.1 |
| 6B160R | R1 | 15.6" | 16.0" | 16.35" | 15 | 4-3/4" | 2-7/8" | 1/2" | 1-3/8" | 5-3/8" | 4-3/4" | 7/8" | 2" | 9/32" | 52.0 |
| 6B184R | R1 | 18.0" | 18.4" | 18.75" | 15 | 4-3/4" | 2-7/8" | 1/2" | 1-3/8" | 5-3/8" | 4-3/4" | 7/8" | 2" | 9/32" | 59.0 |
| 6B200R | R1 | 19.5" | 20.0" | 20.35" | 15 | 4-3/4" | 2-7/8" | 1/2" | 1-3/8" | 5-3/8" | 4-3/4" | 7/8" | 2" | 9/32" | 69.0 |
| 6B250R | R1 | 24.5" | 25.0" | 25.35" | 15 | 4-3/4" | 2-7/8" | 1/2" | 1-3/8" | 5-3/8" | 4-3/4" | 7/8" | 2" | 9/32" | 83.0 |
| 6B300R | R1 | 29.5" | 30.0" | 30.35" | 15 | 4-3/4" | 2-7/8" | 1/2" | 1-3/8" | 5-3/8" | 4-3/4" | 7/8" | 2" | 9/32" | 126.0 |
| 6B380R | R1 | 37.5" | 38.0" | 38.35" | 15 | 4-3/4" | 2-7/8" | 1/2" | 1-3/8" | 5-3/8" | 4-3/4" | 7/8" | 2" | 9/32" | 170.0 |
![]() | ![]() |




Address
Luotuo Industrial Area, Zhenhai District, Ningbo City, China
Tel
