New Holland Combine harvester : 8050 8060 8070 8080 CS520 CS540 CS6050 CS6060 CS6070 CS6080 CS6090 CS640 CS660 CSX7060 CSX7080 TF42 TF44 TF46 TF74 TF78 TX30 TX32 TX34 TX36 TX66
Spare parts for new Dutch combine grain and return lift.
Start the grain elevator to load the grain into the bin, or start the return elevator to return the grain for additional threshing.
This spare part is used to replace worn or damaged parts during maintenance.
Made of steel. In order to connect it to the shaft in the center hole, the key has a groove.
The component is heat-treated to enhance its strength and wear resistance. The outer surface is painted.
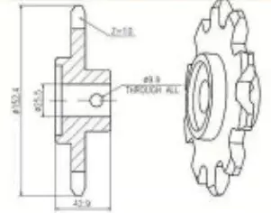
| Weight, W | kg | 1.69 |
|---|---|---|
| Inner diameter, d | mm | 45 |
| Outer diameter, D | mm | 62 |
| Number of teeth, Z | 10 | |
| Height, H | mm | 41 |
| Outside diameter, D1 | mm | 145 |
| Key slot | mm | 41x12x3 |
| Height, H2 | mm | 18 |
1. Chain used
2. Number of teeth
|
Single pitch sprocket
|
Double pitch sprocket
|
||||
|
*Chain matched:35 Teeth:from 9-120
*Chain matched:40 Teeth:from 9-120
*Chain matched:50 Teeth:from 9-120
*Chain matched:60 Teeth:from 9-120
*Chain matched:80 Teeth:from 9-120
*Chain matched:100 Teeth:from 9-120
*Chain matched:120 Teeth:from 9-120
*Chain matched:140 Teeth:from 9-120
*Chain matched:160 Teeth:from 9-120
*Chain matched:200 Teeth:from 9-120
|
*P=25.4mm Teeth:from 7-100
*P=31.8mm Teeth:from 7-100
*P=38.1mm Teeth:from 7-100
*P=50.8mm Teeth:from 7-100
*P=63.5mm Teeth:from 7-100
|
3. Construction

4. Material
5. Bore
6. Treatment
![]() |
![]() |
80392932 Sprocket for New Holland Combine |
![]() |
![]() |
80417785 Chain sprocket For New Holland Combine Harvest |
![]() |
![]() |
Case 1970248C1 Feeder House Drive Sprocket For Case-IH Combine |
![]() |
![]() |
143960A1 Sprocket For Case-IH Combine Clean Grain Elevator |
![]() |
![]() |
144031A1/87740180 Sprocket For Case-IH Combine Grain Handling Parts |
![]() |
![]() |
1317192C1 Sprocket for Case-IH Combine Grain Handling Parts |
![]() |
![]() |
84072022 Driven Sprocket For New Holland Feeder Chain |
![]() |
![]() |
19949C1/176278C2 Driven Sprocket For Case-IH Corn Head |
We Also Supply Agricultural chains
Address
Luotuo Industrial Area, Zhenhai District, Ningbo City, China
Tel
