
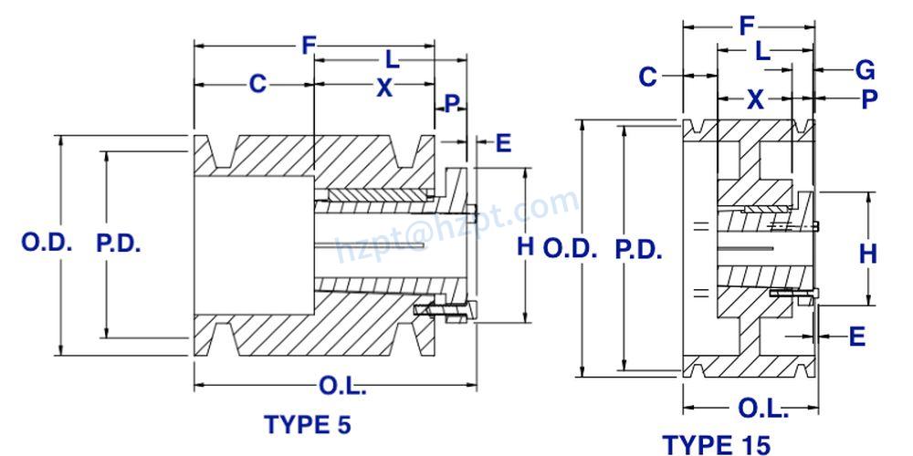
Size | Bushing Type | Pitch Diameter (4L/A) | Pitch Diameter (5L/B) | Outside Diameter | Type | (O.L.) | (L) | (P) | (C) | (H) | (F) | (G) | (X) | (E) | Pulley Weight (LBS) |
|---|---|---|---|---|---|---|---|---|---|---|---|---|---|---|---|
| 8B54Q | Q2 | 5.0" | 5.4" | 5.75" | 5 | 7-9/32" | 3-1/2" | 3/4" | 3-1/2" | 4-1/8" | 6-1/4" | -- | 2-3/4" | 9/32" | 18.1 |
| 8B56Q | Q2 | 5.2" | 5.6" | 5.95" | 5 | 7-9/32" | 3-1/2" | 3/4" | 3-1/2" | 4-1/8" | 6-1/4" | -- | 2-3/4" | 9/32" | 20.6 |
| 8B58Q | Q2 | 5.4" | 5.8" | 6.15" | 15 | 6-1/4" | 3-1/2" | 2" | 3/4" | 4-1/8" | 6-1/4" | 3/4" | 2-3/4" | 9/32" | 20.9 |
| 8B60Q | Q2 | 5.6" | 6.0" | 6.35" | 15 | 6-1/4" | 3-1/2" | 2" | 3/4" | 4-1/8" | 6-1/4" | 3/4" | 2-3/4" | 9/32" | 23.0 |
| 8B62Q | Q2 | 5.8" | 6.2" | 6.55" | 15 | 6-1/4" | 3-1/2" | 2" | 3/4" | 4-1/8" | 6-1/4" | 3/4" | 2-3/4" | 9/32" | 23.0 |
| 8B64Q | Q2 | 6.0" | 6.4" | 6.75" | 15 | 6-1/4" | 3-1/2" | 2" | 3/4" | 4-1/8" | 6-1/4" | 7/8" | 2-3/4" | 9/32" | 25.0 |
| 8B66Q | Q2 | 6.2" | 6.6" | 6.95" | 15 | 6-1/4" | 3-1/2" | 2" | 3/4" | 4-1/8" | 6-1/4" | 7/8" | 2-3/4" | 9/32" | 27.3 |
| 8B68Q | Q2 | 6.4" | 6.8" | 7.15" | 15 | 6-1/4" | 3-1/2" | 2" | 3/4" | 4-1/8" | 6-1/4" | 7/8" | 2-3/4" | 9/32" | 31.1 |
| 8B70R | R2 | 6.6" | 7.0" | 7.35" | 15 | 6-9/32" | 4-7/8" | 1/4" | 3/4" | 5-3/8" | 6-1/4" | 7/8" | 4" | 9/32" | 29.5 |
| 8B74R | R2 | 7.0" | 7.4" | 7.75" | 15 | 6-9/32" | 4-7/8" | 1/4" | 3/4" | 5-3/8" | 6-1/4" | 7/8" | 4" | 9/32" | 34.9 |
| 8B80R | R2 | 7.6" | 8.0" | 8.35" | 15 | 6-9/32" | 4-7/8" | 1/4" | 3/4" | 5-3/8" | 6-1/4" | 7/8" | 4" | 9/32" | 42.9 |
| 8B86R | R2 | 8.2" | 8.6" | 8.95" | 15 | 6-9/32" | 4-7/8" | 1/4" | 3/4" | 5-3/8" | 6-1/4" | 7/8" | 4" | 9/32" | 52.0 |
| 8B90R | R2 | 8.6" | 9.0" | 9.35" | 15 | 6-9/32" | 4-7/8" | 1/4" | 1-1/8" | 5-3/8" | 6-1/4" | 7/8" | 4" | 9/32" | 48.3 |
| 8B94R | R2 | 9.0" | 9.4" | 9.75" | 15 | 6-9/32" | 4-7/8" | 1/4" | 1-1/8" | 5-3/8" | 6-1/4" | 7/8" | 4" | 9/32" | 49.3 |
| 8B110R | R2 | 10.6" | 11.0" | 11.35" | 15 | 6-9/32" | 4-7/8" | 1/4" | 1-1/8" | 5-3/8" | 6-1/4" | 7/8" | 4" | 9/32" | 55.0 |
| 8B124R | R2 | 12.0" | 12.4" | 12.75" | 15 | 6-9/32" | 4-7/8" | 1/4" | 1-1/8" | 5-3/8" | 6-1/4" | 7/8" | 4" | 9/32" | 60.0 |
| 8B136R | R2 | 13.2" | 13.6" | 13.95" | 15 | 6-9/32" | 4-7/8" | 1/4" | 1-1/8" | 5-3/8" | 6-1/4" | 7/8" | 4" | 9/32" | 68.5 |
| 8B154R | R2 | 15.0" | 15.4" | 15.75" | 15 | 6-9/32" | 4-7/8" | 1/4" | 1-1/8" | 5-3/8" | 6-1/4" | 7/8" | 4" | 9/32" | 77.3 |
| 8B184R | R2 | 18.0" | 18.4" | 18.75" | 15 | 6-9/32" | 4-7/8" | 1/4" | 1-1/8" | 5-3/8" | 6-1/4" | 7/8" | 4" | 9/32" | 90.0 |
| 8B200R | R2 | 19.5" | 20.0" | 20.35" | 15 | 6-9/32" | 4-7/8" | 1/4" | 1-1/8" | 5-3/8" | 6-1/4" | 7/8" | 4" | 9/32" | 96.0 |
| 8B250R | R2 | 24.5" | 25.0" | 25.35" | 15 | 6-9/32" | 4-7/8" | 1/4" | 1-1/8" | 5-3/8" | 6-1/4" | 7/8" | 4" | 9/32" | 129.0 |
| 8B300R | R2 | 29.5" | 30.0" | 30.35" | 15 | 6-9/32" | 4-7/8" | 1/4" | 1-1/8" | 5-3/8" | 6-1/4" | 7/8" | 4" | 9/32" | 163.0 |
| 8B300S | S1 | 29.5" | 30.0" | 30.35" | 15 | 6-1/4" | 4-7/8" | 3/4" | 1-1/8" | 6-3/8" | 6-1/4" | 1-1/16" | 3-5/16" | 3/8" | 168.0 |
| 8B380R | R2 | 37.5" | 38.0" | 38.35" | 15 | 6-9/32" | 4-7/8" | 1/4" | 1-1/8" | 5-3/8" | 6-1/4" | 7/8" | 4" | 9/32" | 228.0 |
| 8B380S | S1 | 37.5" | 38.0" | 38.35" | 15 | 6-1/4" | 4-7/8" | 3/4" | 1-1/8" | 6-3/8" | 6-1/4" | 1-1/16" | 3-5/16" | 3/8" | 238.0 |





Address
Luotuo Industrial Area, Zhenhai District, Ningbo City, China
Tel
