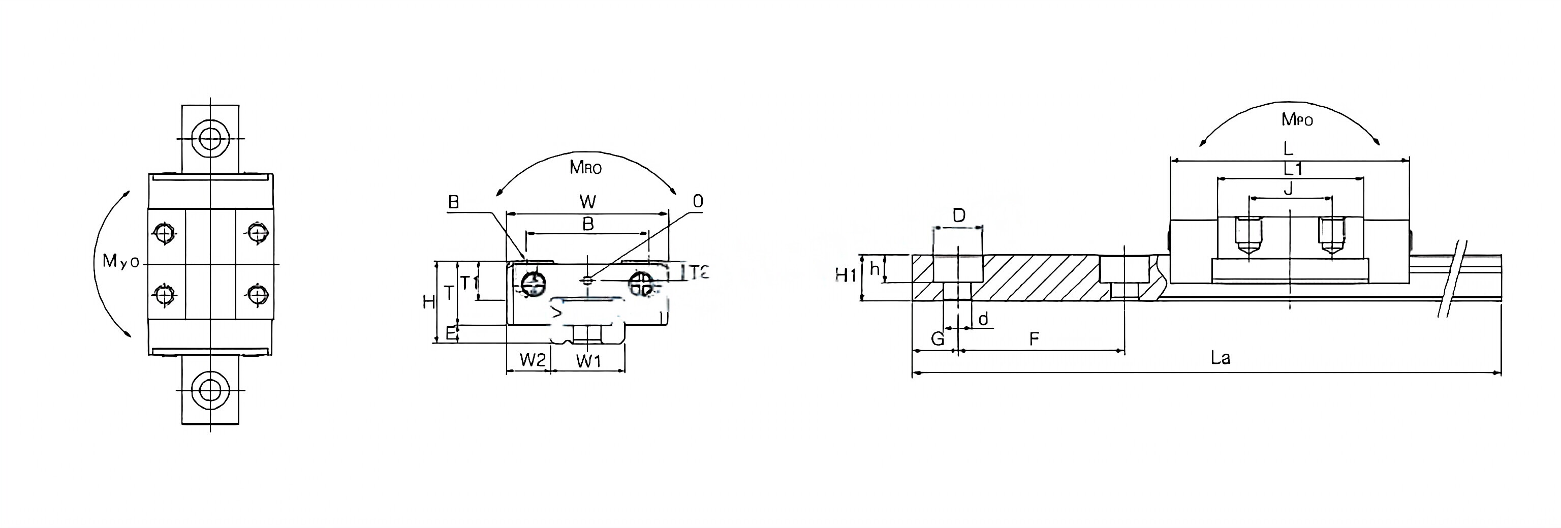
BTM Miniature Linear Guideway (Standard-Type)
Linear guideways are manufactured using production techniques that ensure high precision and excellent quality. We offer a broad lineup of products with high load capacity and excellent dust-proof performance to meet the needs of various industries, such as machine tools, semiconductor manufacturing, general industrial, and medical equipment. We can quickly and reliably meet expanding customer needs by offering a wide range of products, such as miniature linear guides with unique specifications.








Address
Luotuo Industrial Area, Zhenhai District, Ningbo City, China
Tel
