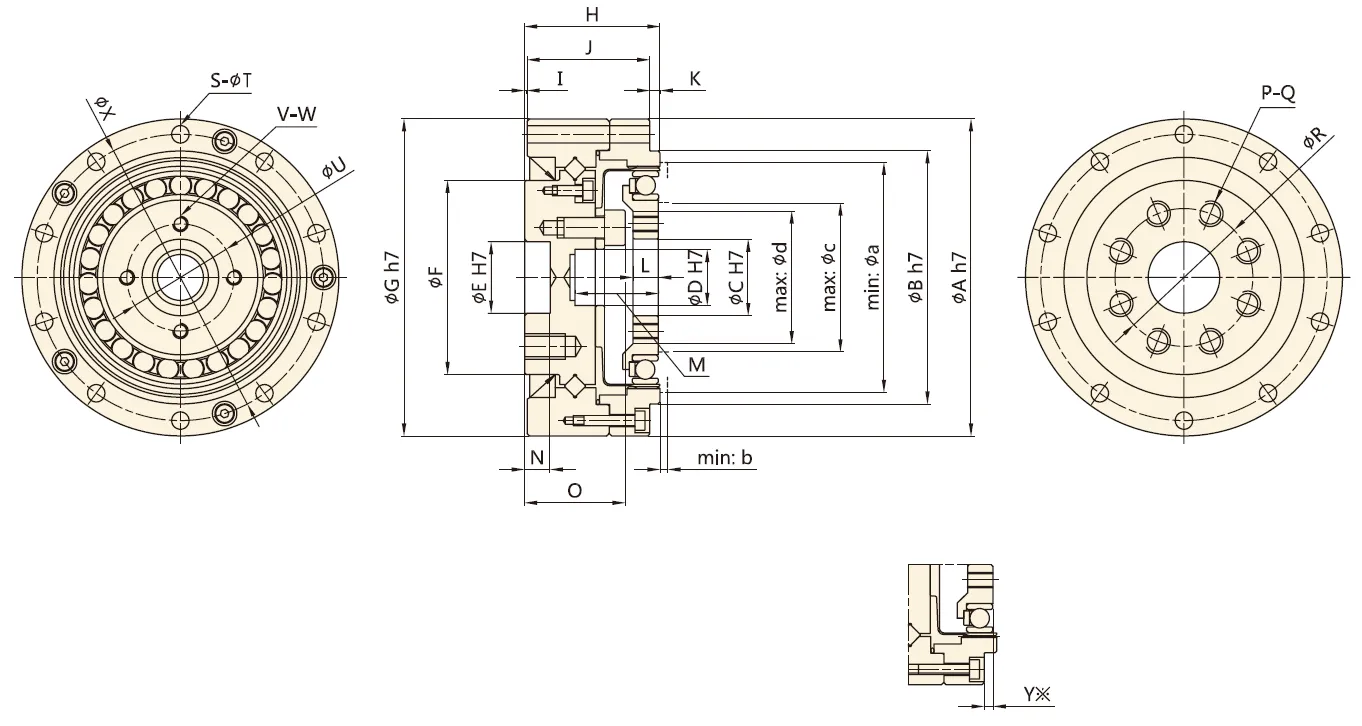
CD-U1 Series Harmonic Drive (Strain Wave Gear Reducer)
The CD-U1 Series Harmonic Drive Reducer is a type of precision gear mechanism that is widely used in various industries, including robotics, automation, aerospace, and medical equipment. Harmonic Drive Reducers are known for their high precision, compact design, and excellent torque-to-weight ratio. This series is designed to provide high torque transmission and accurate motion control in a compact package. It is commonly used in applications where space is limited, and precise positioning is crucial.The CD-U1 Series features a unique gear mechanism called a harmonic drive. It consists of three main components: a wave generator, a flex spline, and a circular spline. The wave generator is connected to the input shaft and generates a wave motion, which causes the flex spline to deform and engage with the circular spline. This engagement creates a reduction in speed and an increase in torque. One of the key advantages of the CD-U1 Series Harmonic Drive Reducer is its high gear ratio. It can achieve gear ratios ranging from 30:1 to 160:1, allowing for precise control of rotational speed and torque.In addition to its compact size and high gear ratio, the CD-U1 Series offers other benefits such as zero backlash, high torsional stiffness, and high positional accuracy. These features make it suitable for applications that require precise motion control, such as robotic arms, CNC machines, and satellite tracking systems.



| reduction ratio/models | 14 | 17 | 20 | 25 | 32 |
| 050 | 4.4 | 6.7 | 8.9 | 16 | 32 |
| 080 | 3.2 | 4.4 | 5.7 | 10 | 22 |
| 100 | 2.8 | 3.8 | 5.1 | 9.1 | 20 |
| 120 | - | 3.6 | 4.5 | 8.2 | 17 |
| 160 | - | - | 3.9 | 7.2 | 15 |
| Models | Roller pitch circle diameter | offset | Basic load rating | Allowable Moment Load Mc | Torque rigidity Km | |
| dp | R | Basic dynamic rated load cr | Basic static load rating | Nm | Nm/rad | |
| m | m | N | N | |||
| 14 | 0.035 | 0.0095 | 47 X 10^2 | 60.7 X 10^2 | 41 | 4.38 X 10^4 |
| 17 | 0.0425 | 0.0099 | 5 2.9 X 10^2 | 75.5 X 10^2 | 64 | 7.75 X 10^4 |
| 20 | 0.050 | 0.0102 | 5 7.8 X 10^2 | 90 X 10^2 | 91 | 1 2.8 X 10^4 |
| 25 | 0.062 | 0.0130 | 96 X 10^2 | 151 X 10^2 | 156 | 24.2 X 10^4 |
| 32 | 0.080 | 0.0144 | 15.0 X 10^2 | 250 X 10^2 | 313 | 53.9 X 10^4 |



![]() | ![]() |
| Robotics | Medical Equipment |
![]() | ![]() |
![]() | ![]() |
Address
Luotuo Industrial Area, Zhenhai District, Ningbo City, China
Tel
