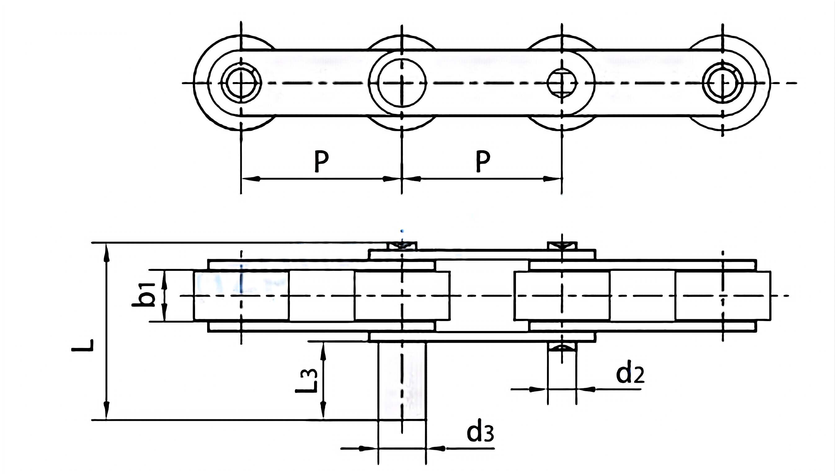
Double Pitch Conveyor Chains with Extended Pins
C2052DF1 C210AF4 C2052-D4 C2050-D5 C212AHL-D4 C2062-D6
Double-pitch conveyor chains equipped with extended pins are referred to as extended-pitch chains.?They feature a double-pitch design which doubles the pitch of the normal ANSI-B29.3 chain.?For light-duty and agricultural conveyor applications usually require a double pitch chain.Double pitch chains featuring extended pins are usually more thick and longer than the other types.?They are specifically designed to withstand heavy load and shock loads.?They're usually equipped with holes that are ball-swaged.?This allows for a precise chain pitch, and also the loading of sprockets around them.?The holes also stop cracks caused by fatigue from spreading across the links.

| Chain No. | P | b1 | d2 | d3 | L 3 | L |
| mm | mm | mm | mm | mm | mm | |
| C2052DF1 | 31.75 | 9.40 | 5.08 | 7.5 | 14.15 | 33.6 |
| C210AF4 | 31.75 | 9.40 | 5.08 | 11.00 | 34.00 | 53.7 |
| C2052-D4 | 31.75 | 9.40 | 5.08 | 6.00 | 32.40 | 52.0 |
| C2050-D5 | 31.75 | 9.40 | 5.08 | 8.00 | 40.00 | 59.7 |
| C212AHL-D4 | 38.10 | 12.57 | 5.94 | 8.00 | 25.00 | 53.0 |
| C2062-D6 | 38.10 | 12.57 | 5.94 | 12.00 | 25.00 | 49.7 |



Address
Luotuo Industrial Area, Zhenhai District, Ningbo City, China
Tel
