Chain Couplings
The chain coupling is composed of a duplex roller chain and a pair of coupling sprockets. The function of connection and detachment is done by the joint of the chain. It has the characteristic of being compact and powerful, excellent durability, safe and smart, simple installation and easy alignment. The chain coupling is suitable for a wide range of coupling applications.
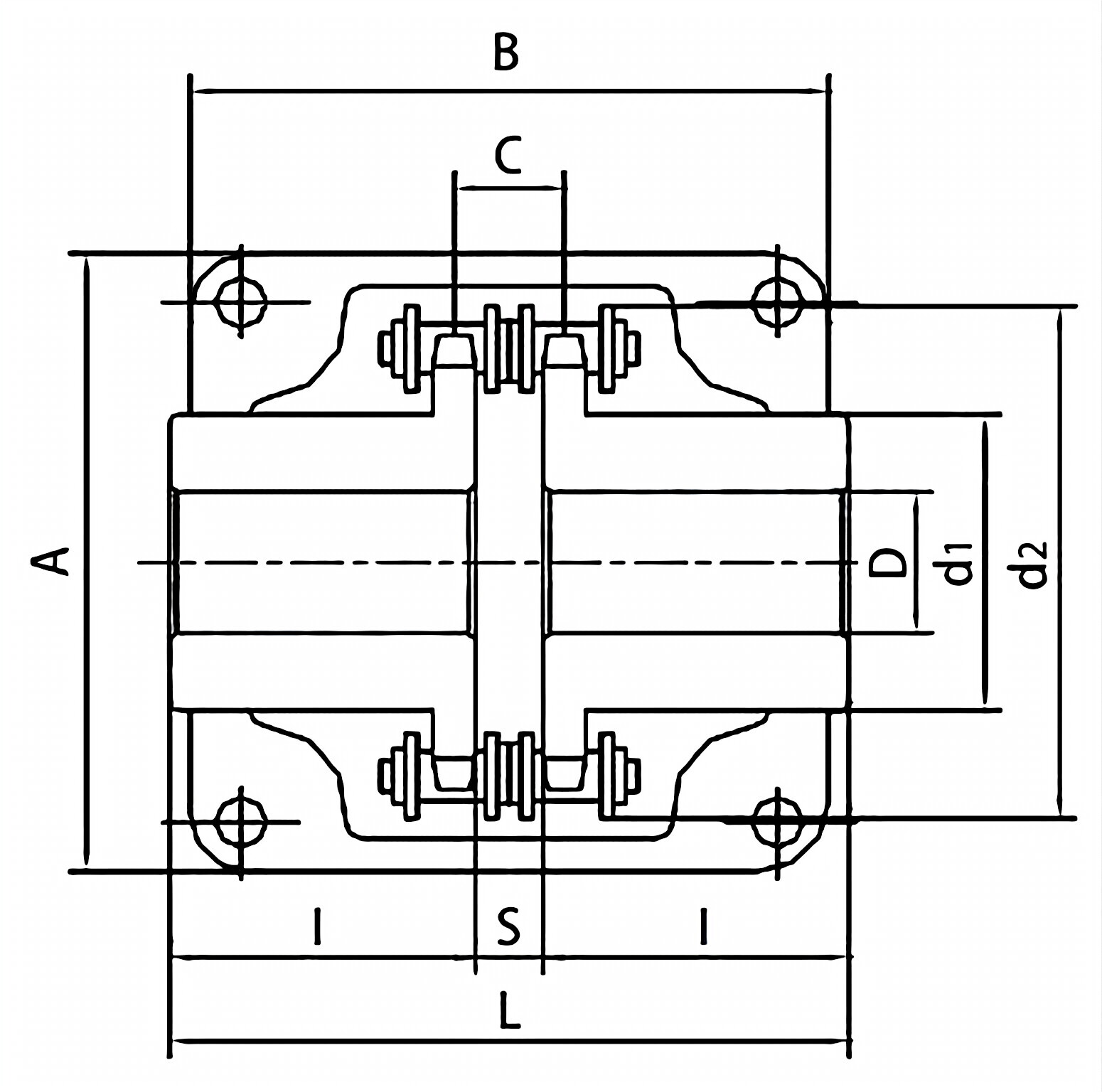
| Chain Coupling No. | Chain No. | Bore Dia | Dimension | Inertia | Approx Weight | Casing | ||||||||
| Min | Max | L | I | S | d1 | d2 | C | ×10-3 | Dimension | Approx Weight | ||||
| A | B | |||||||||||||
| mm | mm | mm | mm | mm | mm | mm | mm | kgf·m2 | kg | mm | mm | kg | ||
| 3012 | 06B-2X12 | 12 | 16 | 64.8 | 29.8 | 5.2 | 25 | 45 | 10.2 | 0.233 | 0.4 | 69 | 63 | 0.3 |
| 4012 | 40-2X12 | 12 | 22 | 79.4 | 36.0 | 7.4 | 35 | 61 | 14.4 | 1.020 | 0.8 | 77 | 72 | 0.3 |
| 4014 | 40-2X14 | 12 | 28 | 79.4 | 36.0 | 7.4 | 43 | 69 | 14.4 | 1.924 | 1.1 | 84 | 75 | 0.4 |
| 4016 | 40-2X16 | 14 | 32 | 87.4 | 40.0 | 7.4 | 50 | 77 | 14.4 | 3.285 | 1.4 | 92 | 75 | 0.4 |
| 5014 | 50-2X14 | 16 | 35 | 99.7 | 45.0 | 9.7 | 53 | 86 | 18.1 | 6.010 | 2.2 | 101 | 85 | 0.5 |
| 5016 | 50-2X16 | 16 | 40 | 99.7 | 45.0 | 9.7 | 60 | 96 | 18.1 | 9.720 | 2.7 | 111 | 85 | 0.6 |
| 5018 | 50-2X18 | 16 | 45 | 99.7 | 45.0 | 9.7 | 70 | 106 | 18.1 | 15.420 | 3.8 | 122 | 85 | 0.8 |
| 6018 | 60-2X18 | 20 | 56 | 123.5 | 56.0 | 11.5 | 85 | 128 | 22.8 | 40.210 | 6.2 | 142 | 106 | 1.2 |
| 6020 | 60-2X20 | 20 | 60 | 123.5 | 56.0 | 11.5 | 98 | 140 | 22.8 | 62.870 | 7.8 | 158 | 105 | 1.6 |
| 6022 | 60-2X22 | 20 | 71 | 123.5 | 56.0 | 11.5 | 110 | 152 | 22.8 | 93.450 | 10.4 | 168 | 117 | 1.8 |
| 8018 | 80-2X18 | 20 | 80 | 141.2 | 63.0 | 15.2 | 110 | 170 | 29.3 | 142.030 | 12.7 | 190 | 129 | 2.5 |
| 8020 | 80-2X20 | 20 | 90 | 145.2 | 65.0 | 15.2 | 120 | 186 | 29.3 | 204.900 | 16.0 | 210 | 137 | 2.9 |
| 8022 | 80-2X22 | 20 | 100 | 157.2 | 71.0 | 15.2 | 140 | 202 | 29.3 | 341.170 | 20.2 | 226 | 137 | 3.6 |
| 10020 | 100-2X20 | 25 | 110 | 178.8 | 80.0 | 18.8 | 160 | 233 | 35.8 | 646.290 | 33.0 | 281 | 153 | 4.6 |
| 12018 | 120-2X18 | 35 | 125 | 202.7 | 90.0 | 22.7 | 170 | 256 | 45.4 | 1075.710 | 47.0 | 307 | 181 | 6.2 |
| 12022 | 120-2X22 | 35 | 140 | 222.7 | 100.0 | 22.7 | 210 | 304 | 45.4 | 2454.500 | 72.0 | 357 | 181 | 8.0 |
Address
Luotuo Industrial Area, Zhenhai District, Ningbo City, China
Tel
