
The DTII Belt Conveyor Drive Pulley is a key component in the DTII conveyor system, an updated Chinese standard based on the TD75 design, widely used in mining, coal, ports, and other industries. This pulley, also called a head or drum pulley, powers the conveyor belt, transmitting force from the motor or gearbox to move heavy materials like coal, ore, or aggregates. Built to handle tough conditions, it ensures smooth operation, reduces belt slippage, and keeps your conveyor running efficiently. This page explains what the drive pulley does, where it’s used, how to install it, what customers say, and answers common questions, all in plain language to help you decide if it’s right for your setup.
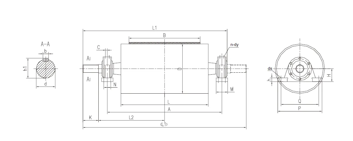
Unit: mm| B | D | Allowable torque (KN•m) | Allowable resultant force (KN) | Drawing No | A | L | L1 | L2 | K | M | N | Q | P | H | h | h1 | d | b | ds | C | n-dy |
| 500 | 500 | 2.7 | 49 | DTⅡ01A4081 | 850 | 600 | 1114 | 495 | 140 | 70 | _ | 350 | 410 | 120 | 33 | 74.5 | 70 | 20 | M20 | 22 | 2-M8×1 |
| DTⅡ01A4083YZ | |||||||||||||||||||||
| DTⅡ01A4084 | |||||||||||||||||||||
| 650 | 3.5 | 40 | DTⅡ02A4081 | 1000 | 750 | 1264 | 570 | ||||||||||||||
| DTⅡ02A4083YZ | |||||||||||||||||||||
| DTⅡ02A4084 | |||||||||||||||||||||
| 630 | 4.1 | DTⅡ02A5081 | |||||||||||||||||||
| DTⅡ02A5083YZ | |||||||||||||||||||||
| DTⅡ02A5084 | |||||||||||||||||||||
| 500 | 6.3 | 59 | DTⅡ02A4101 | 1324 | 590 | 170 | 80 | 380 | 460 | 135 | 46 | 95 | 90 | 25 | M24 | 26 | 4-M8×1 | ||||
| DTⅡ02A4103YZ | |||||||||||||||||||||
| DTⅡ02A4104 | |||||||||||||||||||||
| 630 | 7.3 | 80 | DTⅡ02A5101 | ||||||||||||||||||
| DTⅡ02A5103YZ | |||||||||||||||||||||
| DTⅡ02A5104 | |||||||||||||||||||||
| 500 | 8 | 83 | DTⅡ02A4121 | 1050 | 1419 | 615 | 210 | 110 | 440 | 530 | 155 | 116 | 110 | 28 | 32 | ||||||
| DTⅡ02A4123YZ | |||||||||||||||||||||
| DTⅡ02A4124 | |||||||||||||||||||||
| 630 | 8.3 | 86 | DTⅡ02A5121 | ||||||||||||||||||
| DTⅡ02A5123YZ | |||||||||||||||||||||
| DTⅡ02A5124 |
| B | D | Allowable torque (KN•m) | Allowable resultant force (KN) | Drawing No | A | L | L1 | L2 | K | M | N | Q | P | H | h | h1 | d | b | ds | C | n-dy |
| 800 | 500 | 4.1 | 40 | DTⅡ03A4101 | 1300 | 950 | 1624 | 740 | 170 | 80 | - | 380 | 460 | 135 | 46 | 95 | 90 | 25 | M24 | 26 | 4-M8×1 |
| DTⅡ03A4103YZ | |||||||||||||||||||||
| DTⅡ03A4104 | |||||||||||||||||||||
| 630 | 6 | 50 | DTⅡ03A5101 | ||||||||||||||||||
| DTⅡ03A5103YZ | |||||||||||||||||||||
| DTⅡ03A5104 | |||||||||||||||||||||
| 800 | 7 | DTⅡ03A6103YZ | |||||||||||||||||||
| DTⅡ03A6104 | |||||||||||||||||||||
| 630 | 12 | 80 | DTⅡ03A5121 | 1669 | 210 | 110 | 440 | 530 | 155 | 116 | 110 | 28 | M30 | 32 | |||||||
| DTⅡ03A5123YZ | |||||||||||||||||||||
| DTⅡ03A5124 | |||||||||||||||||||||
| 800 | 12 | 80 | DTⅡ03A6123YZ | ||||||||||||||||||
| DTⅡ03A6124 | |||||||||||||||||||||
| 630 | 20 | 100 | DTⅡ03A5141 | 1724 | 750 | 250 | 120 | 480 | 570 | 170 | 63 | 137 | 130 | 32 | 37 | ||||||
| DTⅡ03A5143YZ | |||||||||||||||||||||
| DTⅡ03A5144 | |||||||||||||||||||||
| 2×16 | DTⅡ03A5143S | 2000 | 1500 | ||||||||||||||||||
| DTⅡ03A5144S | |||||||||||||||||||||
| 800 | 20 | 110 | DTⅡ03A6143YZ | 1724 | 750 | ||||||||||||||||
| DTⅡ03A6144 | |||||||||||||||||||||
| 2×16 | DTⅡ03A6143S | 2000 | 1500 | ||||||||||||||||||
| DTⅡ03A6144S | |||||||||||||||||||||
| 32 | 160 | DTⅡ03A6163YZ | 1400 | 1839 | 800 | 200 | 105 | 520 | 640 | 200 | 60 | 158 | 150 | 36 | 43 | 4-M10×1 | |||||
| DTⅡ03A6164 | |||||||||||||||||||||
| 2×23 | DTⅡ03A6163S | 2100 | 1600 | ||||||||||||||||||
| DTⅡ03A6164S | |||||||||||||||||||||
| 1000 | 630 | 6 | 40 | DTⅡ04A5103YZ | 1500 | 1150 | 1824 | 840 | 170 | 80 | _ | 380 | 460 | 135 | 46 | 95 | 90 | 25 | M24 | 26 | 4-M8×1 |
| DTⅡ04A5104 | |||||||||||||||||||||
| 12 | 73 | DTⅡ04A5123YZ | 1869 | 210 | 110 | 440 | 530 | 155 | 116 | 110 | 28 | 32 | |||||||||
| DTⅡ04A5124 | |||||||||||||||||||||
| 800 | DTⅡ04A6123YZ | ||||||||||||||||||||
| DTⅡ04A6124 | |||||||||||||||||||||
| 1000 | 80 | DTⅡ04A7123YZ | |||||||||||||||||||
| DTⅡ04A7124 | |||||||||||||||||||||
| 630 | 18 | 100 | DTⅡ04A5143YZ | 1924 | 850 | 250 | 120 | 480 | 570 | 170 | 63 | 137 | 130 | 32 |
Address
Luotuo Industrial Area, Zhenhai District, Ningbo City, China
Tel
