
The DTII Belt Conveyor Lower Taper Roller is a critical component designed to keep your mining conveyor belts aligned and running smoothly. Engineered by Raydafon, a leader in conveyor solutions, these conical, self-aligning rollers prevent belt deviation, reduce wear, and ensure efficient material handling in harsh mining environments. Whether you’re transporting coal in Shanxi or ore in Australia, our DTII lower taper rollers deliver unmatched durability and performance. Below is a snapshot of key technical specifications to help you choose the right solution for your conveyor system.

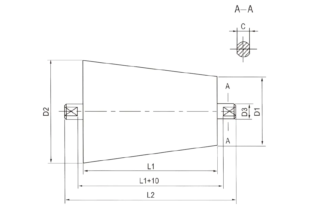
| Belt width B | D1×D2×L1 | D3×L2×C | Bearing model | Applicable models |
| 800 | Ø108ר159×445 | Ø25×479×18 | 4G305 | DTⅡ03C3043 |
| 1000 | Ø108ר176×560 | Ø25×594×18 | 4G305 | DTⅡ04C3053 |
| 1200 | Ø108ר194×680 | Ø30×714×22 | 4G306 | DTⅡ05C3054 |
| 1400 | Ø108ר194×780 | Ø30×814×22 | 4G306 | DTⅡ06C3054 |
Our DTII lower taper rollers are perfect for mining conveyor systems, bulk material handling, and heavy-duty applications in regions like Shanxi, Inner Mongolia, and Queensland. With a conical design that corrects belt misalignment, these rollers ensure smooth operation, reduce maintenance costs, and boost productivity. Contact us today to customize your solution!
Belt misalignment is a common issue in mining conveyors, leading to edge wear, material spillage, and costly downtime. The DTII lower taper roller addresses this by using its conical shape to guide the belt back to center, leveraging friction and tension for automatic alignment. Unlike traditional rollers, Raydafon’s taper rollers are built with Q235 steel, triple labyrinth seals, and precision bearings, ensuring durability in dusty, humid, or corrosive mining environments. This page explores the features, applications, installation, and customer experiences that make Raydafon’s DTII lower taper roller the go-to choice for mining professionals worldwide.
The DTII lower taper roller features a conical shape that naturally corrects belt deviation by guiding the belt toward the center. This self-aligning mechanism reduces edge wear and prevents material spillage, critical for high-volume mining operations like coal handling in Shanxi. The taper angle is optimized for belts 500mm to 2400mm wide, ensuring compatibility with various conveyor systems.
Equipped with deep groove ball bearings (6204, 6205, 6305, C3 clearance, 2RZ/2Z seals), these rollers ensure smooth rotation and a lifespan of up to 60,000 hours. Triple labyrinth seals protect against dust and moisture, making them ideal for harsh mining environments, such as Inner Mongolia coal mines.
Precision manufacturing and balance testing minimize noise and vibration, promoting worker comfort in enclosed settings like underground mines []. This reduces wear on the belt and frame, extending system life.
With options for zinc plating, baking paint, or epoxy coatings, our rollers resist rust in corrosive environments, such as coastal ports in South Africa. Rubber or HDPE coatings further enhance durability in abrasive conditions.
We offer customizable roller diameters (89mm to 219mm), lengths (150mm to 2500mm), and taper angles to fit specific conveyor setups. Whether you need a custom DTII taper roller for mining applications or a specialized coating for a Queensland quarry, we tailor our solutions to meet your specific needs.
Our rollers meet DTII, DTII(A), CEMA (B, C, D, E), JIS, and ISO 9001:2008 standards, ensuring quality and safety. Tested for radial runout (≤0.5mm), axial displacement (≤1.2mm), and rotation resistance (≤3.5N), they deliver reliable performance.

The DTII lower taper roller prevents belt deviation in systems transporting coal, iron ore, or copper in underground or open-pit mines. In Shanxi, a 5 km conveyor equipped with our rollers reduced misalignment incidents by 40%, boosting uptime. Ideal for Shanxi mining conveyor rollers and Inner Mongolia coal mining taper rollers.
Sticky cement or clinker can cause belt drift, but our taper rollers keep belts aligned, reducing maintenance in abrasive environments. Perfect for cement plant conveyor rollers in regions like Henan.
In coastal ports like those in Queensland or South Africa, our corrosion-resistant coatings ensure durability against salty air, maintaining belt alignment during coal or grain handling. Search for Queensland port conveyor taper roller to see our solutions.
Our rollers correct belt deviation in systems carrying gravel or aggregates, supporting mobile or fixed conveyors on job sites. Ideal for construction site conveyor rollers in rapidly growing regions like Dubai.
In power plants handling coal or ash, our taper rollers prevent misalignment, ensuring efficient material transport. They’re a top choice for power plant conveyor rollers in regions like Texas.


| Belt width (mm) | 0.8 | 1.0 | 1.25 | 1.6 | 2.0 | 2.5 | 3.15 | 4 | (4.5) | 5.0 | (5.6) | 6.5 |
| 500 | 69 | 87 | 108 | 139 | 174 | 217 | ||||||
| 650 | 127 | 159 | 198 | 254 | 318 | 397 | ||||||
| 800 | 198 | 248 | 310 | 397 | 496 | 620 | 781 | |||||
| 1000 | 324 | 405 | 507 | 648 | 811 | 1014 | 1278 | 1622 | ||||
| 1200 | 593 | 742 | 951 | 1188 | 1486 | 1872 | 2377 | 2674 | 2971 | |||
| 1400 | 825 | 1032 | 1321 | 1652 | 2065 | 2602 | 3304 | 3718 | 4130 | |||
| 1600 | 2186 | 2733 | 3444 | 4373 | 4920 | 5465 | 6122 | |||||
| 1800 | 2795 | 3494 | 4403 | 5591 | 6291 | 6989 | 7829 | 9083 | ||||
| 2000 | 3470 | 4338 | 5466 | 6941 | 7808 | 8676 | 9717 | 11277 | ||||
| 2200 | 6843 | 8690 | 9776 | 10863 | 12166 | 14120 | ||||||
| 2400 | 8289 | 10526 | 11842 | 13158 | 14737 | 17104 |
Installing DTII lower taper rollers is simple with these steps:
Tips:
To maximize the lifespan of your DTII lower taper roller:
“Sticky aggregates used to throw our belts off track. Raydafon’s self-aligning conveyor rollers keep everything running smoothly. Downtime is minimal, and the corrosion-resistant coatings handle our coastal conditions.” – Emma Davis, Site Engineer
“Our belts were wearing out from misalignment in our salty environment. Raydafon’s Queensland port conveyor taper roller with HDPE coatings fixed that. They’re low-maintenance and reliable.” – Thabo Mokoena, Logistics Manager
“Heavy ore loads caused belt drift, but Raydafon’s DTII taper roller for heavy-duty mining systems corrected it. Uptime is up 25%, and maintenance costs are down.” – Maria Gonzalez, Maintenance Supervisor
We offer tailored solutions, from custom taper angles to specialized coatings for regions like Queensland or South Africa. Our engineers collaborate with you to meet specific conveyor needs.
Address
Luotuo Industrial Area, Zhenhai District, Ningbo City, China
Tel
