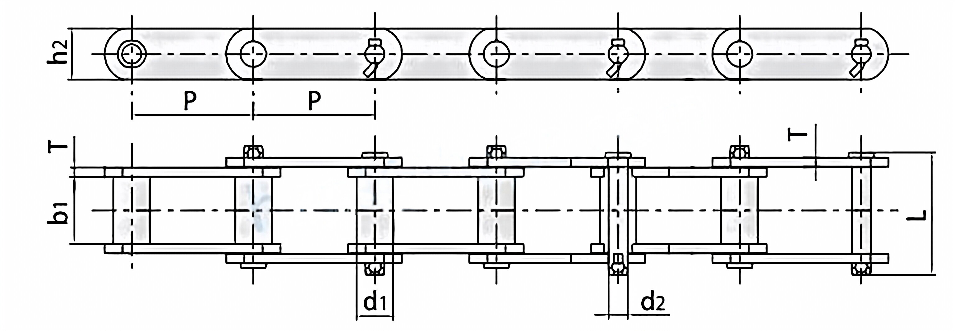
Engineering Steel Bushing Chain
Engineering steel bushing chain is a kind of industrial chain. These chains have many applications, including heavy lifting and oil drilling. Engineering steel bush chains are highly durable and offer maximum power transfer. They are available in different sizes, allowing you to choose one that suits your specific needs. They are widely used in different industries, such as the construction and mining industry, as well as in the glass manufacturing industry. They are manufactured according to DIN 8164 and are certified by CE, GS, SGS, and ISO9001.






Our chain is most commonly supplied in 10ft boxes including one connecting link per box, but we can also supply this chain at custom lengths as needed. We also offer a full line of good-quality sprockets for this chain. For pricing and availability please contact us at any time.Address
Luotuo Industrial Area, Zhenhai District, Ningbo City, China
Tel
