Raydafon Technology Group Co.,Limited
Raydafon Technology Group Co.,Limited
Products
Products
EP402T Planetary Track Drive EP602L Planetary Wheel Drives

EP402T Planetary Track Drive EP602L Planetary Wheel Drives

Raydafon Guoup presents the EP402T Planetary Track Drive and EP602L Planetary Wheel Drives, engineered for industrial and agricultural applications where durability and precision matter. These drives feature robust planetary gear systems, ensuring high torque and smooth operation in demanding conditions like construction, mining, and heavy machinery. Perfect for engineers, contractors, and OEMs, they deliver reliable performance, reducing downtime and enhancing productivity. Stand out with advanced sealing against harsh environments and customizable options for tailored solutions. Experience the confidence of superior design and efficiency that sets Raydafon Guoup apart—upgrade your equipment today with our proven drives.

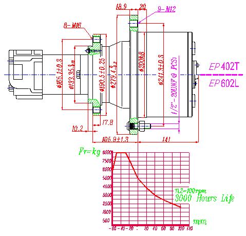
EP402T2-**-WO-** TRACK DRIVESEP602L2-**-WO-** WHEEL DRIVES

EP402T Planetary Track Drive EP602L Planetary Wheel Drives

Technical specification

Max.Output Torque(N.m)

Ratio(i)

Recommend Hydraulic Motor

Max. input speed(rpm)

Brake torque(N.m)

Brake work pressure(bar)

EP402T

EP402W

EP602L

7000

----

7000

18.624.429.337.1

EATON, 2KSAE A adoptφ25 Shaft Z13,DP16/32 Spline

4000

----

----

    • Input rotation opposite output rotation.
    • Other ratio and other input type can be specially designed.
    • If with manual disconnect device, please add mark “M” at the end of the product model.
    • Without brake.
Hot Tags: Planetary Track Drives Manufacturer, EP402T Planetary Drive Wholesale, EP602L Planetary Wheel Drives Supplier
Send Inquiry
Contact Info
Get customized quotes for transmission components, gearboxes, and machinery. Our engineers will respond within 24 hours.
Online
X
We use cookies to offer you a better browsing experience, analyze site traffic and personalize content. By using this site, you agree to our use of cookies. Privacy Policy
Reject Accept