Fertilizer Seeder Gearbox EP50 for Fertilizer Broadcaster
The Fertilizer Seeder Gearbox EP50 is a specialized gearbox designed for use in fertilizer broadcasters or spreaders in the agricultural industry. It is specifically engineered to provide reliable power transmission and control for the rotation of the spreading mechanism, ensuring accurate and consistent distribution of fertilizers or other granular materials across agricultural fields.The EP50 gearbox is built with a robust and durable design, capable of withstanding the demanding conditions encountered in agricultural operations. It is typically constructed from high-quality materials, such as hardened steel, to ensure strength, longevity, and resistance to wear and tear. This gearbox is designed to handle high torque and power transmission requirements. It efficiently transfers power from the tractor or power source to the spreading mechanism, allowing for smooth and reliable operation even under heavy loads. The EP50 gearbox enables effective spreading of fertilizers and other granular materials across large areas.The EP50 Fertilizer Seeder Gearbox offers precise speed control for the spreading mechanism. It allows operators to adjust the rotational speed of the spreading disc or agitator, ensuring accurate and consistent distribution of fertilizers. This feature enables farmers to achieve optimal spreading patterns and coverage, promoting efficient nutrient distribution and crop growth. The EP50 gearbox is designed to be compatible with various mounting configurations, making it suitable for different types of fertilizer broadcasters or spreaders. It can be easily integrated into both pull-behind and mounted spreader designs, providing flexibility and adaptability to different agricultural equipment setups.

| i | Suitable | Rpm input | Rpm output | Output torque | Weight | Toothing | |
| r/min | r/min | N.m | kg | ||||
| Decelerate | 43.54:1 | Fertilizer broadcaster, etc | 1000 | 23 | 5000 | 55 | Gleason HelicalTeeth |
| Remark: If you have any special require feel free let me know, we also accept custom. | |||||||
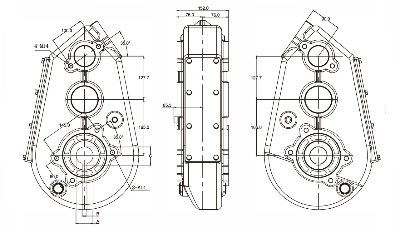
| A | B | C |
| Φ50 | 14 | 53.8 |
| Φ55 | 16 | 59.3 |
| Φ60 | 18 | 64.4 |




![]() | ![]() |
![]() | ![]() |
Address
Luotuo Industrial Area, Zhenhai District, Ningbo City, China
Tel
