Flail Mower Gearboxes - Replacement of Comer Code T-281A 1:2.91
Flail mower gearbox T-281A is a type of gearbox designed specifically for flail mowers. It is typically used to transfer power from the tractor's PTO (power take-off) to the flail mower's blades. The flail mower gearbox T-281A is built with high-strength steel components and is designed to withstand the demanding conditions of heavy-duty mowing applications. It features durable housing, precision gears, and an oil bath lubrication system to ensure smooth and reliable operation.The flail mower gearbox T-281A is a heavy-duty gearbox designed to handle the demanding conditions of agricultural and industrial applications. This gearbox is designed with a 1:2.91 gear ratio, which allows for slower blade speeds and higher torque to handle tough vegetation and uneven terrain. The flail mower gearbox T-281A is also equipped with a shear pin system, which allows for quick and easy replacement in the event of a sudden impact. Overall, the flail mower gearbox T-281A is a robust and reliable component that helps to ensure effective performance in flail mowers.

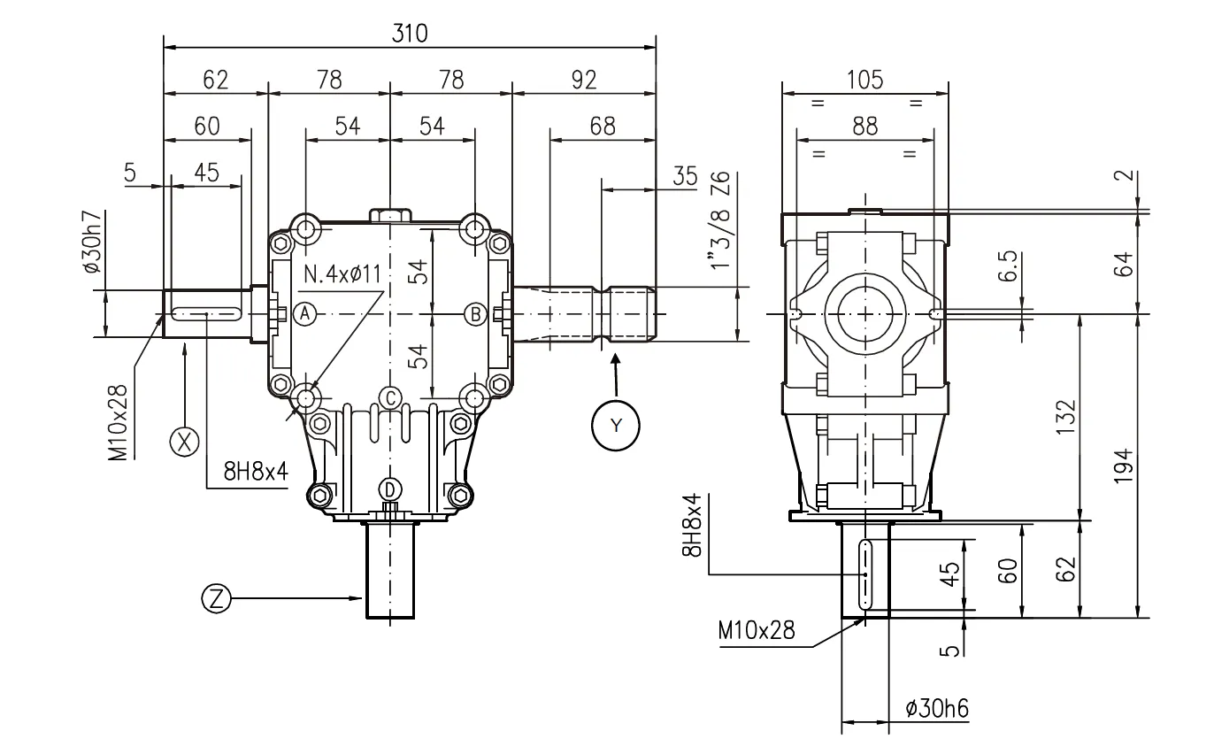
| Product Description | Flail Mower Gearboxes - Replacement of Comer Gearbox T-281A 1:2.91 |
|---|---|
| Product details |
|
| Application range |
|
| Consists of |
|
| Max. output torque | 20 daNm |
| Contains oil | No |
| Max. oil capacity | 0.5 l |
| Max. oil change interval | 500 h |
| Oil SAE viscosity grade | 80W-90 |
| Housing material | Aluminium |
| Weight | 7.2 kg |
| Gear arrangement Increasing | 25 - 26 - 27 - 28 |
| Gear arrangement Reducing | 5 - 6 |
| Input power kW / HP Increasing | 8.1 / 11 kW/HP |
| Input shaft Increasing | X - Y |
| Input shaft Reducing | Z |
| Input power KW / HP Reducing | 4 / 5 kW/HP |
| Output Torque DaNm Increasing | 4.8 daNm |
| Ratio Increasing | 1: 2.91 |
| Ratio Reducing | 2.91: 1 |
| Shaft X | 1 3/8" (6) (A) |
| Shaft Y | 1 3/8" (6) (A) |
| Shaft Z | 1 3/8" (6) (E) |
![]() | ![]() |
![]() | ![]() |

Address
Luotuo Industrial Area, Zhenhai District, Ningbo City, China
Tel
