Flail Mower Gearboxes - Replacement of Comer Code T-313J 1:3
Flail mower gearbox T-313J is a heavy-duty gearbox that is used in flail mowers. It is made of high-quality materials and is designed to withstand the rigors of agricultural use. The flail mower gearbox has a large capacity and can handle a wide range of workloads. It is also easy to operate and maintain. The flail mower gearbox is made up of a number of different components, including the input shaft, the output shaft, the gears, and the bearings. The input shaft is connected to the power source, such as a tractor or a PTO shaft. The output shaft is connected to the flail mower head. The gears transfer the power from the input shaft to the output shaft. The bearings support the gears and allow them to rotate smoothly.The flail mower gearbox is an important part of the flail mower, and it is essential for its proper operation. It is important to choose a flail mower gearbox that is the right size for the mower, and that is made of high-quality materials. It is also important to maintain the flail mower gearbox regularly to ensure that it continues to operate properly.![]() | ![]() |

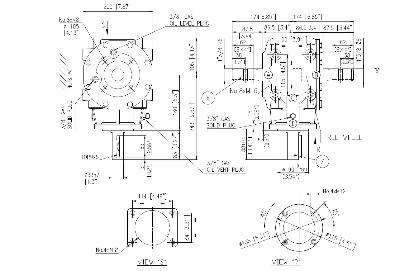
| Description | Flail Mower Gearboxes - Replacement of Comer Gearbox T-313J 1:3 |
|---|---|
| Application | Mowers |
| Consists of |
|
| Technical information |
|
| Contains oil | No |
| Max. oil capacity | 1.5 l |
| Oil SAE viscosity grade | 80W-90 |
| Weight | 27 kg |
| Gear arrangement Increasing | 21-22 |
| Input power kW / HP Increasing | 45.6 / 62 kW/HP |
| Input shaft Increasing | X |
| Output Torque DaNm Increasing | 26.1 daNm |
| Ratio Increasing | 1 : 3 |
| Ratio Reducing | 3: 1 |
| Shaft X | 1.3/8 (A) |
| Shaft Z | 33h7 (B) |

![]() | ![]() |
![]() | ![]() |

Address
Luotuo Industrial Area, Zhenhai District, Ningbo City, China
Tel
