Grain & Sunflower Headers Gearbox - Replacement of Comer Code OS861
A grain and sunflower header gearbox is a mechanical component used in agricultural machinery such as combine harvesters. It is designed to transfer power from the combine's engine to the header, which is the front part of the machine that cuts and gathers the crops.The gearbox is responsible for regulating the speed and torque of the header's cutting mechanism, which typically consists of rotating blades or knives. It is also responsible for changing the direction of the power flow to enable the header to move up and down, as well as side to side, to adjust to the contours of the field.In particular, the gearbox for a grain and sunflower header is designed to handle the demands of harvesting these specific crops. Sunflowers, for example, have tough stems that can be difficult to cut through, so the gearbox needs to be strong enough to handle the extra stress. Additionally, the gearbox may be equipped with special features such as a reverser mechanism to help clear blockages in the cutting mechanism.

| N1[rpm] | 550÷600 |
| P1[kW] | - |
| M2[Nm] | - |
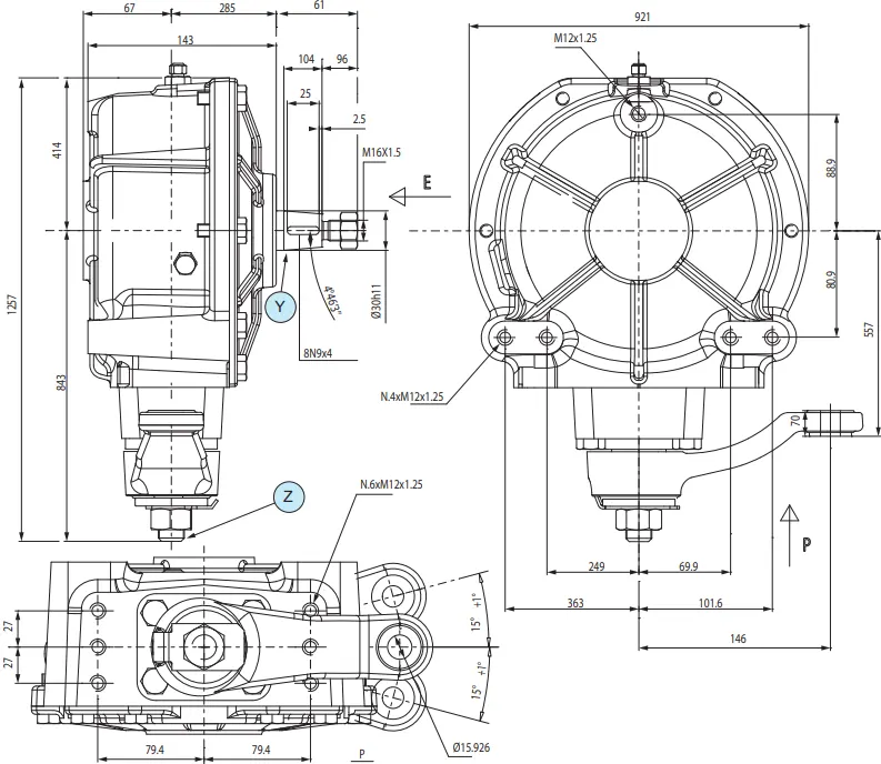
Shaft Y![]() | 30 |
Shaft Z![]() | 40*36 |
| Input | Y |


Address
Luotuo Industrial Area, Zhenhai District, Ningbo City, China
Tel
