GZV Prcision Roller Cross Guide




Selection of Accuracy Grade:
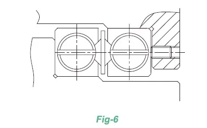
Notes: Two rails consist of a set of roller cross guides.The quantity of rails on the same surface means there are some sets of roller cross guides to be used on the same surface. As shown above rule II means that there are two sets of roller cross guides on the same surface, namely,four rails to be used at the same time
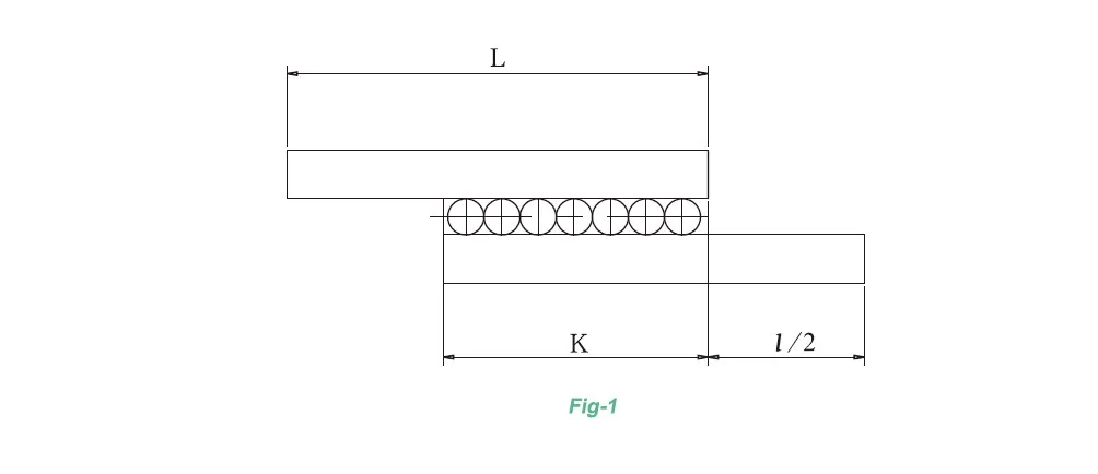
Basic dimension of retainer







Address
Luotuo Industrial Area, Zhenhai District, Ningbo City, China
Tel
