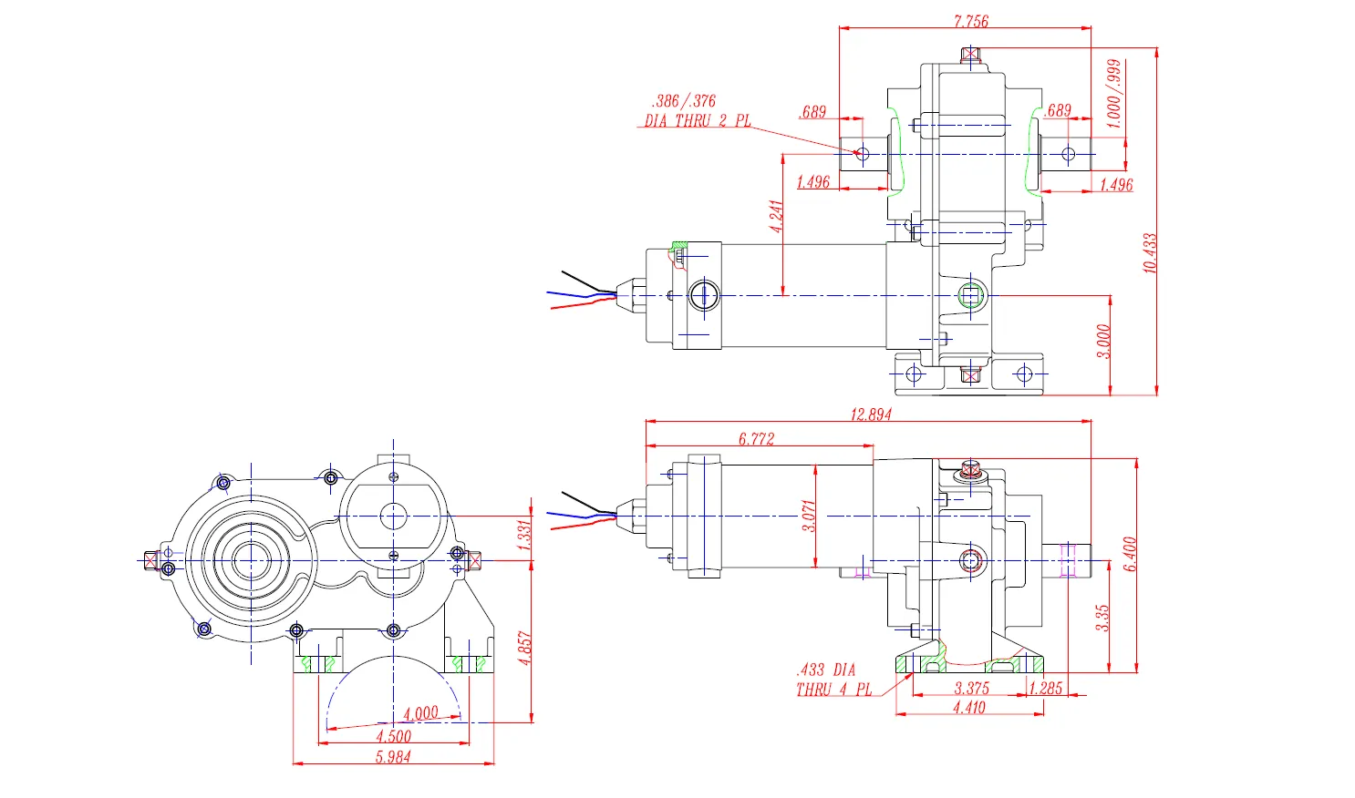
Irrigation Center-Drive Gearbox SYF-4M Series
The SYF-4M Series Irrigation Center-Drive Gearbox is an advanced and efficient mechanism designed specifically for irrigation systems. It plays a crucial role in controlling the movement and operation of center-pivot irrigation systems, ensuring precise and reliable water distribution across large agricultural fields.Center-pivot irrigation is a widely used method for watering crops, especially in large-scale farming. It involves a long-spanning arm with sprinklers that rotate around a central pivot, creating a circular pattern of water distribution. The SYF-4M Series Gearbox serves as the central drive system that powers and controls the movement of the irrigation system.The gearbox is built with high-quality materials and precision engineering to withstand the demanding conditions of agricultural operations. It is designed to be durable, reliable, and resistant to corrosion and wear. The SYF-4M Series Irrigation Center-Drive Gearbox delivers high torque output, enabling it to efficiently drive the entire center-pivot irrigation system. This ensures smooth and consistent rotation, allowing for uniform water distribution across the field.


![]() | ![]() |


![]() | ![]() |
![]() | ![]() |
Address
Luotuo Industrial Area, Zhenhai District, Ningbo City, China
Tel
