KHBF Series Flange Ball Valves
KHBF Series Flange Ball Valves are a type of ball valve with flanged end connections. They are used to control the flow of fluids in a variety of industrial and commercial applications, such as oil and gas, water and wastewater, chemical processing, and power generation.
KHBF Series Flange Ball Valves are typically made of carbon steel or stainless steel, and they are available in a wide range of sizes and pressure ratings. They are also available with a variety of seal materials to suit different applications.
KHBF Series Flange Ball Valves are known for their durability, reliability, and ease of operation. They are also relatively inexpensive, making them a popular choice for a variety of applications.
Features of KHBF Series Flange Ball Valves:

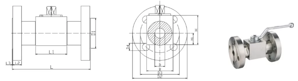
![]() | Item | Name | Material | |
| Stainless Steel | Carbon Steel | |||
| 1 | Fittings | SS 316 / SS 304 | A105 / 45# | |
| 2 | Flange | SS 316 / SS 304 | A105 / 45# | |
| 3 | O-ring | FKM | NBR | |
| 4 | Packing | POM / PEEK | POM | |
| 5 | Stem | SS 316 / SS 304 | A105 / 45# | |
| 6 | O-ring | FKM | NBR | |
| 7 | stop Pin | SS 316 / SS 304 | A105 / 45# | |
| 8 | Washer | SS 316 / SS 304 | A105 / 45# | |
| 9 | Body | SS 316 / SS 304 | A105 / 45# | |
| 10 | Ball | SS 316 / SS 304 | A105 / 45# | |

| PartNO. | WorkingPressure | DN | Dimension(mm) | |||||||||||
| D | L | L1 | L2 | L3 | D1 | D2 | D3 | D4 | H | H1 | B | |||
| KHBF-16 | 40 | 15 | 15 | 130 | 48 | 16 | 1 | 45 | 95 | 65 | 14 | 46 | 19 | 38 |
| 160 | 20 | 105 | 75 | 14 | ||||||||||
| 315 | 26 | 128 | 90 | 18 | ||||||||||
| KHBF-20 | 40 | 20 | 19 | 150 | 60 | 18 | 1 | 58 | 105 | 75 | 14 | 56 | 24 | 48 |
| KHBF-25 | 40 | 25 | 24 | 160 | 64 | 18 | 2 | 65 | 115 | 85 | 14 | 63 | 58 | 29 |
| 160 | 24 | 138 | 100 | 18 | ||||||||||
| 250 | 28 | 148 | 105 | 22 | ||||||||||
| 315 | 34 | 158 | 115 | 22 | ||||||||||
| KHBF-32 | 40 | 32 | 30 | 180 | 72 | 18 | 2 | 78 | 138 | 100 | 18 | 75 | 68 | 34 |
| 160 | 26 | 155 | 110 | 22 | ||||||||||
| KHBF-40 | 40 | 40 | 38 | 200 | 80 | 18 | 3 | 88 | 148 | 110 | 18 | 86 | 80 | 40 |
| 160 | 28 | 168 | 125 | 22 | ||||||||||
| 250 | 34 | 185 | 135 | 26 | ||||||||||
| 315 | 38 | 195 | 145 | 26 | ||||||||||
| KHBF-50 | 40 | 50 | 46 | 230 | 96 | 20 | 3 | 102 | 165 | 125 | 18 | 102 | 96 | 48 |
| 63 | 26 | 178 | 135 | 22 | ||||||||||
| 160 | 30 | 195 | 145 | 26 | ||||||||||
| 250 | 38 | 198 | 150 | 26 | ||||||||||
| 315 | 42 | 208 | 160 | 26 | ||||||||||


Address
Luotuo Industrial Area, Zhenhai District, Ningbo City, China
Tel
