Model 4 Shaft Output Drives Planetary Gearbox Replacement of Auburn Gear Model 3 Planetary Gearbox
The Model 4 shaft output drives planetary gearbox is a high-performance planetary gearbox designed for demanding applications. It features a 3.69:1 gear ratio, a maximum intermittent output torque of 40,000 lbs-in, and a maximum input speed of 3,500 RPM. The Model 4 shaft output drives planetary gearbox is also equipped with a radial load capacity of 9,900 lbf and a maximum weight of 4500 kg.The Model 4 shaft output drives planetary gearbox is ideal for a variety of applications, including conveyors, augers, and mixers. It is also a good choice for applications that require high torque and low speed.Here are some of the key features of the Model 4 shaft output drives planetary gearbox:
| output torque(N.m) | Ratio (i) | Recommend Hydraulic Motor pilot/hubs and input spline | Max. input speed(rpm) | Brake torque(N.m) | Brake work pressure(bar) | ||
| normal | Max. Intermittent | ||||||
| 2400 | 4520 | 3.67 | Single reduction | SAE A motor pilot/hubs13T - 16/32 Spline15T - 16/32 Spline1” - 6B Spline14T - 12/24 Spline | 3500 | 440 | 22-50 |
| 13.87 | Double reduction | 260 | 14-50 | ||||
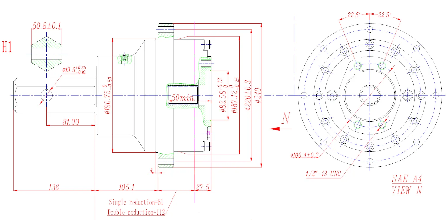
| Model 4 Series Shaft Output Drives Planetary Gearbox | ||||||||
| Options | Description | Order Number | Use Option Order Codes to Build Order Number | |||||
| Model Series | MODEL 4 | 4T | 4T | |||||
| Motor Pilot/Hubs | SAE A2 | A2 | ||||||
| SAE A4 | A4 | A4 | ||||||
| Motor Input Spline or Shaft Input Options | 13T - 16/32 | 13 | ||||||
| 15T - 16/32 | 15 | |||||||
| 1” - 6B | 6B | |||||||
| 14T - 12/24 | 14 | 14 | ||||||
| Shaft Input 1.5” Round | 1.5R | |||||||
| Ratio Options | 3.67 | 03 | 03 | |||||
| 13.87 | 13 | |||||||
| Output Options | ||||||||
| 2.56 Round | A2 | A2 | ||||||
| 2.00” Hex | H1 | |||||||
| Brake | 260Nm | B4F | ||||||
| 440Nm | B4L | |||||||
| Without Brake | WO | WO | ||||||
| Example of complete order code: | 4T | A4 | 14 | 03 | A2 | WO | ||




Address
Luotuo Industrial Area, Zhenhai District, Ningbo City, China
Tel
