1 3/8" Z6 shaft not available in on piece:
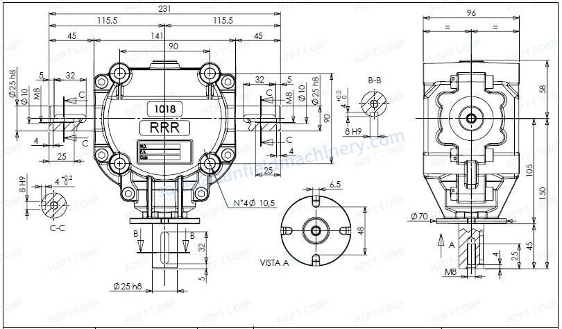
Replaces OEM gearboxes on 5', 6' and 7' rotary cutters by these manufacturers: Replacement of Comer, Omni, Bush Hog, John deree and others. Please check measurements for proper fitment.
Address
Luotuo Industrial Area, Zhenhai District, Ningbo City, China
Tel
