One Piece Hex Bore Shaft Collars (Shaft Clamps) Inch Series
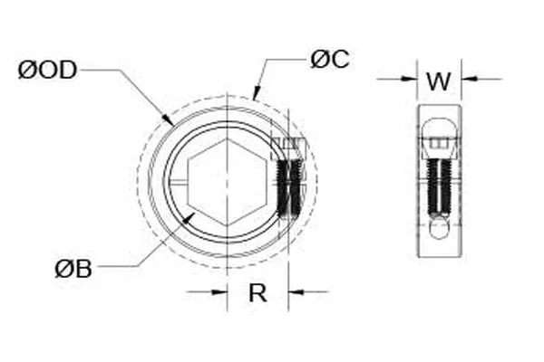
The inch series one piece hex bore shaft collars are a type of shaft collar that is used to secure a rotating shaft to a machine or other device. The hex bore shaft collar has a hex bore that fits over the shaft, and a screw that is tightened to clamp the collar in place. The hex shaft collar is available in a variety of sizes to fit different shaft diameters.The inch series one piece hex bore shaft collars are made from a variety of materials, including aluminum, steel, and stainless steel. The material is selected to meet the specific requirements of the application. The hex bore shaft collars are also available with a variety of finishes, including black oxide, zinc plating, and stainless steel.The inch series one piece hex bore shaft collars are a versatile and reliable way to secure a rotating shaft. They are used in a wide variety of applications, including machine tools, conveyors, and robotics. If you are looking for a reliable and versatile way to secure a rotating shaft, the inch series one piece hex bore shaft collars are a great option.![]() | ![]() |
![]() | ![]() |
| Part Number Steel | Part Number Aluminum | Part Number Stainless Steel | Bore (B) (in) | Outer Diameter (OD) (in) | Width (W) (in) |
|---|---|---|---|---|---|
| CL-6HX-F | CL-6HX-A | CL-6HX-SS | 0.3750 in | 7/8 in | 0.343 in |
| CL-8HX-F | CL-8HX-A | CL-8HX-SS | 0.5000 in | 1 1/8 in | 0.406 in |
| Feature | Hex Bore Shaft Collars | Threaded Bore Shaft Collars |
|---|---|---|
| Bore type | Hex | Threaded |
| Material | Steel or aluminum | Steel |
| Bore finish | Smooth | Smooth |
| Holding power | Good | Superior |
| Precision | Less precise | More precise |
| Ease of installation | Easy | Difficult |
![]() | ![]() |
| Hex Bore Shaft Collars | Threaded Bore Shaft Collars |
![]() | ![]() |

Address
Luotuo Industrial Area, Zhenhai District, Ningbo City, China
Tel
