P-A QD Weld-On Hubs
P-A QD weld-on hubs are a type of mechanical component used in power transmission systems. These hubs are designed to be welded onto a shaft and then attached to a P QD bushing. The P QD bushing is a tapered bushing that is used to mount components such as sprockets, pulleys, and couplings onto a shaft.The P-A QD weld-on hub is made from high-quality steel and is precision machined to ensure a secure and accurate fit with the P QD bushing. The hub is designed with a tapered bore that matches the taper of the P QD bushing, allowing for a tight and secure fit.Using P-A QD weld-on hubs in power transmission systems provides a secure and reliable method for mounting components onto a shaft. The welded connection between the hub and shaft ensures that the components remain securely in place, even under high loads and speeds.
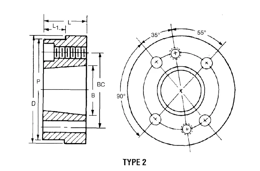
![]() | ![]() |
| QD Hub Types | P-A Weld-On Hubs | |
| For Bushing | P QD Bushings | |
| Dimensions (Inches) | D | 13.000" |
| L | 7 1/4" | |
| B | 8.240" | |
| P | - | |
| L1 | - | |
| BC | 10" | |
| Type Drilling | 2" | |
| Weight (lbs) | 155 lbs | |

![]() | ![]() |
Address
Luotuo Industrial Area, Zhenhai District, Ningbo City, China
Tel
