The GMSS series stainless steel worm reducer features a box body made of 304 precision casting, a 12-2 tin bronze worm wheel, and a 304 wheel core. The reducer also utilizes full synthetic worm gear oil. All six faces of the box body are processed, resulting in a beautiful appearance that is easy to clean and corrosion-resistant. See the image below for a visual of the product.

.The RDF-GMSS75 Stainless Steel Worm Reducer is widely used in various industries and scenarios, including:



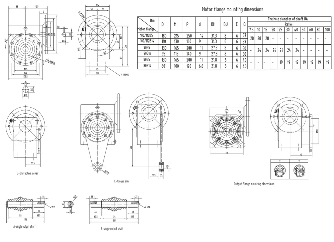
Our company not only provides high-quality gearboxes such as RDF-GMSS75 Stainless Steel Worm Reducer, but also offers stainless steel motors that are compatible with the gearbox. These motors are made of durable stainless steel material, ensuring reliable performance in harsh and corrosive environments. Check out the following images of our motor sizes and stainless steel motor:


Our company, Raydafon, is a renowned manufacturer of stainless steel worm reducers, specifically the RDF-GMSS75 Stainless Steel Worm Reducer. We take pride in our unique selling points that set us apart from the competition.
One of our key advantages is the exceptional quality of our products. Our stainless steel worm reducers are crafted with precision and expertise, ensuring durability and reliability. We prioritize the use of high-grade materials, guaranteeing that our reducers can withstand harsh conditions and provide long-lasting performance.
Furthermore, our commitment to excellent service is unrivaled. We understand the importance of prompt and reliable customer support. Our knowledgeable team is always ready to assist with any inquiries or concerns, ensuring a hassle-free experience for our valued customers.
In addition to stainless steel reducers, we offer a wide range of other non-standard reducers for sale. Our product catalog includes gearboxes for various applications such as automatic car wash machines, fountain systems, snow blowers, and many more.

At Raydafon, we are dedicated to delivering top-quality products and unparalleled service. Contact us today to explore our extensive range of reducers and experience the Raydafon difference.
Address
Luotuo Industrial Area, Zhenhai District, Ningbo City, China
Tel
