
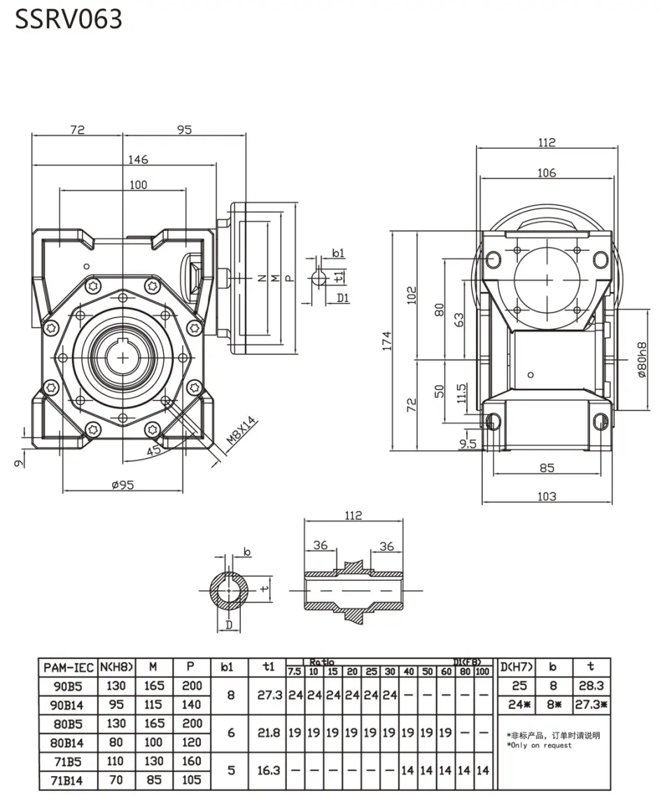
The following image displays the installation dimensions of the RDF-SSRV063 Stainless Steel Worm Gearbox:

Here is the dimension of the output flange for RDF-SSRV063 Stainless Steel Worm Gearbox:

The output shaft of the RDF-SSRV063 Stainless Steel Worm Gearbox is made of 304 material. Here is an image of the output shaft:
Description of the torque arm for RDF-SSRV063 Stainless Steel Worm Gearbox:

RDF-SSRV063 stainless steel worm gearbox is widely used in various industries and scenarios, including:



Along with our RDF-SSRV063 Stainless Steel Worm Gearbox, we also offer a range of stainless steel motors. Our motors are designed to work seamlessly with the RDF-SSRV063, providing a complete and reliable solution for your power transmission needs.

At Raydafon, we are proud to be a leading manufacturer of stainless steel worm reducers, specifically the RDF-SSRV063 Stainless Steel Worm Gearbox. Our company stands out in the market due to our unique selling points, which emphasize the superior quality and exceptional service we provide.
Our stainless steel worm reducers are manufactured with the highest standards, ensuring durability and reliability. With advanced technology and precision engineering, we guarantee that our products meet and exceed industry standards. The use of stainless steel as the primary material ensures resistance to corrosion, making our reducers suitable for various applications in harsh environments.
In addition to stainless steel reducers, Raydafon offers a wide range of other non-standard gearboxes for sale. Our product portfolio includes fully automatic car wash machine reducers, fountain reducers, snow blower reducers, and many more. Whatever your specific needs may be, we have the expertise and resources to deliver customized solutions that meet your requirements.

With a commitment to excellence, Raydafon strives to provide exceptional customer service. Our team of experienced professionals is dedicated to ensuring customer satisfaction by providing prompt assistance and technical support. We value the trust our customers place in us and continuously aim to exceed their expectations.
Choose Raydafon as your reliable partner for all your stainless steel worm reducer needs. Contact us today for high-quality products, reliable service, and customized solutions.
Address
Luotuo Industrial Area, Zhenhai District, Ningbo City, China
Tel
