Rotary Mower Gearbox - Replacement of Comer Code LF-227J
Rotary mower gearbox LF-227J is a gearbox designed for use in rotary mowers. The rotary mower gearbox LF-227J is a highly reliable and durable unit that is capable of providing the necessary power to efficiently drive the rotary mower blades for cutting grass and other vegetation. The rotary mower gearbox LF-227J is designed to be versatile and is ideal for use in a wide range of applications, including in agricultural machinery, lawn tractors, and other areas that require the use of rotary mower gearboxes.The rotary mower gearbox LF-227J features a sturdy cast-iron housing that is designed to resist the forces and strains produced during the operation of the mower. The gearbox is also designed with large bearings and gears that offer high reliability and a longer lifespan. One of the key features of the rotary mower gearbox LF-227J is its excellent lubrication design, which allows for smooth and efficient operation of the gearbox. The gearbox is equipped with an oil seal to prevent oil leaks, and it also features an oil bath lubrication system.In summary, rotary mower gearbox LF-227J is a highly reliable, durable, and versatile gearbox that is designed to provide the necessary power for the efficient cutting of vegetation in rotary mowers. Its excellent lubrication system and robust design allow for smooth operation, and it is suitable for use in a wide range of applications.

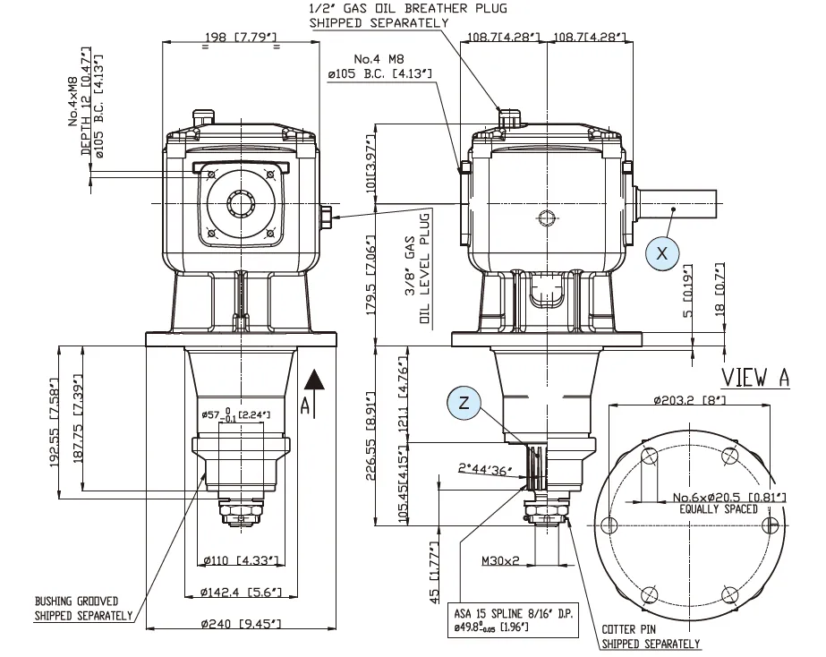
| Product | Rotary Mowers Gearboxes – Replacement of Comer Gearbox LF-227J |
| Application | Mowers |
| Technical information |
|
| Max. input power | 55 kW |
| Contains oil | No |
| Max. oil capacity | 0,8 l |
| Max. oil change interval | 500 h |
| Oil SAE viscosity grade | 80W-90 |
| Housing material | Cast iron GGG40 |
| Weight | 37 kg |
| Gear arrangement Increasing | 3 |
| Gear ratio | 1: 1.83 |
| Input power kW / HP Increasing | 55 / 75 kW/HP |
| Input shaft Increasing | X |
| Output Torque DaNm Increasing | 51.7 daNm |
| Ratio Increasing | 1: 1.83 |
| Ratio Reducing | 1.83: 1 |
| Shaft X | 1 3/8" (6) |
| Shaft Z | ASA Z15 D.P. 8/16 |
![]() | ![]() |



Address
Luotuo Industrial Area, Zhenhai District, Ningbo City, China
Tel
