Rotary Mower Gearboxes - Replacement of Comer Code LF-199A
Rotary mower gearbox LF-199A is a type of agricultural gearbox that is commonly used in rotary mowers to transmit power from the mower’s engine to the blades. It is a single-speed gearbox that is designed to convert the high-speed rotation of the engine into the slower, high-torque rotation required to drive the mower blades. The LF-199A rotary mower gearbox is typically mounted on the underside of the mower deck and is connected to the engine via a drive shaft. It is designed to fit a standard engine shaft size and is supported by bearings to ensure smooth operation. The rotary mower gearbox LF-199A is made of high-quality materials, such as cast iron or aluminum, to ensure durability and long-lasting performance. It is designed to provide reliable and efficient power transmission to the mower blades, resulting in a clean and even cut of the grass.

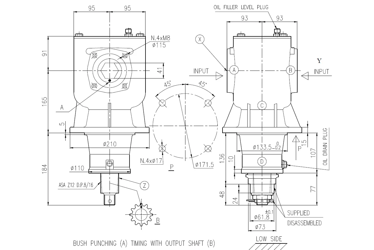
| Model: | Rotary Mower Gearbox Replacement of Comer Gearboxes LF-199A |
| Type of application: | Speed increasing unit |
| Input power rate: | 45Cv-33Kw (540RPM) |
| Ratio: | 3,00 |
| Outputs: | 2 |
| Rotation: | The rotation is defined as either clocwise or counter-clockwise by looking "into" the components in motion ( shaft, pulley, or sprocket), with the gearbox behind the component. |
| Shafts Rotation: | Download the data sheet to check the possible available rotation. |
| Material: | Cast iron |
| Dry weight: | 27,5 Kg |
| Supplied without lubricant | • Available to Reduction Gear Unit (please Ask Our Technical Department)• Different Shafts Rotation Available (please Ask Our Technical Department) |
![]() | ![]() |
![]() | ![]() |
![]() | ![]() |



Address
Luotuo Industrial Area, Zhenhai District, Ningbo City, China
Tel
