Rotary Mower Gearboxes - Replacement of Comer Code LF-211J
The gearbox LF-211J is a type of rotary mower gearbox that is designed for use in agricultural and industrial applications. It is a high-performance gearbox that is designed to provide reliable and efficient power transmission for rotary mowers. The LF-211J rotary mower gearbox features a compact design and is made from high-quality materials, including high-strength steel and aluminum. It has a gear ratio of 1:1.46 and is capable of handling high torque loads. The rotary mower gearbox is designed to be easy to install and maintain, with a simple and robust design that minimizes the risk of failure. It is also designed to operate quietly, which can be important in applications where noise levels need to be kept to a minimum.Overall, the rotary mower gearbox LF-211J is a reliable and efficient solution for agricultural and industrial applications that require high-performance power transmission. Its compact design, high torque capacity, and ease of installation and maintenance make it a popular choice in a variety of industries.![]() | ![]() |

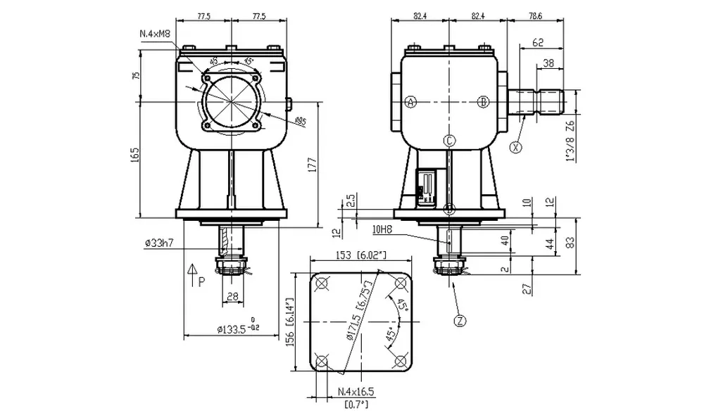
| Product Description | Rotary Mower Gearboxes - Replacement of Comer Gearbox LF-211J |
|---|---|
| Product details |
|
| Application range | Mowers |
| Consists of |
|
| Contains oil | No |
| Max. oil capacity | 0.8 l |
| Max. oil change interval | 500 h |
| Oil SAE viscosity grade | 80W-90 |
| Housing material | Cast iron GGG40 |
| Weight | 14 kg |
| Gear arrangement Increasing | 3 |
| Input power kW / HP Increasing | 14.7 / 20 kW/HP |
| Input shaft Increasing | X |
| Output Torque DaNm Increasing | 8.9 daNm |
| Ratio Increasing | 1: 2.83 |
| Ratio Reducing | 2.83 : 1 |
| Shaft X | 1 3/8" (6) |
| Shaft Z | 33 h7 |
Bearing failure: Bearings can wear out over time due to high loads, lack of lubrication, or contamination. This can cause noise, vibration, and damage to other components.Gear wear: The gears in the rotary mower gearbox can wear out over time due to high loads or lack of lubrication. This can cause noise, vibration, and reduced performance.Seal failure: Seals can fail due to wear, damage, or improper installation. This can cause oil leaks and contamination of the gearbox.Input shaft damage: The input shaft can become damaged due to high loads or improper installation. This can cause noise, vibration, and reduced performance.Output shaft damage: The output shaft can become damaged due to high loads or improper installation. This can cause noise, vibration, and reduced performance.Housing damage: The housing can become damaged due to impact or other external factors. This can cause leaks and damage to internal components.Overall, regular maintenance and inspection of the LF-211J rotary mower gearbox can help to prevent these common faults and ensure optimal performance. It is important to address any faults or failures as soon as possible to prevent further damage and ensure safe and reliable operation.![]() | ![]() |




Address
Luotuo Industrial Area, Zhenhai District, Ningbo City, China
Tel
